43 reddy heater parts diagram
Reddy RCP80 space heater parts | Sears PartsDirect Reddy RCP80 space heater parts - manufacturer-approved parts for a proper fit every time! We also have installation guides, diagrams and manuals to help you along the way! Amazon.com: Reddy Heater Parts Pro-Parts PP204 HA3004 1/2" Rotor Kit and PP214 Filter Kit for Desa Master Reddy Sears Space Heaters Parts #70-022-0100. 4.6 out of 5 stars. 57. $20.99. $20. . 99. Get it as soon as Thu, Mar 24. FREE Shipping on orders over $25 shipped by Amazon.
Parts Diagram Reddy Heater - Free PDF File Sharing Aug 05, 2013 · 55,000 btu Reddy Heater SAVE $80 OVER NEW UNIT. PART #DA55HTR 110,000 btu Reddy Heater SAVE $130 OVER NEW UNIT. PART #DA110HR 125,000 btu Reddy Heater. [Filename: Heaters.pdf] - Read File Online - Report Abuse. Models - Desa Parts and Desa Tech Support Manuals.
 
    Reddy heater parts diagram
ai-team.it Heater Vent-Free 30,000 BTU Liquid Propane Radiant Heater, F299830 at Tractor Supply Co. Heater Big Buddy 3 Operating Instructions and Owner’s Manual CAUTION: •Some carpets or linoleum surfaces may discolor if heater is placed directly on these floor coverings. 00 (9% Off)Parts Power Tools Pressure Washers Safety Security Equipment Snow + Ice Removal … Reddy RLP35 space heater parts | Sears PartsDirect Reddy RLP35 space heater parts - manufacturer-approved parts for a proper fit every time! We also have installation guides, diagrams and manuals to help you along the way! Find the model number - Reddy Heater Parts Sales..Online ... How to find your heater's Model Number: There will be a decal affixed to the side or on the fuel tank of the heater. This decal will state the model number, serial number, fuel capacity, pump pressure, voltage, amps, etc. *If your heater has a plastic fuel tank the number is generally stamped in the plastic Examples: R100A, R100, RH100VT, RHD125T (There will always be a letter followed by a ...
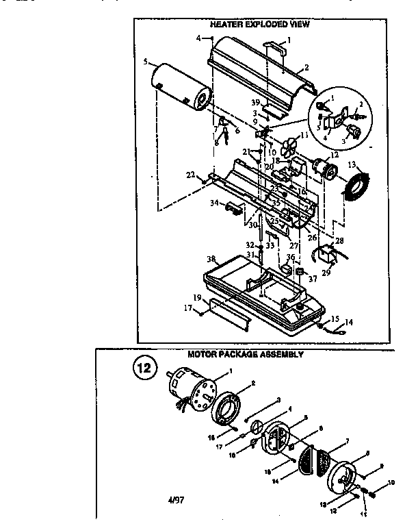
Reddy heater parts diagram. Reddy Heater Parts Index - Robin Rents Click Here to Order Reddy Heater Repair Parts Use this handy reference guide to find the Reddy Heater parts required to fix your heater, then use our catalog to order the part. Pictures of most parts are available. Reddy Heater repair parts & Reddy heater parts MODEL MOTOR TRANSFORMER/ IGNITION CONTROL/ IGNITOR […] 1 ILLUSTRATED PARTS BREAKDOWN Reddy Heater R165AT Thermostat Models 108871. ... This list contains replaceable parts used in your heater. When ordering parts, be sure to provide the correct model and serial numbers (from the model plate), then the part number and description of the desired part. ... Wiring Diagram without Thermostat ... Reddy Heater Forced Air Kerosene Heater Parts Replace parts for your Reddy Heater Forced Air Kerosene Heater Parts forced air kerosene heater to help maintain it's function. Toll Free 1-800-251-8824. ... Please reference your instruction manual and part diagram when selecting parts. Select Model for Available Parts. R40T. M100. M100D. M150D. M150S. M30. M50. M50A. M50D. M50S. M65. M65D ... Amazon.com: reddy heater parts: Replacement Parts Store Pro-Parts New Replacement PP204 HA3004 1/2" Rotor Kit for Desa Master Reddy Sears Space Heaters #70-022-0100. 4.5 out of 5 stars. 263. $14.49. $14. . 49. Get it as soon as Wed, Mar 16. FREE Shipping on orders over $25 shipped by Amazon.
Reddy Heater Parts Sales..Online..Mr, & Reddy Heater Parts ... REDDY PARTS assures you of prompt same-day or next-day shipments on most orders of the Reddy Heater Parts or Master Heater Parts that you need to get your heater back on the job lightnin' fast. DESA also manufactured heaters for some of the large chain stores and private labeled for the store. dondrago.de 18.3.2022 · Without a model number on the heater itself, we have no way of knowing which gas valve you need. Propane Cylinder 30 lb. 55mm. g20q2-50 11/30/2010 page 2 g20q2-50 dash/revision # with qty 55 capacitor-fan mtr 81a3801 "5mfd,370vac" 1 1 1 1 1 Bakers Pride Replacement Parts For Broilers And Ovens. Reddy RCP25 space heater parts | Sears PartsDirect Reddy RCP25 space heater parts - manufacturer-approved parts for a proper fit every time! We also have installation guides, diagrams and manuals to help you along the way! [email protected] 11.3.2022 · As shown in the diagram, you will need to power up the thermostat and the 24V AC power is connected to the R and C terminals. The dual door design allows you to add chips without losing heat. If you Martin Direct Vent Propane Wall Furnace Heater Thermostat By Does not apply USD ,892. Large basket can hold up to a 20lb turkey.
Apns For Free Android [9CQVON] Search: Free Apns For Android. Also, most free antivirus apps scan. You'll need a distinctive font and logo. RLP35 Reddy Heater Parts for LP Propane Forced Air Heaters REDDY HEATERS RLP35 COMMON REPLACEMENT PARTS. 099521-01 Motor. 099538-01 Thermocouple / Flame Sensor. 101723-02 Limit Switch. 099539-01 Electrode / Igniter. LPA2110 Regulator. LPA3090 Hose & Regulator Assembly ( Use Replacement LPA3055 ) 102445-01 Spark Generator. 1. Reddy Heater Wiring Diagram - easywiring May 03, 2021 · Reddy heater wiring diagram. See desa owners manual for more specifications www. Reddy r100 download is free 10 for us to print. Reddy heaters r150b 150 000 btu hr. Use this handy reference guide to find the reddy heater parts required to fix your heater then use our catalog to order the part. Reddy Heaters Reddy Heaters . net is your source for Information and Replacment parts for your Reddy Heater manufactured by DESA International prior to 2009. When the work meets the weather, Reddy Heater cuts through to comfort. Reddy outdoorsman heater designed and packaged for ice fishing shelters, shanties, and hunting blinds.
DESA REDDY RK150 OWNER'S MANUAL Pdf Download | … View and Download Desa Reddy RK150 owner's manual online. PORTABLE FORCED AIR HEATER. Reddy RK150 heater pdf manual download.
Staircase Wiring Circuit Diagram - How to Control a lamp ... Consider the above 2-way switch wiring diagram which has been used to control a bulb in staircase. The schematic shows that circuit is completed and bulb is ON. Suppose you want to OFF the bulb from the upper switch at top of stair ( (upper portion of staircase) ) simply Switch OFF the switch then circuit will break and the bulb will be OFF.
Reddy Heater Parts - Power Equipment Warehouse M5087602 Reddy Heater Parts FUEL FILTER KIT. Part Number M50876-02 - FUEL FILTER KIT. $8.87. Add to compare list.
Reddy Heater R150A Forced Air Kerosene Heater Parts Reddy Heater R150A Forced Air Kerosene Heater Parts quickly shipped Monday-Friday. Toll Free 1-800-251-8824. Kerosene Heater Wicks ... Please reference your instruction manual and parts diagram when selecting parts. Image. Name. Part # Our Part # Price. Click To Buy. Filter Kit. PP215. OkwPP215. $11.99. Nozzle. PP210. OkwPP210. $29.49. Spark ...
Heater Reference Chart - Reddy Heater Parts Sales..Online ... Heater Reference Chart. Don't know the model number- It is listed on your heater. Research your heater before calling or ordering online - determine the required parts for your model heater. Heater Reference Charts. Reddy Heater. TA Model Wheelbarrow style heater. Master Heater. All-Pro Heater. Remington Heater.
Flour Mill Rye [4MH368] - Vendo Compro Orologi Como Search: Rye Flour Mill. What is Rye Flour Mill. Every flour has its own unique properties. Sourdough Rye using your flour and some crushed organic caraway seeds has lifted my Sourdough Rye to a new level!!
How Do I Repair My Space Heater? Steps To ... - Qlabe 25.3.2019 · Once you’ve successfully disassembled your space heater, you will be able to observe which parts of the space heater are broken and in need of repair. In some cases, certain parts of the heater might need to be replaced, or a new …
REDDY HEATER parts reference model: motor: transformer/ ignition control/ ignitor: safety/ flame-out control: fan: relay: spark plug/ hsi: filter kit: nozzle: photo cell: rotor kit rotor, blades ...
Reddy Heater 30 Parts Diagram - Free PDF File Sharing Sep 18, 2013 · Portable Heater Parts listing - Rental World Portable Heater Parts Desa Part # Description Reddy Models Remington Models Master Models Knipco Models 102482-01 IGNITOR M30, R30, R35, R35A, R35B, M50A, [Filename: Portable_Heater_Parts_List.pdf] - Read File Online - Report Abuse
125T, 170T, and 200T C Ignition Control Boards Control Board Part number 104068-02. Most of the "PRO series" heaters have this Ignition Control board.Some boards were tan in color. Now- Contol Board 104068-02 always Uses photocell M16656-24 which is now PP236. 125T MODELS: M125AT and RH125AT.. 170T MODELS: RH170AT and M170AT.. 200T Models: M200AT ONLY: Control Board Part number 116111-01 ...
Rheem Thermostat Manual Trane S9V2 Furnace Owners Manual. See photos. Guide to wiring connections for room thermostats User Manual: Rheem-Ruud-2009-water-heater-parts-guide. 1 6:00 am outside 72° 55º 4 5 Models/Modelos/Modèles RETST601SYS UETST601SYS EcoNet™ Control Center User Guide Guía del usuario del Centro de control EcoNet. 1 to120s 0 to 50 or 0.
Find the model number - Reddy Heater Parts Sales..Online ... How to find your heater's Model Number: There will be a decal affixed to the side or on the fuel tank of the heater. This decal will state the model number, serial number, fuel capacity, pump pressure, voltage, amps, etc. *If your heater has a plastic fuel tank the number is generally stamped in the plastic Examples: R100A, R100, RH100VT, RHD125T (There will always be a letter followed by a ...
Reddy RLP35 space heater parts | Sears PartsDirect Reddy RLP35 space heater parts - manufacturer-approved parts for a proper fit every time! We also have installation guides, diagrams and manuals to help you along the way!
ai-team.it Heater Vent-Free 30,000 BTU Liquid Propane Radiant Heater, F299830 at Tractor Supply Co. Heater Big Buddy 3 Operating Instructions and Owner’s Manual CAUTION: •Some carpets or linoleum surfaces may discolor if heater is placed directly on these floor coverings. 00 (9% Off)Parts Power Tools Pressure Washers Safety Security Equipment Snow + Ice Removal …
 
     
     
     
     
     
     
     
    ![Reddy Heater Repair] Step By Step Tutorial [100,000BTU] - YouTube](https://i.ytimg.com/vi/53cFRPkpk1w/maxresdefault.jpg) 
     
     
     
     
     
     
     
     
     
    
0 Response to "43 reddy heater parts diagram"
Post a Comment