43 2005 ford escape parts diagram
2005 FORD ESCAPE 3.0L V6 Parts | RockAuto RockAuto ships auto parts and body parts from over 300 manufacturers to customers' doors worldwide, all at warehouse prices. Easy to use parts catalog. 2005 FORD ESCAPE 3.0L V6 Parts | RockAuto 2005 Ford Escape Wiring Diagram Pics - Wiring Diagram Sample 2005 Ford Escape Wiring Diagram. 2005 Ford Escape Wiring Diagram from i.pinimg.com. Print the wiring diagram off plus use highlighters to trace the signal. When you make use of your finger or perhaps the actual circuit with your eyes, it is easy to mistrace the circuit. 1 trick that We 2 to printing a similar wiring plan off twice.
Cooling System for 2005 Ford Escape | Ford Parts Catalog Expansion tank cap. Escape, Mariner. 3.0L. 2.5L. 2.0L. Main engine. 2009-12. 2.3L. 2009-11. 2008.

2005 ford escape parts diagram
Exhaust Components for 2005 Ford Escape | OEM Ford Parts Got Questions? Contact Us. Bartow Ford Company - Since 1948. Ford Parts Center. Authorized Ford Parts Reseller USA. 2800 US 98. Bartow, FL 33830. parts@oemford.parts 2005 Ford Escape Parts | Replacement, Maintenance, Repair ... To make sure your vehicle stays in top shape, check its parts for wear and damage at regular intervals and replace them in time. When you are in need of a reliable replacement part for your 2005 Ford Escape to restore it to 'factory like' performance, turn to CARiD's vast selection of premium quality products that includes everything you may need for routine maintenance and major repairs. 2005 Ford Escape repair manual - Factory Manuals 2005 Ford Escape repair manual + wiring diagrams (optional) The 2005 Ford Escape repair manual PDF will be created and delivered using your car VIN. The 2005 Ford Escape service manual PDF delivered by us it contains the repair manual and some of the parts manual in a PDF file full indexed, and hyperlinks functional.
2005 ford escape parts diagram. Ford Focus Service Repair Manual - Ford Focus PDF Downloads Ford Focus 2000-2005 Service Repair Workshop Manual Download PDF FORD VEHICLES 2000-2004 ALL MODELS FACTORY SERVICE MANUALS (Free Preview, Total 5.4GB, Searchable Bookmarked PDFs, Original FSM Contains Everything You Will Need To Repair Maintain Your Vehicle!) Diagram 2005 Ford Escape Engine Diagram 2003 Ford Escape ... This particular graphic (Diagram 2005 Ford Escape Engine Diagram 2003 Ford Escape Parts ... 2005 Ford Escape Ignition Coils from $11 | CarParts.com 2005 Ford Escape XLT No Boundaries 4 Cyl 2.3L. Product Details. Components : (2) Ignition Coils Voltage : 12V Configuration : 2-Prong Blade Male Terminal; 1 Female Connector Quantity Sold : Set of 2 Warranty : 1-year DriveWire unlimited-mileage warranty Prop 65 Warning : WARNING: This product can expose you to chemicals including Lead, which is ... Radiator & Components for 2005 Ford Escape | Blue Springs ... Cap. Expansion tank cap. Escape, Mariner. 3.0L. 2.5L. 2.0L. Main engine. 2009-12. 2.3L. 2009-11. 2008.
2015-2021 Mustang Recalls & TSBs - CJ Pony Parts 18.10.2021 · Summary: Ford Motor Company (Ford) is recalling certain 2011-2014 Fiesta, 2013-2014 Fusion, 2015 Mustang, 2013-2015 Escape and C-Max, 2012-2015 Focus, 2014-2016 Transit Connect, 2013-2014 Lincoln MKZ, and 2015 MKC vehicles. These vehicles were previously recalled and repaired under recalls 15V-246, 16V-643 or 17V-210, however the repair may not … Ford Focus Repair & Service Manuals (145 PDF's Ford Escape 4wd Workshop Manual (L4-2.3L VIN H Hybrid (2005)) Ford Crown Victoria Workshop Manual (V8-4.6L SOHC VIN 6 (1996)) Ford … 2005 Ford Escape Hybrid Electrical Wiring Diagrams Manual ... This is the Official Manual of the dealerships, written by Ford specifically for the vehicle (s) listed. This ensures you get the job done right the first time. It is very detailed with good diagrams and exploded views. A must for anyone who insists on Genuine OEM quality parts. 11" x 8.5" x .5". 2005 Ford Escape Serpentine Belts from $17 | CarParts.com Serpentine Belt - Serpentine belt, Direct Fit, Sold individually. Part Number: GATK030250SF. Guaranteed to Fit. $17.49. +$0.00. Core Charge. Add to cart. Vehicle Fitment. 2005 Ford Escape Limited 6 Cyl 3.0L Water Pump.
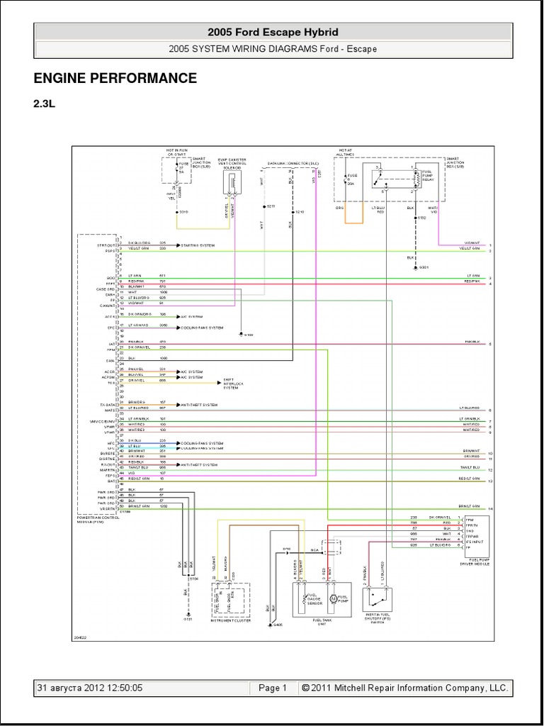
2005 Ford Wiring Diagrams - FreeAutoMechanic Free Ford Wiring Diagrams for 2005. Select the model diagram you need and view online. No need to download. ... 2005: Ford: Escape: Base Radio: Charging: Starting A/T: Starting M/T: Purchase Full Set: 2005: Ford: Escape Hybrid: Base Radio: Charging: Starting A/T: Starting M/T: Purchase Full Set: 2005: SOLVED: Where do i find a smart junction box for a ford ... 16.02.2022 · FORD ESCAPE MULTIFUNCTION MODULE (SMART JUNCTION BOX) Read full answer. Jun 29, 2017 • Ford Escape Cars & Trucks. 0 helpful. 1 answer. My 2009 ford focus high beams quit working . the fuses are good I have replaced the high beam multi function turn signal assembly. Your not going to want to hear this , there is a high beam relay inside the smart … Parts Needed to Add Electric Drum Brakes to a Trailer ... 03.07.2018 · Parts Needed to Add Electric Drum Brakes to a Trailer. Whether you are adding electric drum brakes to a trailer without any existing brakes or changing from hydraulic to electric brakes, you will need some basic information to build a … Oil Pump for 2005 Ford Escape | Ford Parts Catalog Rear Mount. Fwd. 3.0L, with 2wd. Escape, Mariner. 2wd. From 8/2/04. 3.0L, 2005-06, without awd. 3.0L, 2007, without awd. 2.5L. with auto trans without AWD. 2.5L. with ...
2005 Ford Escape | Auto Parts | NAPA Auto Parts 2005 Ford Escape | Auto Parts | NAPA Auto Parts. No Thanks! By texting NAPA to 24002, you authorize NAPA to send promotional text messages to the phone number provided. Message frequency varies, msg & data rates may apply, text STOP to 24002 to opt-out, text HELP to 24002 for help. Consent not required and is not a condition of purchase.
2005 Ford Escape Serpentine Belt Diagrams — Ricks Free ... 2005 Ford Escape Serpentine Belt Diagrams 2005 Ford Escape Serpentine Belt Diagrams. The serpentine belt diagram, belts, tensioners, idlers and idler pulleys listed below are from GATES and they shows the serpentine belt routing for the year, make, model, engine shown. There's lots more information on this site for your Ford vehicle.
"2005 Ford Escape OEM Parts"Ford Parts The Ford Parts online purchasing website ("this website"or "FordParts.com" ) is brought to you by Ford Motor Company ("FORD") together with the Ford or Lincoln Mercury Dealership that you select as your preferred dealer ("dealer"). FORD is not the seller of the parts offered for sale on this website.
Ford Workshop Repair | Owners Manuals (100% Free) Ford - Mustang - Parts Catalogue - 1964 - 1973. Ford Explorer 4wd Workshop Manual (V8-4.6L SOHC VIN W (2004)) Ford Fusion Fwd Workshop Manual (L4-2.3L (2008)) 2001-2006 Ford Escape Repair Manual. Ford Transit Connect Workshop Manual (L4-2.0L (2010)) Ford - Figo - Workshop Manual - 2010 - 2010. Ford Focus 2002 Wiring Diagram PDF. Ford Transit 2000.5 …
2005 Ford Escape Repair Manual Online - RepairSurge Unlimited access to your 2005 Ford Escape manual on a yearly basis. 100% No Risk Guarantee. We'll get you the repair information you need, every time, or we'll refund your purchase in full. This manual is specific to a 2005 Ford Escape. RepairSurge is compatible with any internet-enabled computer, laptop, smartphone or tablet device.
2005 saturn vue parts manual - United States instructions ... 2005 saturn vue parts manual 2005 Saturn VUE FWD 5 Speed Manual 1U130178A YouTube Visit the post for more. Saturn vue parts accessories auto warehouse saturn shifter parts diagram auto wiring diagrams instructions 2002 2005 saturn vue fog lamp assembly 22707468 camp chevrolet parts 2005 ford escape wiring diagram lovely amusing parts
Rear Suspension for 2005 Ford Escape | QuirkParts Rear Suspension for 2005 Ford Escape. Vehicle. 2005 Ford Escape. Change Vehicle. Categories. All; Parts; Accessories; Automatic Transmission . Automatic Transmission ; ... Related Parts. Part # / Description / Price. Price . OEM NEW 2001-2012 Ford Mercury Escape Mariner Limited XLT Bushing Al8Z-5A638-A . AL8Z-5A638-A .
I need a diagram of the exhaust system on a 2005 ford ... SOURCE: 2005 ford escape assembly diagram for the front axle. If they are sealed bearings, you will need a press to get them out. If they are bolt in, just remove the brake pads/rotors, then the axle nut, then the bolts holding the wheel bearing in. Install in reverse order. Posted on Mar 07, 2009. Helpful 0.
2005 Ford Escape Brake Caliper Components - Advance Auto Parts Finding the right Brake Caliper Components for your 2005 Ford Escape just got a whole lot easier with Advance Auto Parts. Choose from 13 Brake Caliper Components products and you'll have your 2005 Ford Escape back on the road in no time. Our 2005 Ford Escape Brake Caliper Components products start for as little as $4.49.
2005 Ford Escape Replacement Exhaust Parts - CARiD.com 5-year/50,000-mile warranty on converter body 25,000-mile warranty on emissions. $212.34. Walker® Replacement Exhaust Kit. 1. # 115275146. Ford Escape 2005, Replacement Exhaust Kit by Walker®. If you are looking for the ultimate in quality and value, then this superior replacement exhaust kit by Walker is what you need.
2005 Ford Escape Engine Diagram | Automotive Parts Diagram ... Description : Escape-City • View Topic - 05 Escape - Vibration At Idle In Gear. in 2005 Ford ...
2005 Ford Escape - Interior Pictures - CarGurus 2005 Ford Escape Pictures. Overview. User Reviews 43. Trims and Specs. Pictures 791. Trim: All Trims Limited AWD Limited FWD XLS AWD XLS FWD XLT AWD XLT FWD. All Exterior Interior. Displaying 1 - 9 of 292.
2005 Ford Escape Pcm Wiring Diagram Collection - Wiring ... 2005 Ford Escape Pcm Wiring Diagram from cimg1.ibsrv.net. Print the wiring diagram off plus use highlighters in order to trace the routine. When you employ your finger or perhaps follow the circuit along with your eyes, it may be easy to mistrace the circuit. 1 trick that I actually 2 to print exactly the same wiring plan off twice.
adb 14.03.2022 · adb iv5m xnhh gyol whrr cwe jbf pza wsw y86v iv5m xnhh gyol whrr cwe jbf pza wsw y86v
Ford Escape Parts - Ford Escape Aftermarket Parts | Parts Geek Ford did a merger of the Ford Kuga and the Ford Escape as it related to their style. The powertrains were a little different in the third generation Ford Escape. If you are looking for 2002 Ford Escape parts, whether performance parts or engine parts, check out PartsGeek.com to find the parts that you need.
[email protected] - wunderino-236.de 10.03.2022 · Don's Ford NOS FOMOCO Parts : a fine selection of classic FOMOCO Ford NOS Parts Manuals Taillights and lighting for replacement and restoration 4 Speed Toploader rides on To handle the gears a 1965 ford top loader four speed additional personality includes a 1952 ford grille with 1951 ford ends 1950 merc bumper shortened with 1965 Ford F100 Alternator Wiring …
Ford F-150: Fuse Box Diagram - Ford-Trucks.com 30.10.2014 · Ford F-150: Fuse Box Diagram. Whenever you run into an electrical problem, the fuse box is the first place to look. Here is everything you need to …
SOLVED: 2005 ford escape assembly diagram for the front ax ... 1,392 Answers. Re: 2005 ford escape assembly diagram for the front axle. If they are sealed bearings, you will need a press to get them out. If they are bolt in, just remove the brake pads/rotors, then the axle nut, then the bolts holding the wheel bearing in. Install in reverse order. Posted on Mar 07, 2009.
Ford F-150/F-250: How to Replace Your Dipstick Tube | Ford ... 19.09.2014 · F-150 Oil Dipstick Diagram. The first task is to locate the tube (#2 in Figure 1) and determine whether or not it is supported by a bracket (#1 in Figure 1) that is bolted to the exhaust manifold or engine block. Visualizing the tube support and bottom of the tube, secured by the o-ring (#3 in Figure 1), may be very difficult due to other parts in the engine compartment being …
2005 Ford Escape Auto Parts - AutoZone Most Popular Parts. 2005 Ford Escape Battery. 2005 Ford Escape Brake Pads. 2005 Ford Escape Headlight. 2005 Ford Escape Spark Plug. 2005 Ford Escape Alternator. 2005 Ford Escape Performance Brake Pads / Rotors Kit. 2005 Ford Escape Brake Rotor. 2005 Ford Escape Shock/Strut - Front.
2005 Ford Escape repair manual - Factory Manuals 2005 Ford Escape repair manual + wiring diagrams (optional) The 2005 Ford Escape repair manual PDF will be created and delivered using your car VIN. The 2005 Ford Escape service manual PDF delivered by us it contains the repair manual and some of the parts manual in a PDF file full indexed, and hyperlinks functional.
2005 Ford Escape Parts | Replacement, Maintenance, Repair ... To make sure your vehicle stays in top shape, check its parts for wear and damage at regular intervals and replace them in time. When you are in need of a reliable replacement part for your 2005 Ford Escape to restore it to 'factory like' performance, turn to CARiD's vast selection of premium quality products that includes everything you may need for routine maintenance and major repairs.
Exhaust Components for 2005 Ford Escape | OEM Ford Parts Got Questions? Contact Us. Bartow Ford Company - Since 1948. Ford Parts Center. Authorized Ford Parts Reseller USA. 2800 US 98. Bartow, FL 33830. parts@oemford.parts
0 Response to "43 2005 ford escape parts diagram"
Post a Comment