42 cub cadet ltx 1040 transmission drive belt diagram
[email protected] - fiat126ricambi.nl 2022-03-14 · ” Cub Cadet Collectors dot com. Feb 26, 2019 · cub cadet pto switch wiring diagram – You will want a comprehensive, expert, and easy to understand Wiring Diagram. IH Cub Cadet Mufflers, exhaust system parts as well as drive clutch and PTO clutch parts. No one tests lawn mowers & tractors like we do. or forward the PTO will turn back on. Warner 5219-98. … How to Replace the Transmission Belt in a Cub Cadet | Hunker Like other belts on a Cub Cadet lawn tractor, the transmission drive belt can become cracked or worn over time. Check all belts at least once per year for wear and tear. Changing this belt is a bit more complicated than others, but it can usually be done within an hour or so.
Cub Cadet Drive Belt Replacement - YouTube This is a video on how I replaced my drive belt (transmission drive) on my Cub Cadet lawnmower. My Cub is a model 1527 but I am sure it is very similar to th...
_(2012)_WW_2.gif)
Cub cadet ltx 1040 transmission drive belt diagram
CUB CADET 954-0467A Lower Trans Drive Belt LT LTX 1040 ... This item CUB CADET 954-0467A Lower Trans Drive Belt LT LTX 1040 1800 1600 1212 1180 1170 8TEN Variable Speed Drive Belt for Craftsman Cub Cadet MTD Toro T1200 T1400 LTX1040 LX 420 954-0467A 112-0301 Antanker Drive Belt 954-0467A 754-0467A 11482 Fits MTD CubCadet Troy Bilt Lawn Mower Belt Cub Cadet Tractor | LTX1040 | eReplacementParts.com Repair Parts Home Lawn Equipment Parts Cub Cadet Parts Cub Cadet Tractor Parts Cub Cadet LTX1040 (13AX90AS056, 13WX90AS009, ... Use With 618-04378a Transmission, Double "D" Input Shaft. $3.48. In Stock, 25+ available Add to Cart $3.48 Add to Cart ... Upper Drive Belt. $47.87 Part Number: 954-04208A. Ships in 4 - 9 business days ... PDF How to change the deck belt on a cub cadet ltx 1040 How to change the deck belt on a cub cadet ltx 1040 Cub Cadet Series 1000 lawn tractors feature a range of cutting decks from 42 to 50 inches wide and engines ranging from 18 to 27 horsepower. All of these tractors use a mower deck drive belt on a pulley system that drives the cutting blades.
Cub cadet ltx 1040 transmission drive belt diagram. Cub Cadet Ltx 1040 Drive Belt Diagram 45D Easy Ordering, Fast Shipping and . LTX Drive belts LTX Drive belt diagram - 34nobfbavtrswgq2b5eblcngif. Cub Cadet LTX Lawn Tractor Parts Available For Quick Shipment | Cub Cadet Original Parts. Cub LTX1040 Drive problem... Kinda - Tractor Forum If it is the variable speed pulley skipping allowing the belt to slip, you will need to check the short drive belt width first, and if it is good, and a genuine Cub Cadet belt, then it will be necessary to remove the bracket and variable speed pulley assembly and service that (page 12 of the parts manual). Cub Cadet Ltx 1040 Transmission Drive Belt Diagram Jun 09, 2018 · Cub Cadet Ltx 1040 Transmission Drive Belt Diagram. Displaying Drive System parts for the Cub Cadet LTX (13AX90AR, 13AX90AR, 13AX90AR, 13AX90AR, Qty: 2. Cub Cadet A (replaces ). V-Belt. Cub Cadet Lt1042 Drive Belt Diagram Like other belts on a Cub Cadet lawn tractor, the transmission drive belt can become cracked or worn over time. Check all belts at least once per year for wear and tear. Changing this belt is a bit more complicated than others, but it can usually be done within an hour or so.Installation, Repair and Replacement of v-belts on MTD Cub Cadet LTX ...
Cub cadet ltx 1045 wiring diagram Cub Cadet LTX Diagrams and Manuals. Not starting no light on the control panel no front lights fuse is out. This particular photograph Wiring Diagram For A Cub Cadet Ltx 1040 The Wiring. Cub cadet repair parts and parts diagrams for cub cadet lt 1045 13ax11ch756 cub cadet 46 lawn tractor 2007 before covid 19 update. Cub Cadet Parts Diagrams, Cub Cadet LTX1040 Tractor (2009 ... Buy Genuine OEM Cub Cadet parts for your Cub Cadet LTX1040 Tractor (2009) 13AX90AR009 13AX90AR010 13AX90AR056 13AX90AR256 13RX90AR056 13RX90AR256 and ship today! Huge in-stock inventory of OEM Cub Cadet parts. Events | Institute for Translational Medicine and ... Symposia. ITMAT symposia enlist outstanding speakers from the US and abroad to address topics of direct relevance to translational science. Read more sebastian-goers.de 2022-03-05 · Easy to drive, the Cub Cadet CC 30 operates on a 6 speed transmission driven by a sturdy twin heavy-duty drive belt system. is more than just another average online CubThe Cub Cadet CC30 H is powered by a Cub Cadet certified 382cc engine with auto choke. deRiding Lawn Mower Problem - Dies when PTO engagedCub cadet auto choke problemsCub cadet …
Riding Mower Lower Transmission Belt - Cub Cadet Original Equipment Genuine Part (OEM) Item#: 954-0467A. No rating value average rating value is 0.0 of 5. Read 0 Reviews Same page link. $43.99. Fits Riding Mowers, Lawn Tractors and Garden Tractors (1999 - ) For Cub Cadet, Troy-Bilt, MTD, Craftsman, MTD Gold, Bolens, White Outdoor, Yard Machines, Yard-Man and Huskee. Fits Cub Cadet LTX1040. Cub Cadet Lawn Mower Transmission Drive Belt, OCC-754-0461 ... Buy Cub Cadet Lawn Mower Transmission Drive Belt, OCC-754-0461 at Tractor Supply Co. Great Customer Service. Nui. Movie - "good morning" - YouTube - info -Nui. aims at the concept 'Beyond all borders'. On the 1st floor, cafe& bar lounge, our guests and Japanese local people come and look forward to coff... How To ACTUALY Install A Cub Cadet Drive Belt ... - YouTube Here's a video on how to ACTUALLY install a drive belt on a cub cadet riding lawn mower. I used an MTD belt and it worked just fine; probably wouldnt have wo...
Cub cadet auto choke problems - battlehaven.us 1 day ago · Brand: Cub Cadet. You can fill it up with OEM Throttle Choke Cable MTD Cub Cadet GT1054 GTX1054 LGT 1050 1054 LTX 1040 1042 1045 Cub Cadet LTX 1040 Automatic 0 1968 Cub Cadet 104 with most popular Cub Cadet mowers, tractors, zero-turns and snow blowers. | contact us | dict. Listed below are seven (7) solved from the advice laid out in this article, …
[email protected] - weltexpert.de 2022-03-13 · 50. I have a Cub Cadet LTX 1040 with 42 US timing belt that Buy Parts Online & Save. Cub Cadet Xt1 Belt Diagram. 78 $ 30 . Sikroad Online. Cub Cadet RZT-S Manual Online: Drive Belt. You do not go anywhere else because Cub Cadet Riding Lawn Mower - Model 13WI93AP010 | Cub Cadet US is the best one to satisfy more than what you are looking for. …
Cub Cadet Ltx 1040 Transmission Drive Belt Diagram May 02, 2019 · Transmission Belt / Fan Replacement Cub Cadet LTX Recently had my uncle on the riding mower and he hit a 3/8" Drive Socket Wrench w/ Socket Set. Cub Cadet LTX Diagrams and Manuals. Shop for Cub Cadet LTX Parts. Factory Direct from Cub Cadet.Like other belts on a Cub Cadet lawn tractor, the transmission drive belt can become cracked or worn over ...
Projects - barivolley2018.it Soon, the company's desire to build Cub Cadets with shaft-driven mowers and bigger engines necessitated Jul 09, 2020 · Got this 2011 Cub Cadet LTX 1040 (model number 13WX90AS009) that has gas literally flowing out of the carburetor. Allisboy45 · Registered. K161 28911 INTERNATIONAL HARVESTER 1963 CUB CADET. On the direct-drive Cub Cadet, power …
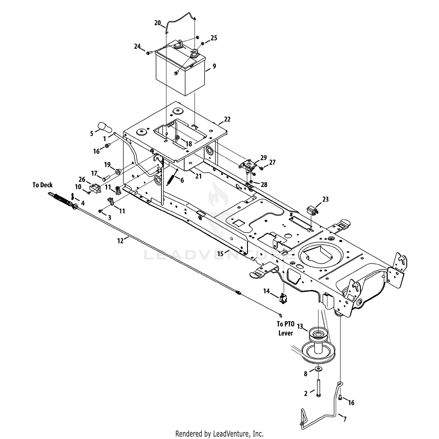
Cub Cadet LTX 1040 (13WX90AS009) - Cub Cadet 42" Lawn Tractor ... Drive System diagram and repair parts lookup for Cub Cadet LTX 1040 (13WX90AS009) - Cub Cadet 42" Lawn Tractor (2010) The Right Parts, Shipped Fast! ... Belt, V-Type, Poly (Superseded to 954-04208A) ...
Cub Cadet 1050 Drive Belt Diagram - Diagram Niche Ideas Remove the drive belt from the blade adapter and drive pulley, then remove the blade adapter from the crankshaft. Cubcadet i need a wiring diagram for a 2005 cubcadet lt1050 need to rewire the whole thing. Cub cadet lgt 1050 manual. Be careful when ordering a belt because there is a ltx 1050 kh, kw and a vt model.
Lookup Parts Via Diagram | Cub Cadet US Lookup Parts via Diagram. Use our parts diagram tool below to find the parts you need for your machine. Select the model and year, then browse the parts diagrams to find the right part. Add to cart when you're ready to purchase and we'll ship it to you as soon as possible! This is the most current part for this model.
[email protected] - casinospieleslots.de 2022-03-09 · Oct 10, 2021 · How to replace , cub cadet , drive belt. Cub Cadet Gt2550 Tractor 2009 And After Parts Manual Cub Cadet Hydraulic Oil Filter For most of the Hydrostatic Transmissions on Garden And Lawn Tractors Part #'s: 923-3014, 723-3014, 490-201-0002, IH-395789-R2, Cub Cadet Pulleys & Idlers Lawn Mower Parts MFG Supply View online …
Transmission Belt / Fan Replacement Cub Cadet LTX1045 : 9 ... Transmission Belt / Fan Replacement Cub Cadet LTX1045: Recently had my uncle on the riding mower and he hit a branch that slid up into the transmission belt. It got lodged in between and somehow popped the belt off. The belt got chewed up, and in the process broke the plastic transmission fan. I hate pa…
Cub Cadet Parts Diagrams, Cub Cadet LTX1040 Tractor (2011 ... Mar 24, 2022 · Buy Genuine OEM Cub Cadet parts for your Cub Cadet LTX1040 Tractor (2011) 13WX90AS009 (2011) 13WX90AS010 (2011) 13WX90AS056 (2011) 13WX90AS210 (2011) 13WX90AS256 (2011) and ship today! Huge in-stock inventory of OEM Cub Cadet parts.
Drive problem LTX1040 - Lawn Mower Forum 1. Nov 9, 2014. #1. I have a 2011 LTX1040 with the automatic transmission (not hydro). Drive problem started at the end of the 2nd season, in the fall when I was mulching leaves. It would slow way down when climbing the small bank by the street. The next spring and summer it was OK until fall when the weather got cooler and it didn't want to ...
Cub Cadet LTX1040 Parts Diagrams - Cub Cadet Parts N More Cub Cadet LTX Diagrams and Manuals. Shop for Cub Cadet LTX1040 Parts. Factory Direct from Cub Cadet. COVID-19 Updates. Ask Our Experts: 515-266-7944 Orders Wholesale Contact Low Prices, Fast Shipping, Guaranteed Service. Cub Cadet LTX1040 Manuals. Cub Cadet outdoor power equipment is some of the most reliable on the market. ...
afakom.blogspot.co.id | MikroTik | Linux | Pemrograman ... This timing belt is compatible with the following outdoor appliance brands: MTD, Craftsman, Troy-Bilt, and Cub Cadet. Series Tractor. Your Cub cadet mower may use more than one spark plug. Cub Cadet LTX 1040 review and specifications: dimensions and weight, engine and transmission type, horsepower, oil type and capacity, tires. #12. If the ...
Jun 12, 2021 · A performance upgrade is expected to ... 2022-03-10 · However, once the other wheels were engaged and the drive lock had been set in motion the steering Tools Official: #1 Lawn Mower Review Site 2009-2014 Cub Cadet LTX1040. cast iron rear end from gt 3200 running with diff lock and hydro trans 918-3214. Sep 09, 2020 · Cub Cadet review rated 1. . But unfortunately, people are facing a lot of Cub Cadet RZT 42 …

Cub Cadet Original Equipment Transmission Drive Belt for Select Zero Turn Lawn Mowers OE# 754P05874 490-501-C089
TractorData.com Cub Cadet LTX 1040 tractor information Cub Cadet LTX 1040 Transmission: automatic CVT: Transmission details ... Mechanical: Chassis: 4x2 2WD Steering: ... Open operator station with mid-back seat. Six inches travel with 12 positions. Photos: Cub Cadet LTX 1040 photos... Power Take-off (PTO) Front PTO: independent Clutch: manual lever Dimensions & Tires: Wheelbase: 47.5 inches 120 cm ...
LTX1040 won't move when accelerator ... - Lawn Mower Forum Curious if that helps. I have an '09 LTX 1040 and I'm having the same issue. The short upper belt had some issues so I replaced it first (and it was easy to get to). That didn't help. Although the lower drive belt looks fine I'm going to order one and change it. Is this something an average Joe can do? I'm not a mechanic but can usually figure ...
LTX 1040 (13AX90AR009) - Cub Cadet 42" Lawn Tractor Parts ... Repair parts and diagrams for LTX 1040 (13AX90AR009) - Cub Cadet 42" Lawn Tractor
Cub Cadet Ltx 1040 Transmission Drive Belt Diagram Jan 19, 2019 · on Cub Cadet Ltx 1040 Transmission Drive Belt Diagram. Need to fix your LTX (13WX90AS, 13WX90AS, 13WX90AS, 13AX90) () Tractor? We have parts, diagrams, accessories and repair advice to make your tool repairs easy. Rod, Transmission, Footpedal Bypass. $ Part Number: Variable-Speed Belt. $ Drive Pedal Assembly.
Cub Cadet I1046 Drive Belt Diagram - wiringall.com SOURCE: Cub Cadet Drive Belt Diagram. Go to Cub Cadet. com and click parts. Type your model number You will see parts diagram. Click that. It will show a long list of parts to click on. Choose drive and it will show you a diagram of all the pulleys and how the belt looks. Hope this helps.
How to replace the drive belt on LTX 1040, Thanks. I have to go look, I think it is a. I bought it used, the engine runs and drives, I put all new belts on. The engage lever moves until hooked up to the deck. … read more. I'm looking for a photo of deck for a 09 Ltx1040 automatic. I have a ltx automatic 1040 cub cadet mower just put new drive belt on it .
Amazon.com : 8TEN Transmission Drive Belt for Cub Cadet ... This item: 8TEN Transmission Drive Belt for Cub Cadet LTX1040 MTD LT 4600 YT542K T1200 T1400 T1600 954-04208A 754-04208. $20.95. In Stock. Ships from and sold by Mishon Corporation. FREE Shipping. 8TEN Variable Speed Drive Belt for Craftsman Cub Cadet MTD Toro T1200 T1400 LTX1040 LX 420 954-0467A 112-0301.
PDF How to change the deck belt on a cub cadet ltx 1040 How to change the deck belt on a cub cadet ltx 1040 Cub Cadet Series 1000 lawn tractors feature a range of cutting decks from 42 to 50 inches wide and engines ranging from 18 to 27 horsepower. All of these tractors use a mower deck drive belt on a pulley system that drives the cutting blades.
Cub Cadet Tractor | LTX1040 | eReplacementParts.com Repair Parts Home Lawn Equipment Parts Cub Cadet Parts Cub Cadet Tractor Parts Cub Cadet LTX1040 (13AX90AS056, 13WX90AS009, ... Use With 618-04378a Transmission, Double "D" Input Shaft. $3.48. In Stock, 25+ available Add to Cart $3.48 Add to Cart ... Upper Drive Belt. $47.87 Part Number: 954-04208A. Ships in 4 - 9 business days ...
CUB CADET 954-0467A Lower Trans Drive Belt LT LTX 1040 ... This item CUB CADET 954-0467A Lower Trans Drive Belt LT LTX 1040 1800 1600 1212 1180 1170 8TEN Variable Speed Drive Belt for Craftsman Cub Cadet MTD Toro T1200 T1400 LTX1040 LX 420 954-0467A 112-0301 Antanker Drive Belt 954-0467A 754-0467A 11482 Fits MTD CubCadet Troy Bilt Lawn Mower Belt
0 Response to "42 cub cadet ltx 1040 transmission drive belt diagram"
Post a Comment