45 1996 toyota corolla fuse box diagram
17 May 2021 — Fuse Box Diagram, Toyota. by Pad Rust. Toyota Corolla 1996 Side Kick Panel Fuse Box/Block Circuit Breaker Diagram ... 22/11/2021 · Technological innovation has developed as engines have grown to be a lot more advanced. 1996 1997 Toyota Corolla Vehicle Wiring Chart and Diagram. You'll need to do an Internet search using Google or Yahoo, or look on Alibaba, Amazon, or Google. Free within International Prostar Wiring Diagram, image size 640 X 484 px, and to view image details please click the image. is the short …
Toyota Corolla - fuse box diagram - engine compartment - location. Y: Holden Commodore VS Sedan 3. 0 alpha is here. A. There may be several plugs you need to rob off an ecotec loom such as the alternator wiring harness to main loom (most likely for the fuse box). VS commodore wiring diagram 29-01-11, 10:45 AM any one got a wiring diagram for one, need to sort out a issue with a friends ...

1996 toyota corolla fuse box diagram
Cadillac FLEETWOOD fuse box diagram. Cadillac Fleetwood (1996) – fuse box diagram - download. Cadillac Fleetwood (1995) – fuse box diagram - download 07/12/2015 · Toyota Corolla (1992 – 1996) – fuse box diagram. Year of production: 1992, 1993, 1994, 1995, 1996. Interior fuse box Driver’s side kick panel 23/11/2021 · How to troubleshoot engine compartment fuse box on 1997 Toyota camry? 3 years ago. Reply; HayleyWhere is the starter ground cable in a camry? 3 years ago. Reply; PandoraWhere are the fuses located for SRS system on a 2005 camry XLE? 3 years ago. Reply; derekWhere is the ecm relay on a 2012 camry? 3 years ago. Reply; Louise RandolphHow to test electrical system camry? 3 years …
1996 toyota corolla fuse box diagram. Toyota Corolla EA 100 represents the seventh generation of the Corolla model range, produced in 1991, 1992, 1993, 1994, 1995, 1996, 1997, 1998, 1999, ... Built: 277,774. The other fuse box is located in the engine compartment near the battery. Toyota Corolla - fuse box diagram - engine compartment - B (hatchabk, sedan). 12 Download File PDF Vs Commodore Wiring Diagram Vs Commodore Wiring Diagram Thank you unconditionally much for downloading vs commodore wiring diagram. There is a large fuse box under the bonnet, there is one … 11/07/2018 · Jeep Cherokee XJ (1984 – 1996) – fuse box diagram. Year of production: 1984, 1985, 1986, 1987, 1988, 1989, 1990, 1991, 1992, 1993, 1994, 1995, 1996 Toyota 4Runner (N210; 2003-2009)…>> Fuse box diagram (location and assignment of electrical fuses and relay) for Toyota 4Runner (N210; 2003, 2004, 2005, 2006, 2007 ...
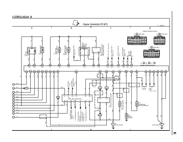
19 Mar 2018 — Fuse Box Layout Toyota Corolla Right-hand Drive and Left-hand Drive (E110; 1995, 1996, 1997, 1998, 1999, 2000, 2001, 2002) Body Types: ... 28 Nov 2019 — Toyota Corolla Fuses and relays diagrams with the left and right-hand drive (E110; 1995, 1996, 1997, 1998, 1999, 2000, 2001, 2002) in the ... Free Wiring Diagram For 1974 C10 Fuse Box To Engine Coler Code Memphis Audio Prx570c Wiring Diagram; 2007 Nissan Maxima 'Nissan Wiring Fuse Box Diagram Nissan Pathfinder 2000 Vw May 10th, 2018 - Fuse box diagram nissan pathfinder 2000 vw along with honda accord 2 3 2006 specs and images further 453842 where is the fuel pump relay located on a 91 a together with 1999 ford … For Toyota Corolla 1991, 1992, 1993, 1994, 1995, 1996, 1997 model year, E100 chassis. Fuse box in engine compartment. fuse box location. Fuse box diagram. №1.
20/11/2021 · Apr 26, 2019 · 2006 Pontiac G6 Fuse Box Diagram Wiring Schematic Diagram Fuse Box Diagram 1996 Nissan Maxima Keyless Entry 2006 Nissan 2018 (315) December (27 ) NISSAN Car Fault Codes DTC - Primera, Qashqai, Almera, Juke, Murano, Patrol, X-Trail, Pathfinder, Sunny, Tiida, Teana, AD NISSAN Engine malfunctions. Intelligent Key System allows you to lock and unlock the door just … 21 Dec 2013 — The fuse box is located on the driver side of the dash, below the steering column. 1993-1996 Toyota Corolla Driver Side Fuse Box. Fuse, Fuse ... 23/11/2021 · How to troubleshoot engine compartment fuse box on 1997 Toyota camry? 3 years ago. Reply; HayleyWhere is the starter ground cable in a camry? 3 years ago. Reply; PandoraWhere are the fuses located for SRS system on a 2005 camry XLE? 3 years ago. Reply; derekWhere is the ecm relay on a 2012 camry? 3 years ago. Reply; Louise RandolphHow to test electrical system camry? 3 years … 07/12/2015 · Toyota Corolla (1992 – 1996) – fuse box diagram. Year of production: 1992, 1993, 1994, 1995, 1996. Interior fuse box Driver’s side kick panel
Cadillac FLEETWOOD fuse box diagram. Cadillac Fleetwood (1996) – fuse box diagram - download. Cadillac Fleetwood (1995) – fuse box diagram - download
0 Response to "45 1996 toyota corolla fuse box diagram"
Post a Comment