Iklan 300x250

41 stihl br420c magnum parts diagram

Latin for "great, large, big" (of size), "great, considerable" (of value), "strong, powerful" (of force); of persons, "elder, aged," also, figuratively, "great, mighty, grand, important," neuter singular of magnus, from suffixed form of PIE root *meg- "great." From 1788 in English as "large wine-bottle," usually containing two quarts. As the name of a powerful type of handgun, registered 1935 by Smith & Wesson Inc., of Springfield, Massachusetts. Magnum opus "masterpiece, a person's greatest work," is literally "great work" (see opus).

Stihl Leaf Blower Spare Parts List Diagram Part Number Manual Book BR106 BR 106 ... Stihl BR420C Magnum Backpack Leaf Blower · Stihl BR 550 Backpack Leaf ...

1918 (Venn's diagram is from 1904), named for English logician John Venn (1834-1923) of Cambridge, who explained them in the book "Symbolic Logic" (1881).

Stihl br420c magnum parts diagram

Stihl br420c magnum parts diagram

Results 1 - 16 of 165 — Amazon.com: stihl br420 blower parts. ... for Stihl Blower BR320 BR320L SR320 BR340 BR340L BR380 BR400 BR420 BR420C SR400 SR340 SR420.

"in two parts, having two corresponding parts," 1570s, from Latin bipartitus "divided," past participle of bipartire "to divide into two parts," from bi- "two" (see bi-) + partitus, past participle of partiri "to divide" (from pars "a part, piece, a share," from PIE root *pere- (2) "to grant, allot"). Related: Bipartition.

also p.p.m., abbreviation of parts per million, attested by 1913.

Stihl br420c magnum parts diagram.

Shop great deals on Stihl Br420 In Leaf Blower & Vacuum Parts. Get outdoors for some landscaping or spruce up your garden! Shop a huge online selection at ...

1610s, "an illustrative figure giving only the outlines or general scheme of the object;" 1640s in geometry, "a drawing for the purpose of demonstrating the properties of a figure;" from French diagramme, from Latin diagramma "a scale, a musical scale," from Greek diagramma "geometric figure, that which is marked out by lines," from diagraphein "mark out by lines, delineate," from dia "across, through" (see dia-) + graphein "write, mark, draw" (see -graphy). Related: Diagrammatic; diagrammatically. The verb, "to draw or put in the form of a diagram," is by 1822, from the noun. Related: Diagrammed; diagramming.

Find parts in the Stihl BR420 backpack blower parts list below and find where to purchase them online. 4203 141 0301 Air Filter 4203 120 1500 Pre Filter 4203 ...

Apr 22, 2015 · Stihl Br420c Magnum Parts Diagram. From chainsaws and string trimmers to pressure washers and leaf blowers, Stihl outdoor power tools are designed for reliability and built for the long haul. General. Category. 1 product rating. Stihl Br420c Magnum Parts Diagram. PT Monday through Friday.

1940, American English, of automobile parts, from after + market.

1703, "union of parts, parts of a thing taken together," from French ensemblée "all the parts of a thing considered together," from Late Latin insimul "at the same time," from in- intensive prefix + simul "at the same time," related to similis "like, resembling, of the same kind" (see similar). Musical sense of "union of all parts in a performance" in English first attested 1844. Of women's dress and accessories, from 1927. Earlier in English as an adverb (mid-15c.), "together, at the same time."

See the appropriate section of your owner`s manual for a description of the controls and function of the parts of your machine. Safe use of a blower involves. 1 ...74 pages

"personal qualities, gifts of ability, share of mental endowments or acquirements," 1560s, from part (n.).

Find all the parts you need for your Stihl Leaf Blower BR 420 C at RepairClinic.com. We have manuals, guides and of course parts for common BR 420 C problems.

Find all the Stihl - Aftermarket Leaf Blower Parts and Accessories you need, with fast shipping and low prices!

1580s, "to make a map or diagram of, lay down on paper according to scale;" also "to lay plans for, conspire to effect or bring about" (usually with evil intent), from plot (n.). Intransitive sense of "to form a plan or device" is from c. 1600. Related: Plotted; plotter; plotting.

"pertaining to schemes," 1701, from Latin stem of scheme (n.) + -ic. Noun meaning "diagram" is first attested 1929. Related: Schematical (1670s).

Carburetor Kit For Stihl MS270 MS280 MS 270C 280C Parts Fuel ...

Carburetor kit for stihl ms270 ms280 ms 270c 280c parts fuel ...

Select a page from the Stihl BR 420 C Backpack Blower diagram to view the parts list and exploded view diagram. All parts that fit a BR 420 C Backpack Blower ...

PRINTED 1999 STIHL HS 75, 80 HEDGE TRIMMER INSTRUCTION ...

Printed 1999 stihl hs 75, 80 hedge trimmer instruction ...

Stihl BR 420 Backpack Blower (BR 420) Parts Diagram ...

Stihl br 420 backpack blower (br 420) parts diagram ...

Stihl Br420 Backpack Blower Parts Diagram | Ville du Muy

Stihl br420 backpack blower parts diagram | ville du muy

Stihl BR 340, 340 L, 420, 420 C Parts List - Chainsaw ...

Stihl br 340, 340 l, 420, 420 c parts list - chainsaw ...

Stihl BR 600 MAGNUM | Parts List

Stihl br 600 magnum | parts list

STIHL BLOWER REPAIR / BR420 MAGNUM / DIAGNOSIS / TEARDOWN AND COMPLETE  ENGINE RESEAL / IN 1080HD

Stihl blower repair / br420 magnum / diagnosis / teardown and complete engine reseal / in 1080hd

Stihl BR 340, 340 L, 420, 420 C Parts List - Chainsaw ...

Stihl br 340, 340 l, 420, 420 c parts list - chainsaw ...

Stihl Br 350 Backpack Blower Parts Diagram | SEMA Data Co-op

Stihl br 350 backpack blower parts diagram | sema data co-op

Stihl BR 420 C Backpack Blower (BR 420 C) Parts Diagram ...

Stihl br 420 c backpack blower (br 420 c) parts diagram ...

Echo SRM-410U - Echo Brush Cutter (SN: T75313001001 ...

Echo srm-410u - echo brush cutter (sn: t75313001001 ...

Stihl Br 350 Backpack Blower Parts Diagram | SEMA Data Co-op

Stihl br 350 backpack blower parts diagram | sema data co-op

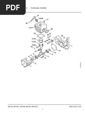
BR340-BR340L-BR380-BR420-BR420C - 4203 - Parts Manual

Br340-br340l-br380-br420-br420c - 4203 - parts manual

Stihl MS 440 Chainsaw (MS440 RZ Magnum) Parts Diagram ...

Stihl ms 440 chainsaw (ms440 rz magnum) parts diagram ...

came motor spare parts page 001bx704als bx704als | Emporio ...

Came motor spare parts page 001bx704als bx704als | emporio ...

Stihl BR 420 Backpack Blower (BR 420) Parts Diagram

Stihl br 420 backpack blower (br 420) parts diagram

BR340-BR340L-BR380-BR420-BR420C - 4203 - Parts Manual

Br340-br340l-br380-br420-br420c - 4203 - parts manual

Stihl BR 420 Backpack Blower (BR 420) Parts Diagram, Control ...

Stihl br 420 backpack blower (br 420) parts diagram, control ...

Stihl BR 420 C Backpack Blower (BR 420 C) Parts Diagram ...

Stihl br 420 c backpack blower (br 420 c) parts diagram ...

Stihl BR 340, 340 L, 420, 420 C Parts List - Chainsaw ...

Stihl br 340, 340 l, 420, 420 c parts list - chainsaw ...

Stihl BR 420 C Backpack Blower (BR 420 C) Parts Diagram

Stihl br 420 c backpack blower (br 420 c) parts diagram

BR340-BR340L-BR380-BR420-BR420C - 4203 - Parts Manual

Br340-br340l-br380-br420-br420c - 4203 - parts manual

Stihl Br 350 Backpack Blower Parts Diagram | SEMA Data Co-op

Stihl br 350 backpack blower parts diagram | sema data co-op

Stihl BR 420 Backpack Blower (BR 420) Parts Diagram, Control ...

Stihl br 420 backpack blower (br 420) parts diagram, control ...

BR340-BR340L-BR380-BR420-BR420C - 4203 - Parts Manual | PDF ...

Br340-br340l-br380-br420-br420c - 4203 - parts manual | pdf ...

BR340-BR340L-BR380-BR420-BR420C - 4203 - Parts Manual

Br340-br340l-br380-br420-br420c - 4203 - parts manual

Stihl BR 420 C Backpack Blower (BR 420 C) Parts Diagram ...

Stihl br 420 c backpack blower (br 420 c) parts diagram ...

Stihl SR 450 Mistblower (SR450) Parts Diagram, Spacer Flange

Stihl sr 450 mistblower (sr450) parts diagram, spacer flange

Amazon.com: ApplianPar Carburetor Carb Kit 1128-120-0623 for ...

Amazon.com: applianpar carburetor carb kit 1128-120-0623 for ...

Stihl Br600 Backpack Blower Parts Diagram | SEMA Data Co-op

Stihl br600 backpack blower parts diagram | sema data co-op

Stihl BR 420 Backpack Blower (BR 420) Parts Diagram

Stihl br 420 backpack blower (br 420) parts diagram

Stihl Br 350 Backpack Blower Parts Diagram | SEMA Data Co-op

Stihl br 350 backpack blower parts diagram | sema data co-op

Stihl BR 420 C Backpack Blower (BR 420 C) Parts Diagram

Stihl br 420 c backpack blower (br 420 c) parts diagram

Stihl BR 340, 340 L, 420, 420 C Parts List - Chainsaw ...

Stihl br 340, 340 l, 420, 420 c parts list - chainsaw ...

Stihl BR 420 Backpack Blower (BR 420) Parts Diagram, Air Filtter

Stihl br 420 backpack blower (br 420) parts diagram, air filtter

Stihl BR 420 Backpack Blower (BR 420) Parts Diagram, Backplate

Stihl br 420 backpack blower (br 420) parts diagram, backplate

Chainsaw Carburetor Kit Carb Parts Fits For Stihl MS290 MS310 ...

Chainsaw carburetor kit carb parts fits for stihl ms290 ms310 ...

Stihl BR 420 C Backpack Blower (BR 420 C) Parts Diagram ...

Stihl br 420 c backpack blower (br 420 c) parts diagram ...

Stihl BR 420 Backpack Blower (BR 420) Parts Diagram ...

Stihl br 420 backpack blower (br 420) parts diagram ...

Stihl Br 350 Backpack Blower Parts Diagram | SEMA Data Co-op

Stihl br 350 backpack blower parts diagram | sema data co-op

0 Response to "41 stihl br420c magnum parts diagram"

Post a Comment

Iklan Atas Artikel

Iklan Tengah Artikel 1

Iklan Tengah Artikel 2

Iklan Bawah Artikel