Iklan 300x250

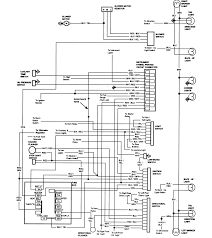
41 early bronco steering column diagram

Dana 30 knuckle diagram. 3995 this steering column mounting bracket is for 66 77 broncos using a flaming river or any other 2 aftermarket or oem tilt steering column. Your source for 1966 1979 early full size ford bronco parts and classic ford bronco 4x4 accessories. Steering columns and parts for 66 77 early ford broncos. Come with me as I rebuild the column off my 68 Bronco

7 Jan 2013 — Steering Column Rebuild - TIPS - 3 speed manual Bronco Tech. ... signal assembly housing which gets bolted to the column and secured the ...

Early bronco steering column diagram

Early bronco steering column diagram

I took apart my column on my 73 Automatic Bronco Explorer and it's not going back together so well. When I tighten the wheel, the shroud berind the wheel ... Bronco & Ford Truck Experts · Mon-Fri 12pm-5pm EST Sat-Sun Closed Steering Column Exploded Diagram?? I took apart my column on my 73 Automatic Bronco Explorer and it's not going back together so well. When I tighten the wheel, the shroud berind the wheel drags on the colum housing. I think I am missing something...

Early bronco steering column diagram. Part #1 of WILD HORSES 4x4 steering column repair. Jim shows you how to install a new shift collar on an early Bronco.Steering Column Parts: https://www.wild... Bronco & Ford Truck Experts · Mon-Fri 12pm-5pm EST Sat-Sun Closed May 3, 2012 - Dont need an actual diagram if someone just happens to know what colors are supposed to be for what without having to tear down my steering column chasing wires in the limited work time i have to get it back on the road! Thanks much all · SOLD** 1989 Bronco XLT - 7.3 idi NA / ZF5 speed parked ... September 3, 2004 - I need to rebuild a three on the tree steering column on my 70 eb. How good are the rebuild kits? and is it an easy process? or any other suggestions. Thanks for your time

Nov 10, 2013 - exploded views for the 1990 Ford F250 tilt from steeringcolumnservices.com! 13 May 2012 — Steering Column Re-assembly Bronco Tech - Archives. ... Early 1966 U14, All Stock, Uncut, 170cid I6 '66 Photo Album 1970 U15, NP435, D20, ... early bronco steering column. Jump to Latest Follow 1 - 5 of 5 Posts. S. speedy ... There is a wiring diagram floating around somewhere on the net. Only have to swap a couple wires, and plug in the horshoe clip (depending if your buddies Bronco is 74-77). 66-73 used a square wiring harness connector under the dash and will require cut and splice. BroncoHQ.com is a huge Early Bronco Site and is the premier provider of technical information for 1966-77 Ford Broncos and a prime desitnation for clubs, parts, for sale listings, events and pictures. Home > Tech Info > Diagrams & Info > 66 - 77 Shop Manual Pages: Tech Info Main Page. 1966-96 Diagrams. Sales Brochures . 66 - 77 Shop Manual ...

We've detected some suspicious activity coming from your IP address and have temporarily blocked it as a security precaution. Please check the box to let us know you're human (sorry, no robots allowed) Body Manuals & Diagrams 86-96-Bronco-Body-Manuals.pdf. This complete manual for the 1986-1996 Ford Bronco Includes. 80 Column Rebuild Manual. ID Chart Manual. Body Chasis & Diagrams 86-96-Bronco-Chasis-Manualsv1.pdf. This complete manual for the 1986-1996 Ford Bronco Includes. Borg-Warner 1345 Transfer Case Manual. 208 Transfer Case Manual. While the Ford Bronco steering system features a number of complex parts, many of them depend on the steering column in order to function properly. Bronco Steering Columns are responsible for connecting the steering wheel to the rest of the interior steering components, which will allow your wheels to follow the commands of the steering wheel. sales@bcbroncos.com accounting@bcbroncos.com Order Line: 888-304-2945 Tech Line: 830-367-1300 · WARNING: The products on this site can expose you to certain chemicals, which are known to the State of California to cause cancer or birth defects or other reproductive harm.

31 Early Bronco Steering Column Diagram - Wiring Diagram ...

31 Early Bronco Steering Column Diagram - Wiring Diagram ...

Update your stock steering column with a new Tilt Steering Column from TBP, or replace your worn out column with a rebuilt factory steering column. We also offer the components needed to rebuild your original column yourself. Top it off with a custom steering wheel or an OE style replacement ...

black car steering wheel

black car steering wheel

1966-1977 Early Ford Bronco Steering Columns & Parts. Shop Parts / 1966-77 Early Bronco / STEERING COLUMNS. Stock Column Manual. Stock Column Auto. Steering Wheels & Horn Pads. Steering Shafts. Tilt Columns.

Steer Horn Armchair (1870/80) // Artist unknown American, 19th century Texas

Steer Horn Armchair (1870/80) // Artist unknown American, 19th century Texas

WILD HORSES has worked with IDIDIT to bring you Direct Fit steering columns. These columns will replace your bone stock 74-77 column with zero modifications. It's 2.25 OD just like your factory column. Bolt your stock steering wheel on, plug in your stock wiring, bolt the column into the stock ...

31 Early Bronco Steering Column Diagram - Wiring Diagram ...

31 Early Bronco Steering Column Diagram - Wiring Diagram ...

steering column parts, replacement, & how to instructions from steeringcolumnservices.com!

Street Champion (1986) // Earlie Hudnall, Jr. American, born 1946

Street Champion (1986) // Earlie Hudnall, Jr. American, born 1946

Flaming River has designed a Direct Tilt Steering Column to fit the 1966-77 Bronco with mounts on the column for easy installation. This column is sold as a kit with a slip shaft and universal joint, floor mount and wiring connector to ease installation and provide a collapsible shaft.

Column-Krater (Mixing Bowl) (about 450 BCE) // Attributed to the Painter of London E 489 Greek; Athens

Column-Krater (Mixing Bowl) (about 450 BCE) // Attributed to the Painter of London E 489 Greek; Athens

14 Mar 2017 — I decided to rebuild my steering column. I had a little slop and my horn did not work. The online diagrams are hard to read and these bronco ...

woman sitting on bench over viewing mountain

woman sitting on bench over viewing mountain

AboutPressCopyrightContact usCreatorsAdvertiseDevelopersTermsPrivacyPolicy & SafetyHow YouTube worksTest new features · © 2021 Google LLC

Custom Steering Wheel Installation - Toms Bronco Parts

Custom Steering Wheel Installation - Toms Bronco Parts

Part #PriceStock StatusQTY145‑0619Bronco 66‑741$199.95In StockQty QTY RequiredAdd to Cart245‑0405Bronco 66‑741$124.95In StockQty QTY RequiredAdd to Cart345‑0406Bronco 66‑741$63.95In StockQty QTY RequiredAdd to CartView 54 more rows

FORD F150 F250 F350 STEERING COLUMN SHIFT TUBE SHIFTER ROD ASSEMBLY W BUSHINGS! | eBay

FORD F150 F250 F350 STEERING COLUMN SHIFT TUBE SHIFTER ROD ASSEMBLY W BUSHINGS! | eBay

29 Mar 2013 — Lower Steering Column Assembly Schematic Bronco Tech. ... The early model used a separate bearing and inner race and a bolt on clamping ...

black vehicle steering wheel

black vehicle steering wheel

Images or examples in this booklet may vary from your specific installation. (A). (C). The ididit 1974-77 Ford Bronco Steering Column comes complete with these ...8 pages

Retrofit 1976-77 Ford Bronco Tilt Column Shift Steering ...

Retrofit 1976-77 Ford Bronco Tilt Column Shift Steering ...

January 19, 2013 - Welcome to the friendliest Bronco community on the internet! Free access to the Forum, Gallery, Reviews and more!

Ford Truck Technical Drawings and Schematics - Section C - Steering Systems and Related Components

Ford Truck Technical Drawings and Schematics - Section C - Steering Systems and Related Components

Steering Columns and Parts for 66-77 early Ford Broncos. Flaming River Tilt Columns and stock steering column parts.

Fragment (Hanging) (Roman period (30 B.C.– 641 A.D.), 5th/6th century) // Byzantine Egypt

Fragment (Hanging) (Roman period (30 B.C.– 641 A.D.), 5th/6th century) // Byzantine Egypt

August 22, 2011 - 1966-77 Ford Bronco parts & accessories. Over 2000 early Bronco Parts available. Also Classic Ford Truck & Full Size Bronco Parts

LMC Truck: Steering Column Parts

LMC Truck: Steering Column Parts

Watch this video to find out how to measure an ididit Universal Series steering column.

How to Remove Ignition Lock: I Have the Upper Column Housing ...

How to Remove Ignition Lock: I Have the Upper Column Housing ...

Steering Column Exploded Diagram?? I took apart my column on my 73 Automatic Bronco Explorer and it's not going back together so well. When I tighten the wheel, the shroud berind the wheel drags on the colum housing. I think I am missing something...

1984-1991 F150/F250 Steering Column Swap | ClassicBroncos.com Tech Articles

1984-1991 F150/F250 Steering Column Swap | ClassicBroncos.com Tech Articles

Bronco & Ford Truck Experts · Mon-Fri 12pm-5pm EST Sat-Sun Closed

Tilt Steering Column issues - 80-96 Ford Bronco Tech ...

Tilt Steering Column issues - 80-96 Ford Bronco Tech ...

I took apart my column on my 73 Automatic Bronco Explorer and it's not going back together so well. When I tighten the wheel, the shroud berind the wheel ...

66-73 Ford Bronco Steering Wheel Horn Button Schematic ...

66-73 Ford Bronco Steering Wheel Horn Button Schematic ...

Early Bronco HQ is about 1966-77 Ford Broncos -- 66 - 77 Shop Manual Pages ~Wiring~

Early Bronco HQ is about 1966-77 Ford Broncos -- 66 - 77 Shop Manual Pages ~Wiring~

Early Bronco Steering Column Diagram - Hanenhuusholli

Early Bronco Steering Column Diagram - Hanenhuusholli

green trees and mountains under blue sky during daytime

green trees and mountains under blue sky during daytime

27 Early Bronco Steering Column Diagram - Wiring Diagram List

27 Early Bronco Steering Column Diagram - Wiring Diagram List

31 Early Bronco Steering Column Diagram - Wiring Diagram ...

31 Early Bronco Steering Column Diagram - Wiring Diagram ...

On a 1972 mustang with a standard not tilt steering wheel what holds the flange to the steering column? What do the 2 T

On a 1972 mustang with a standard not tilt steering wheel what holds the flange to the steering column? What do the 2 T

nutreal control switch? - 80-96 Ford Bronco - 66-96 Ford ...

nutreal control switch? - 80-96 Ford Bronco - 66-96 Ford ...

I need a wiring diagram for 79 ford tr or bronco tilt wheel steering column. Using the 79 tilt column in a 1972 Bronco

I need a wiring diagram for 79 ford tr or bronco tilt wheel steering column. Using the 79 tilt column in a 1972 Bronco

black and white car steering wheel

black and white car steering wheel

man in black suit standing on gray rock during daytime

man in black suit standing on gray rock during daytime

Early Bronco HQ is about 1966-77 Ford Broncos -- 66 - 77 ...

Early Bronco HQ is about 1966-77 Ford Broncos -- 66 - 77 ...

Head of a Bearded Man (5th century BCE) // Cypriot

Head of a Bearded Man (5th century BCE) // Cypriot

[DIAGRAM] My 70 Bronco Restoration 66 77 Early Bronco 66 ...

[DIAGRAM] My 70 Bronco Restoration 66 77 Early Bronco 66 ...

gray road surrounded by trees during daytime in aerial view photography

gray road surrounded by trees during daytime in aerial view photography

1978 ford bronco steering column - Google Search | Bronco ...

1978 ford bronco steering column - Google Search | Bronco ...

Horn Not working. Steering column changed to one with ...

Horn Not working. Steering column changed to one with ...

Ford Bronco Bearing. Spring - FODZ3L539F | Sunset Ford, St ...

Ford Bronco Bearing. Spring - FODZ3L539F | Sunset Ford, St ...

Early Bronco Steering Column Diagram - Free Wiring Diagram

Early Bronco Steering Column Diagram - Free Wiring Diagram

Early Bronco Steering Column Diagram - Free Diagram For ...

Early Bronco Steering Column Diagram - Free Diagram For ...

42-21100 Aftermarket Tilt Column Steel Manual for Early Bronco - Steering Columns / Shafts / Wheels | BC Broncos

42-21100 Aftermarket Tilt Column Steel Manual for Early Bronco - Steering Columns / Shafts / Wheels | BC Broncos

Early Bronco Steering Column Diagram - Hanenhuusholli

Early Bronco Steering Column Diagram - Hanenhuusholli

Wiring Diagram: 6 Early Bronco Steering Column Diagram

Wiring Diagram: 6 Early Bronco Steering Column Diagram

1972 chevy truck steering column wiring diagram - Wiring ...

1972 chevy truck steering column wiring diagram - Wiring ...

0 Response to "41 early bronco steering column diagram"

Post a Comment

Iklan Atas Artikel

Iklan Tengah Artikel 1

Iklan Tengah Artikel 2

Iklan Bawah Artikel