45 john deere lt166 mower deck belt diagram
How to Tighten a Mower Belt on a John Deere LT166 - YouTube How to Tighten a Mower Belt on a John Deere LT166. The LT166 John Deere lawn mower comes standard with a 48-inch mower deck. A common misunderstanding is tha... echte-freude-schenken.deAeagle Lawn Mower Deck Belt for John Deere M82462, 240-355D ... Aeagle Lawn Mower Deck Belt for John Deere M82462, 240-355D, GT225-GT275, LX173and STX46 with 38" Deck, 1/2 X 66 Inch. To make this process easier, we went straight to Brad Davis, National Sales Manager for Chesterfield Australia, to tell us about their top 3 best-selling John Deere ride-on mowers with prices. johndeeregifts.
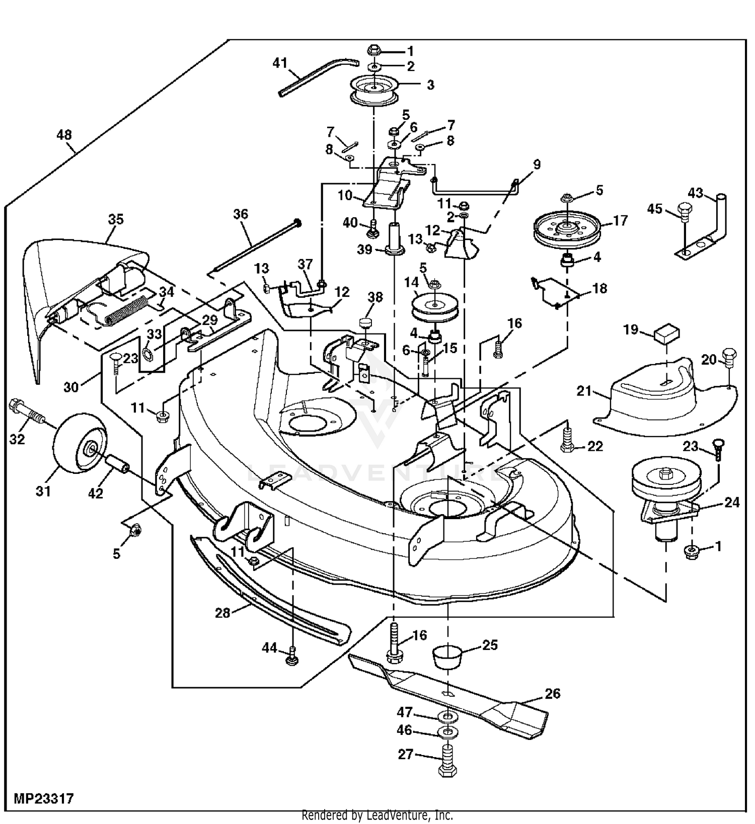
John Deere Parts Diagrams, John Deere LT166 Lawn Tractor (With 46-IN Mower ... Buy Genuine OEM John Deere parts for your John Deere LT166 Lawn Tractor (With 46-IN Mower Deck) -PC2608 and ship today! Huge in-stock inventory of OEM John Deere parts.

John deere lt166 mower deck belt diagram
i need a belt diagram for john deere lt166 - JustAnswer I have a John Deere LT166 lawn mower, i replaced the deck belt, my issue is when i lower my deck the blades stop turning but when i lift the blades turn with good power, i have to cut my grass with th … read more John Deere Lt133 Mower Deck Belt Diagram - Diagram Niche Ideas John deere lt133 mower deck belt diagram. At some point, you may need to remove the mower deck of your john deere lt155 riding lawnmower. Drive belt, mower deck for model lt166 with 38 and 46 deck. The belt is trapped between this little idler and the frame on the left side of the mower so you'll need to remove it. John Deere Lt166 Parts Diagram John Deere Lt166 Parts Diagram Genuine John Deere Parts are your best choice for your newer machines. to use it safely and to the fullest by checking out your John Deere operator's manual . John Deere LT Riding Mower Parts including mower blades, deck belt, oil and air filter along with Parts Look-up Diagrams/Schematics.
John deere lt166 mower deck belt diagram. John Deere LT166 (Deck 48C) Riding Lawn Mower Replacement Belt - V-Belt Guys John Deere LT166 (Deck 48C) Riding Lawn Mower Replacement Belt Original Equipment Manufacturer John Deere OEM Part Number M151649 Machine Riding Lawn Mower Model LT166 (Deck 48C) Belt Type 4LK/AK Aramid VBG Replacement Id APPL674185 Technical Specifications: (Inches) (mm) Outside Circumference 144.00 3657.60 Top Width 0.50 12.70 Belt Depth 0.3125 echte-freude-schenken.de › mower-deck-spindlesMower deck spindles - echte-freude-schenken.de So, do you feel like the spindle on your mower is causing trouble? Then check it following this guide. . Main Frame and Knife Unit -48" Blade- Part 1 (1963-1968)John Deere Complete 42 inch Mower Deck BUC11055If you need a John Deere complete 42 inch mower deck that includes the belt, blades, gauge wheels, spindles and hardware, look no further! How To Put A Belt On A John Deere Lawn Mower Step By Step? - Den Residence Follow the steps carefully to put on the belt on the mower: Take Off The Shields All you have to do to take off the previous belt is to take off the shield. The shields should be secured with a few bolts. Take them off to unhook the shields. Make sure you take off the shields on both sides. Take Out The Old Belt Afterward, take the old belt out. rvpconsultant.us › john-deere-54-mower-deck-tension-springrvpconsultant.us The machine is powered by an 854-cc John Deere 100 Series 44 in. John Deere LX186 48 Inch Mower Deck Belt Tension Arm Assembly AM117245 John Deere 54C Mower Deck- Spindle Assembly AM144377 | eBay John Deere Lx280 Parts Diagram - Drivenheisenberg john deere deck, john deere engine, john deere front Checking your John Deere 54-inch riding mower's ...
John Deere Lt155 Blade Belt Diagram - Diagram Niche Ideas John deere lt133, lt155 & lt166 lawn garden tractor service repair manual.pdf. Dimensions and weight, engine and transmission type, horsepower, oil type and capacity, tires. Does anyone know where i can find a diagram. I need a belt routing diagram for a john deere l130 riding mower. John deere original equipment mower blade kit #am130172. John Deere Freedom 42 Mower Deck | Page 2 - TractorByNet I have an LT166 John Deere which I love and do not baby. I hit a branch (big) and the blades started hitting each other. Removed the Freedom 42 mulching deck, then the blades, and repositioned the belts. Now when I cut I get the uncut grass. I looked in my manual and the blades are to be... John Deere Parts Diagram & Parts Search • John Deere ... - Green Farm Parts John Deere parts lookup tool and diagram is an incredible online source. It is a complete catalog that shows you detailed parts diagrams of every part of your machine. This online parts catalog is robust and easy to use. Searching for your John Deere parts online has never been easier. John Deere LT166 Lawn Tractor Parts 46 Mower Deck - Weingartz CALL US AT (855) 669-7278 John Deere LT166 Lawn Tractor Parts 46 Mower Deck Quick Reference Guide. Click the part number below to view and order John Deere LT166 Lawn Tractor Parts 46 Mower Deck, or search illustrated diagrams to determine the part you need. Order John Deere Lawn Tractor Parts Online. Same Day & Flat Rate Shipping!
ARIMain - lawn mower parts | snow blower parts |lawn equipment | lawn mower ... John Deere LT166 Lawn Tractor (With 46-IN Mower Deck) -PC2608 Mower Drive Belt,Sheaves,Spindles & Blades 42"/1.07 M 095001 - : MOWER DECKS AND LIFT LINKAGE Zoom Image John Deere Model LT166 Lawn Tractor Parts - GreenPartStore John Deere Products John Deere Lawn Tractor Parts Model LT166 Model LT166 The serial number is located in front and below the seat as indicated in this photo Products [104] Sort by: 1 2 3 Next Page View All 3-Way HitchPlate and Towing Ball - GV175 (1) $23.95 Add to Cart Clean Machine Non-Stick Mower Protectant - GV130 (8) $8.95 John Deere LT166 Lawn Tractor Maintenance Guide & Parts List - Green Farm Parts Service Schedule Parts for a John Deere LT166 Lawn Tractor & Parts List. While your John Deere machine is certainly built with quality parts, they have a limited life. Good news is you can easily service your machine yourself using a John Deere maintenance kit or service kits or by getting the specific John Deere part needed to keep your John Deere mower or tractor running for a long time. weingartz.com › modelguide › john-deere-lawn-tractorJohn Deere Lawn Tractor Parts - Quick Reference Guide Need Help Finding John Deere Lawn Tractor Parts? Call Us at (855) 669-7278. Below is a list of Popular Models for John Lawn Tractor Parts. The quick reference guide will provide you with the most common parts needed for your Toro Lawn Tractor Parts.

M126536 Deck Drive Belt Replacement for John Deere LT166 Lawn Tractor - PC2608 - Compatible with 38 Inch Mower Deck V-Belt
John Deere lt166 mower deck belt - Ask Me Help Desk Does anyone have a john deere 160 deck belt diagram that they can send me a piece broke on mine and I can make it myself but I need to know exactly what it looks like Mower deck john deere lt166 [ 1 Answers ]
LT166 Belt Installation - Green Tractor Talk LT166 46 inch mower deck Thanks for the reply, but it doesn't show a diagram for the 46 inch deck for my LT166. Do I use the 48 inch on page 30, as it looks similar to a 46 inch.
John Deere Lt133 Drive Belt Diagram - Wiring Diagrams PUT BELT B ACK ON MOWER Posted by jeffjr on Jun 06, I need a traction drive belt diagram for a john deere LT and the easiest way to replace it. Here's the link and . We have video's to help you replace your John Deere LT Lawn Tractor Parts 38 Mower Deck including: a spark plug, a blade, an air filter, an oil filter, a belts, a battery ...
46-inch Mower Deck Parts for LT166 - GreenPartStore Predator Mulching Mower Blade for 46-inch John Deere Deck - B1PD1023. (5) $25.62. Usually available. Add to Cart. Quick View.
John Deere 170 Lawn Tractor Wiring Diagram - Wiring Diagram Line John Deere 170 Lawn Tractor Pc2056 Electromagnetic Pto Clutch Warner Electrical. John deere 170 my tractor forum lawn pc2056 lt150 160 180 i have a j d it will parts d170 service electrical wiring diagram for jd won t start garden forums e170 belt www complete transaxle mia10320 e180 25 hp s170 24 us x500 select series tractordata com riding mower f911 f915 f925 f932 f935 off 56 265 ignition ...

John Deere 225 Toothed Timing Synchronous Belt Fits Earlier LT133 & LT155 & LT166 With 42" Freedom Deck Fitted Replaces M127926
Mower Deck Drive Belt for John Deere LT166, M123281, 38", 46" Cut, Sabre Fits Models: John Deere: LT166 with 38" and 46" deck. Sabre: First Generation 46" Cut. Specs: Belt Application: Mower Deck Drive ( Engine to Mower Deck) Belt Type: Covered. Width: 1/2". Length: 143". Packaging Type: Branded sleeve.
John Deere Lt166 Parts Diagram John Deere Lt166 Parts Diagram Genuine John Deere Parts are your best choice for your newer machines. to use it safely and to the fullest by checking out your John Deere operator's manual . John Deere LT Riding Mower Parts including mower blades, deck belt, oil and air filter along with Parts Look-up Diagrams/Schematics.
John Deere Lt133 Mower Deck Belt Diagram - Diagram Niche Ideas John deere lt133 mower deck belt diagram. At some point, you may need to remove the mower deck of your john deere lt155 riding lawnmower. Drive belt, mower deck for model lt166 with 38 and 46 deck. The belt is trapped between this little idler and the frame on the left side of the mower so you'll need to remove it.

Dibanyou 38" 42C Mower Deck Belt Made with Kevlar for John Deere M126536 LT133 LT150 LT155 LT160 LT166 LT180 OEM Replacement Parts Deck Belt, 1/2" x ...
i need a belt diagram for john deere lt166 - JustAnswer I have a John Deere LT166 lawn mower, i replaced the deck belt, my issue is when i lower my deck the blades stop turning but when i lift the blades turn with good power, i have to cut my grass with th … read more
0 Response to "45 john deere lt166 mower deck belt diagram"
Post a Comment