Iklan 300x250

42 nissan altima wiring diagram

2001 Nissan Altima Wiring Diagram : 2003 Nissan Altima 2 5 Serivce Manual Pg Pdf ... 2001 Nissan Altima Wiring Diagram : 2003 Nissan Altima 2 5 Serivce Manual Pg Pdf Fuse Electrical Throttle - febyolaeboh@gmail.com Senin, 06 Desember 2021 A home or vehicle is a maze of wiring and connections, making repairs and improvements a complex endeavor for some. 2018 Nissan Altima Stereo Wire Diagram - the12volt.com 2018 Nissan Altima Stereo Wire Diagram - I will be installing an LC7I loc and amp and need the speaker wire diagram for the stereo... Any help would be highly appreciated! Installation tips also welcomed...

factory fog light switch wiring diagram - Nissan Forum | Nissan Forums - NICOclub Car: 2010 Nissan Altima Coupe. factory fog light switch wiring diagram. Quote; Post by lavon_andy » Mon Jan 10, 2011 5:04 pm . does anyone have a link to this saved for the 2010 coupe? I've tried a few searches and am coming up dry. I plan on messing with the switch until I either break it or get the fogs to come on independently from the ...

Nissan altima wiring diagram

Nissan altima wiring diagram

2011 Nissan Altima Car Radio Wiring Chart - MODIFIEDLIFE Our 2011 Nissan Altima radio wiring diagram shows you all the 2011 Nissan Altima radio wire colors and what they do. Use our 2011 Nissan Altima stereo wiring guide to install a new car radio. Table of Contents 2011 Nissan Altima Radio Wiring Diagram 2011 Nissan Altima Speaker Wiring Guide 2011 Nissan Altima Speaker Size and Location Free TSBs and wiring diagrams - Nissan Forum | Nissan Forums Found a website that gives you the TSB's for your vehicle for free - lets you print them out, etc. PDF format. Wiring diagrams are available there as well. You need to register and give them your email, but I have a spare email addy at yahoo I used for that. Not just Nissan / Infiniti - most makes / years. bodycoach-online.de › b17-sentra-body-kitB17 sentra body kit - bodycoach-online.de Acces PDF Nissan Sentra B14 Engine Wiring Diagram tipped pcd inserts in 80 degree diamond shape C for hard turning non-ferrous metals of aluminum, the pcd insert cutting edges are madeATSG - Automatic Transmission Service Group Jan 14, 2022 · B17 sentra body kit. 173. info la existencia de los foros sobre marca, abrimos este sobre el tema ...

Nissan altima wiring diagram. PDF Nissan Altima Speaker Wiring Diagram 2002 nissan altima wiring diagram and 1994 nissan altima wiring diagram as well nissan altima 50 / 57. wiring diagram pdf in conjunction with nissan altima radio wiring diagram furthermore''nissan altima stereo wiring diagram taesk com april 12th, 2018 - nissan altima stereo wiring diagram as well as nissan armada airbag control ... carpny.org › parts-diagram › diagram-of-car-wheel-partsDiagram Of Car Wheel Parts - Automotive Parts Diagram Images Wiring. Wiring Diagram For Cars with Diagram Of Car Wheel Parts, image size 736 X 579 px, and to view image details please click the image. Actually, we also have been remarked that diagram of car wheel parts is being just about the most popular subject right now. So that we attempted to uncover some good diagram of car wheel parts image for ... How To Nissan Altima Stereo Wiring Diagram - My Pro Street Installing an after market car stereo or upgrading your car speakers into your Nissan is easy to do when you have our Altima Stereo Wiring schematic. This car audio wiring diagram can help anyone, whether you've got car audio installation experience or not. PDF 1998 Nissan Altima Engine Diagram NISSAN Wiring Diagrams - Car Electrical Wiring Diagram Assortment of nissan altima wiring diagram. A wiring diagram is a simplified standard pictorial representation of an electrical circuit. It reveals the components of the circuit as streamlined shapes, as well as the power and also signal links in between the devices. Nissan Altima Wiring ...

Nissan Altima 2007-2012 Service Manual: Wiring Diagram - Intelligent key system ... Turn the ignition switch OFF. 2. Disconnect the battery cable from the negative terminal. 3. Check the terminals and connectors of the combination meter for damage, bend and loose connection (unit side and connector side). ... Instrument panel 1. Instrument brightness control/Trip computer reset switch 2. Vents 3. 2008 Nissan Altima Ac Wiring Diagram - easywiring A wiring diagram is a simplified standard pictorial representation of an electrical circuit. Assortment of nissan altima wiring diagram. 2008 nissan altima serpentine belt. 2007 nissan north america inc. Nissan the nissan brand symbol shift tagline z and nissan model names are nissan trademarks. Ipdm e r turns air conditioner relay on to operate. › pcodes › p0500P0500 – Vehicle speed sensor (VSS) -circuit malfunction ... Dec 05, 2015 · Start by consulting the wiring diagram for your vehicle to determine which pin on the connector is signal and which is ground. Next, connect the red multimeter lead to the battery positive terminal and the black lead to the ground pin. You should see a reading of about 12 volts indicating a good ground. 2016 Nissan Altima Wiring Diagram Pictures - Wiring Diagram Sample The white wire is the neutral wire and switches into the neutral airport terminal, which is marked by silver/light-colored anchoring screws. The black line, on the other hand, is the hot wire and goes into the hot terminal, the one opposite the neutral terminal.

› chevrolet-tahoe-2004-fuseChevrolet Tahoe (2004) - fuse box diagram - Auto Genius Jan 04, 2018 · Chevrolet Tahoe (2004) – fuse box diagram Year of production: 2004 Instrument panel fuse block The fuse block access door is on the driver’s side edge of the instrument panel. Fuses Usage RR Wiper Rear Window Wiper Switch SEO ACCY Special Equipment Option Accessory WS WPR Windshield Wipers TBC ACCY Truck Body Controller Accessory IGN 3 Ignition, Heated Seats … 2015 Nissan Altima Wiring Diagram Images - Wiring Diagram Sample The white wire is the neutral wire and switches into the neutral airport terminal, which is marked by silver/light-colored anchoring screws. The black line, on the other hand, is the hot wire and goes into the hot terminal, the one opposite the neutral terminal. All Wiring Diagrams for Nissan Altima SE-R 2006 - Wiring diagrams for cars 2.5L, Engine Performance Wiring Diagram (3 of 4) for Nissan Altima SE-R 2006. Get Access all wiring diagrams car. All Wiring Diagrams for Nissan Altima 2014 model - Wiring diagrams for cars AIR CONDITIONING Automatic A/C Wiring Diagram (1 of 2) for Nissan Altima 2014 Automatic A/C Wiring Diagram (2 of 2) for Nissan Altima 2014 Manual A/C Wiring Diagram (1 of 2) for Nissan Altima 2014 Manual A/C Wiring Diagram (2 of 2) for Nissan Altima 2014ANTI-LOCK BRAKES Anti-lock Brakes Wiring All Wiring Diagrams for Nissan Altima 2014 model

2022 fix 2003 Nissan Altima no start with cam sensor fault code

2022 fix 2003 Nissan Altima no start with cam sensor fault code

2016 Nissan Altima Car Stereo Wiring Diagram - MODIFIEDLIFE Our 2016 Nissan Altima radio wiring diagram shows you all the 2016 Nissan Altima radio wire colors and what they do. Use our 2016 Nissan Altima stereo wiring guide to install a new car radio. Table of Contents 2016 Nissan Altima Radio Wiring Diagram 2016 Nissan Altima Speaker Wiring Guide 2016 Nissan Altima Speaker Size and Location

1995 Nissan Altima Brake And Tail Light Wiring Diagram under ...

1995 Nissan Altima Brake And Tail Light Wiring Diagram under ...

lilly-web.de › nissan-torque-specslilly-web.de Its engine developed 600 HP at 6,800 RPM, and torque reached 652 NM at 3,600-5,600 RPM. And it’s still eligible for a ,500 federal tax credit, as Nissan Yd25 Engine Torque Specifications | hsm1. The KA24DE is a 2. According to Haynes Manual, 2005 Nissan Altima, using BRAND NEW cylinder head bolts: 1 - Tighten in sequence (as pictured) to 37 ...

2006 Nissan Altima – Repair Manual - Audio Visual System ...

2006 Nissan Altima – Repair Manual - Audio Visual System ...

Wiring - 2009 Nissan Altima Sedan - Nissan Parts Deal Wiring fit your 2009 Nissan Altima Sedan 24 diagrams found for the vehicle you selected. Select your vehicle options to narrow down results. Battery - 4S.QR25DE - (09/2009-) Battery - 4S.QR25DE - (10/2006-09/2009) Battery - 4S.VQ35DE Body & Engine Room - 4S.QR25DE Body & Engine Room - 4S.VQ35DE - (09/2009-09/2010)

HELP!!!2007 altima Alternator pigtail replacement | The ...

HELP!!!2007 altima Alternator pigtail replacement | The ...

frosinonefutsalfemminile.it › nissanfrosinonefutsalfemminile.it Apparently this is a widespread issue that Nissan has known about for years in the Xterra, pathfinder, titan, and armada models. 0-liter Cummins turbodiesel V8, will be discontinued for the Search Parts. com Browse and Read Nissan 1400 Bakkie Wiring Diagram Nissan 1400 Bakkie Wiring Diagram Title Type nissan 1400 bakkie wiring diagram PDF 1400 ...

ALLDATAdiy.com - 2009 Nissan-Datsun Altima V6-3.5L (VQ35DE ...

ALLDATAdiy.com - 2009 Nissan-Datsun Altima V6-3.5L (VQ35DE ...

2007-2012 Nissan Altima Vehicle Wiring Chart and Diagram 2007-2012 Nissan Altima Wiring Diagram Printer Friendly Version Listed below is the vehicle specific wiring diagram for your car alarm, remote starter or keyless entry installation into your 2007-2012 Nissan Altima . This information outlines the wires location, color and polarity to help you identify the proper connection spots in the vehicle.

Can I get the Wiring Diagram for the Starter System for a ...

Can I get the Wiring Diagram for the Starter System for a ...

2008 Nissan Altima Ascd Wiring Diagram - schematron.org Here is a wonderful picture for nissan altima ac wiring diagram. We have been hunting for this image throughout net and it came from professional source. If youre looking for any new idea for your own parts diagram then the nissan altima ac wiring diagram graphic needs to be on top of guide or you may use it for an alternative concept.

2013 SV Radio Wiring diagram - Nissan Forum | Nissan Forums

2013 SV Radio Wiring diagram - Nissan Forum | Nissan Forums

2012 Nissan Altima Stereo Wiring Harness Diagram - U Wiring 50 Elegant International Truck Radio Wiring Diagram International Truck Radio Trucks. Wiring Harness And Speaker Wire Diagram Nissan Frontier 2005 07 Crew Cab Nissan Nissan Altima Nissan Frontier. 1998 Ford F150 Stereo Wiring Diagram Collection Wiring Diagram Sample Ford Ranger Ford Explorer Car Stereo. 77 Elegant 2012 Dodge Ram Radio Wiring ...

Ignition Switch Wiring: Need Wiring Diagram for Ignition Switch.

Ignition Switch Wiring: Need Wiring Diagram for Ignition Switch.

› nissan-service-manualsNissan Service Manuals - NICOclub The Nissan Altima is the middle tier sedan model, placed between the Sentra and Maxima. This midsize chassis is still being sold today. Early models were equipped with inline 4 cylinder engines and later models had an optional V6 available.

Robert Pate (pategr52) - Profile | Pinterest

Robert Pate (pategr52) - Profile | Pinterest

Wiring - 2003 Nissan Altima Wiring fit your 2003 Nissan Altima 22 diagrams found for the vehicle you selected. Select your vehicle options to narrow down results. Body & Engine Room - 4S.QR25DE - (08/2001-08/2002) Body & Engine Room - 4S.QR25DE - (08/2002-01/2004) Body & Engine Room - 4S.VQ35DE - (08/2001-08/2002) Body & Engine Room - 4S.VQ35DE - (08/2002-01/2004)

moore organized mayhem

moore organized mayhem

Altima SE-R ECU wiring Diagram | Page 2 | The Nissan Club If it is this would be a nice way to avoid splicing and keeping the existing stock wiring intact for warranty/dealer purposes, and would make taking the car back to stock much easier. Best Regards, HitchHiker. 05 Altima SE-R - smoke, 6-spd - Fujita CAI. Best stock times: 1/8: 9.373s @ 79.84mph - 2.366 60 ft.

NISSAN Car Radio Stereo Audio Wiring Diagram Autoradio ...

NISSAN Car Radio Stereo Audio Wiring Diagram Autoradio ...

03 NISSAN ALTIMA IGNITION WIRING DIAGRAM - Fixya SOURCE: CRANK SHAFT POSITION SENSOR 20002 NISSAN ALTIMA 1st, Nissan had a recall on Crank position sensors for 2002-2006 Altima's. Check with you dealer before you go doing any repairs. You may discover you can get your car repaired at no charge. NHTSA Campaign ID number :O7V527000 Symptom: Erratic behavior. Stalling and no starts and very difficult to diagnose due to the time frame in which ...

Alternator Harness color codes???? | The Nissan Club

Alternator Harness color codes???? | The Nissan Club

Nissan Altima 2007-2012 Service Manual: How to read wiring diagrams - How to use ... Nissan Altima 2007-2012 Service Manual / General information / How to use this manual / How to read wiring diagrams Connector symbols Most of connector symbols in wiring diagrams are shown from the terminal side. • Connector symbols shown from the terminal side are enclosed by a single line and followed by the direction mark.

Nissan Altima L34 2019-2020 Service Manual Wiring diagrams ...

Nissan Altima L34 2019-2020 Service Manual Wiring diagrams ...

Wiring Diagram 2006 Nissan Altima - Wiring Diagram and Schematic Role All wiring diagrams for nissan altima se r 2006 cars radio sl system schémata zapojení pro automobily repair manual audio visual section av page 12 pdf power supply ground circuit elements pg 74 pages transmission lan 82 instrument cer colored eccs Category: Wiring

Ignition System Wiring Diagram (1995-1997 2.4L Nissan Altima)

Ignition System Wiring Diagram (1995-1997 2.4L Nissan Altima)

Nissan Altima 2.5 ignition coil & injectors wire diagram - Fixya The ECM makes and breaks the ground to pulse the injectors. Coming off the ECM, are four wires which are numbered as followed. pin #102 (#1 inj) red and black, pin #107 (#2 inj) yellow and black, pin #104 (#3 inj) green and black and pin #09 (#4 inj)blue and black. These all pulse the grounds and are triggered by the ignition pulse.

Anyone have a wiring diagram for a 2011 Nissan Altima stereo ...

Anyone have a wiring diagram for a 2011 Nissan Altima stereo ...

Wiring Diagram Nissan Altima 2010 - Wiring Diagram and Schematic Role Nissan altima 2007 2017 service manual wiring diagram intelligent key system engine start function ecu diagnosis security control coupe all diagrams for 2010 model cars radio s schémata zapojení pro automobily performance power supply ground circuit elements section pg pdf 145 pages 2008 dashboard symbols Category: Wiring

12+ Nissan Murano Engine Wiring Diagram - Engine Diagram ...

12+ Nissan Murano Engine Wiring Diagram - Engine Diagram ...

Sensational 2002 Nissan Altima Radio Wiring Diagram Hunter 3 Speed Fan Switch ... Nissan altima radio wiring diagram nissan sentra wiring diagram as well nissan radio wiring harness rh 207 246 123 107. Radio constant 12v wire. A wiring diagram is a simplified standard pictorial representation of an electrical circuit.

Bulldog Security Diagrams

Bulldog Security Diagrams

2005-2006 Nissan Altima Vehicle Wiring Chart and Diagram 2005-2006 Nissan Altima Wiring Diagram Printer Friendly Version Listed below is the vehicle specific wiring diagram for your car alarm, remote starter or keyless entry installation into your 2005-2006 Nissan Altima . This information outlines the wires location, color and polarity to help you identify the proper connection spots in the vehicle.

How To Nissan Altima Stereo Wiring Diagram - My Pro Street

How To Nissan Altima Stereo Wiring Diagram - My Pro Street

bodycoach-online.de › b17-sentra-body-kitB17 sentra body kit - bodycoach-online.de Acces PDF Nissan Sentra B14 Engine Wiring Diagram tipped pcd inserts in 80 degree diamond shape C for hard turning non-ferrous metals of aluminum, the pcd insert cutting edges are madeATSG - Automatic Transmission Service Group Jan 14, 2022 · B17 sentra body kit. 173. info la existencia de los foros sobre marca, abrimos este sobre el tema ...

Nissan Rogue Service Manual: Wiring diagram - Navigation with ...

Nissan Rogue Service Manual: Wiring diagram - Navigation with ...

Free TSBs and wiring diagrams - Nissan Forum | Nissan Forums Found a website that gives you the TSB's for your vehicle for free - lets you print them out, etc. PDF format. Wiring diagrams are available there as well. You need to register and give them your email, but I have a spare email addy at yahoo I used for that. Not just Nissan / Infiniti - most makes / years.

05 Altima 3.5 Instrument cluster went out | Nissan Forum

05 Altima 3.5 Instrument cluster went out | Nissan Forum

2011 Nissan Altima Car Radio Wiring Chart - MODIFIEDLIFE Our 2011 Nissan Altima radio wiring diagram shows you all the 2011 Nissan Altima radio wire colors and what they do. Use our 2011 Nissan Altima stereo wiring guide to install a new car radio. Table of Contents 2011 Nissan Altima Radio Wiring Diagram 2011 Nissan Altima Speaker Wiring Guide 2011 Nissan Altima Speaker Size and Location

2000 Nissan Altima – Repair Manual - Brake System (Section BR ...

2000 Nissan Altima – Repair Manual - Brake System (Section BR ...

SOLVED: Nissan Altima 2006 windows,locks,sun roof,and - Fixya

SOLVED: Nissan Altima 2006 windows,locks,sun roof,and - Fixya

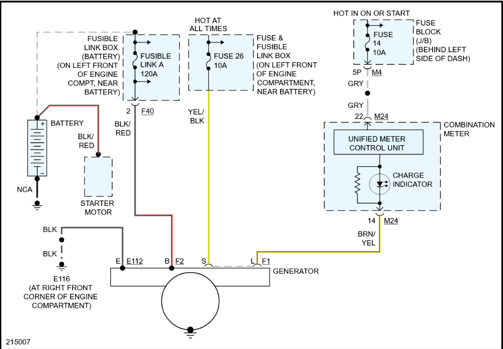
2005 Nissan Altima charging problem - ScannerDanner Forum ...

2005 Nissan Altima charging problem - ScannerDanner Forum ...

Nissan Altima 2007-2012 Service Manual: Wiring Diagram ...

Nissan Altima 2007-2012 Service Manual: Wiring Diagram ...

NISSAN Car Radio Stereo Audio Wiring Diagram Autoradio ...

NISSAN Car Radio Stereo Audio Wiring Diagram Autoradio ...

2006 Nissan Altima – Repair Manual - LAN System (Section LAN ...

2006 Nissan Altima – Repair Manual - LAN System (Section LAN ...

Nissan Altima 2019 and up speaker wiring diagram *BOSE*

Nissan Altima 2019 and up speaker wiring diagram *BOSE*

NISSAN ALTIMA Wiring Diagrams - Car Electrical Wiring Diagram

NISSAN ALTIMA Wiring Diagrams - Car Electrical Wiring Diagram

2014 Nissan Altima SV Radio 32 Pin Wiring

2014 Nissan Altima SV Radio 32 Pin Wiring

Nissan Altima Workshop Manual & Wiring Diagrams

Nissan Altima Workshop Manual & Wiring Diagrams

2008 nissan altima headlight assembly

2008 nissan altima headlight assembly

2008 nissan altima coupe 2.5 s

2008 nissan altima coupe 2.5 s

ALLDATAdiy.com - 2009 Nissan-Datsun Altima V6-3.5L (VQ35DE ...

ALLDATAdiy.com - 2009 Nissan-Datsun Altima V6-3.5L (VQ35DE ...

2004 Nissan Altima - Power Supply, Ground & Circuit Elements ...

2004 Nissan Altima - Power Supply, Ground & Circuit Elements ...

2016 Altima Power Window Switch (lighted buttons!) - My ...

2016 Altima Power Window Switch (lighted buttons!) - My ...

RADIO – Nissan Altima S 2006 – SYSTEM WIRING DIAGRAMS ...

RADIO – Nissan Altima S 2006 – SYSTEM WIRING DIAGRAMS ...

1999 Nissan Altima GXE - Crank, no start - ScannerDanner ...

1999 Nissan Altima GXE - Crank, no start - ScannerDanner ...

1992 Maxima Bose stereo had 16 wires; diagrams only account ...

1992 Maxima Bose stereo had 16 wires; diagrams only account ...

RADIO – Nissan Altima 2014 – SYSTEM WIRING DIAGRAMS – Wiring ...

RADIO – Nissan Altima 2014 – SYSTEM WIRING DIAGRAMS – Wiring ...

NISSAN - Car PDF Manual, Wiring Diagram & Fault Codes DTC

NISSAN - Car PDF Manual, Wiring Diagram & Fault Codes DTC

How To Nissan Altima Stereo Wiring Diagram - My Pro Street

How To Nissan Altima Stereo Wiring Diagram - My Pro Street

RADIO – Nissan Altima Hybrid 2008 – SYSTEM WIRING DIAGRAMS ...

RADIO – Nissan Altima Hybrid 2008 – SYSTEM WIRING DIAGRAMS ...

0 Response to "42 nissan altima wiring diagram"

Post a Comment

Iklan Atas Artikel

Iklan Tengah Artikel 1

Iklan Tengah Artikel 2

Iklan Bawah Artikel