Iklan 300x250

45 craftsman gt3000 drive belt diagram

Drive Belt Install GT6000 Hydro Craftsman - YouTube About Press Copyright Contact us Creators Advertise Developers Terms Privacy Policy & Safety How YouTube works Test new features Press Copyright Contact us Creators ... comparative cultural studies comparative ... - Purdue University Issue 6.1 (March 2004) Thematic Issue: Shakespeare on Film in Asia and Hollywood. Ed. Charles S. Ross

Craftsman Riding Mower Drive Belt Diagram- A Step By Step ... No matter what DIY mower repair guide you follow to solve any case, it's crucial to know the work process and the ins and outs of the drive belts. Here, in this article, we will cover everything about Craftsman riding mower drive belt diagrams, how the drive belts work, and how you can install the belts.

Craftsman gt3000 drive belt diagram

Craftsman gt3000 drive belt diagram

Craftsman 917275010 front-engine lawn tractor parts ... Craftsman 917275010 front-engine lawn tractor parts - manufacturer-approved parts for a proper fit every time! We also have installation guides, diagrams and manuals to help you along the way! Amazon.com: Deck Belt for 48 in. Craftsman Grizzly Belts 532197242 Mower Deck Belt 48-Inch Replacement Belt for Husqvarna 532197242 Poulan Roper Craftsman Weed Eater | Drive Belt for Husqvarna 197242/532197242. 5.0 out of 5 stars 3. $29.99 $ 29. 99. Get it as soon as Thu, Feb 17. FREE Shipping by Amazon. Only 12 left in stock - order soon. How to Change the Belts on a Craftsman DLT 3000 Riding ... Craftsman DLT 3000 riding mowers make it manageable to have a large lawn. They allow you to cut the grass quickly and efficiently. After two years of mowing, the deck belts need to be replaced, as the belts will become misshapen from time-honored wear and tear.

Craftsman gt3000 drive belt diagram. Need part number for craftsman gt3000 deck belt - JustAnswer Need part number for craftsman gt3000 deck belt - Answered by a verified Technician We use cookies to give you the best possible experience on our website. By continuing to use this site you consent to the use of cookies on your device as described in our cookie policy unless you have disabled them. 38 craftsman gt5000 mower deck belt diagram Either belt is now ready for replacement. Sears Craftsman GT5000 48 Lawn Mower Deck Parts Rebuild Kit. The routing diagram for a craftsman gt 5000 ground drive belt shows how the best must be wrapped around each pulley. Install belt in both idlers. That has ONE belt and easily replaced with the deck still attached. Craftsman Mower Belt Replacement - Pinterest Craftsman Mower Belt Replacement. Video by. Josh Brown. on. youtube. ·. #CraftsmanRidingMower #RidingMower #LawnTractorHow To Remove Deck To Replace Belt On Craftsman Riding MowerI'm glad you've joined me for my new video! Rememb... Josh Brown. Craftsman Gt5000 Belt Routing Diagram - wiringall.com Craftsman - GT 26 HP/54'' Garden Tractor Manual Online: To Replace Mower Drive Belt. MOWER DRIVE BELT REMOVAL 1, Park tractor on a level surface, Engage parking brake. 2_ Lower Check belt for proper routing. The Craftsman GT series garden tractors were manufactured for Sears Visually inspect the mower deck pulleys to ensure the belt is properly ...

Craftsman Gt5000 Drive Belt Diagram I need help on how to install a belt in a GT 54" Riding lawnmower. Diagram or videos will be really helpful. is the model. Craftsman - GT 26 HP/54'' Garden Tractor Manual Online: To Replace Mower Drive Belt. MOWER DRIVE BELT REMOVAL 1, Park tractor on a level. need diagram for gt drive belt - Craftsman GT 26 HP54" Garden question.View and ... Craftsman Gt3000 Belt Diagram - schematron.org Craftsman GT Owners Manual - Free download as PDF File .pdf), Text File ( .txt) or read online (Tires must be properly inflated for leveling).,/Check mower and drive belts. See electrical wiring diagram in the Repair Parts section. Here is a crazy looking exploded view of a craftsman mower deck. And here is a better diagram of it all put together. Belts | CRAFTSMAN Club members get the latest news on CRAFTSMAN products delivered straight to their inbox. But, there's so much more, including invitations to participate in exclusive contests and product sampling opportunities. ... 42 in., 46 in., 50 in., and 54 in. Transmission Drive Belt CMXGZAM501035 42 in. and 46 in. Transmission Drive Belt CMXGZAM501008 ... PDF MODEL NUMBER 917.257730 OWNER'SMANUAL - Sears Parts Direct Expendable items which become worn during norma_ use, such as blades, spark plugs, ai_cleaners and belts. Tire replacement or repair caused by punctures from outside objects, such as nails, thorns, stumps, or gtas& Repairs necessary because of operator abuse, negligence, improper storage or accident or the faiture to maintain the _

Schematics for craftsman gt3000 garden tractor mower deck Craftsman gt3000 garden tractor no manual [ 2 Answers ] I just bought a late 90's-early 2000 gt3000 with a 25hp kohler engine with a 48 in deck.I have no model #'s on the machine at all.I want to replace the ground drive belt and I have one,part # 161597. It seems about 2 inches too big.I also see a belt diagram on the undercarraige saying ... Craftsman Gt3000 Belt Diagram - Wiring Diagrams MOWER DRIVE BELT REMOVAL. 1. Park tractor on a level surface. Engage. The Breakdown of the Unit Usually Shows the Belt Routing. From this Page you can View Diagrams and Parts Lists for you Equipment Using. I have a GT Craftsman Garden Tractor Model: with a 46" If the front of the mower deck is tipped to far down the belt will come.I called my ... Sears gt 3000 owners manual - United States Guidelines ... Search results for 'craftsman gt 3000 owners manual' Did you mean: craftsman gt 3000 owners manure. 1-1/4 HP Smart Belt Drive Garage Door Opener. Steel Rivets 1/8″ x 1/4″ 100 Count. VERSASTACK™ System Suitcase. Rivet Assortment 120 Count. Craftsman.com and Sears.com (English) 1-800-349-4358 Craftsman.com y Sears.com en Espanol 1-800-377 Sears craftsman gt3000 25hp kohler 48 in deck Craftsman gt3000 garden tractor no manual [ 2 Answers ] I just bought a late 90's-early 2000 gt3000 with a 25hp kohler engine with a 48 in deck.I have no model #'s on the machine at all.I want to replace the ground drive belt and I have one,part # 161597. It seems about 2 inches too big.I also see a belt diagram on the undercarraige saying ...

craftsman drive belt diagram,therugbycatalog.com

craftsman drive belt diagram,therugbycatalog.com

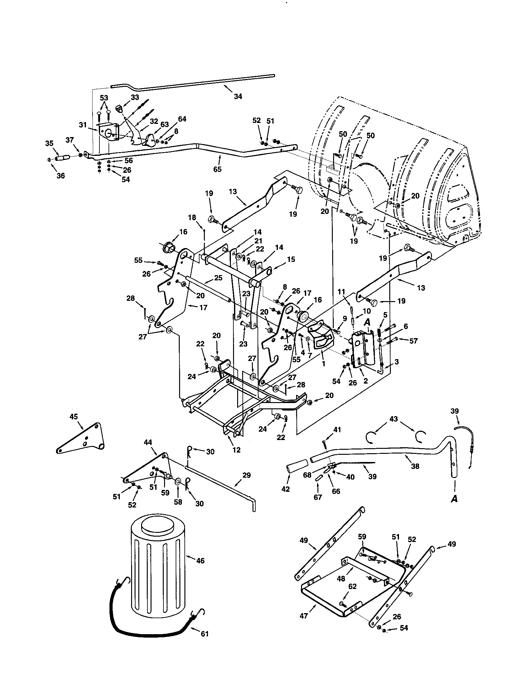
GT3000 Ground Drive Belt? | My Tractor Forum 25 Mar 2019 — Go to Sears Parts, enter the model number, download the manual, find the ground drive diagram on page 38, note item #56 is the ground drive belt ...

craftsman gt5000 drive belt diagram,therugbycatalog.com

craftsman gt5000 drive belt diagram,therugbycatalog.com

Craftsman gt 3000 parts manual - replacementparts.netlify.app Craftsman Gt 3000 Parts Manual If you're looking for craftsman gt 3000 parts manual pictures information linked to the craftsman gt 3000 parts manual interest, you have visit the right blog. Our site always provides you with suggestions for refferencing the maximum quality video and image content, please kindly search and locate more informative video articles and graphics that fit your ...

Craftsman 486248462 snowblower attachment parts | Sears ...

Craftsman 486248462 snowblower attachment parts | Sears ...

How to Replace the Drive Belt on a Craftsman GT3000 | eHow The Craftsman GT3000 lawn mower uses a drive belt to move the wheels. The drive belt transfers power from the engine pulley to the rear differential to engage the rear wheels. The drive belt can wear out over time and become stretched or cracked. If the drive belt is not operating properly, the mower may not operate as intended.

How To Replace The Drive Belt On A Craftsman Garden Tractor (Hydro Drive)

How To Replace The Drive Belt On A Craftsman Garden Tractor (Hydro Drive)

Gt3000 Garden Tractor Parts - Sears Craftsman Murray 1732224SM Lawn Tractor Ground Drive Belt Genuine Original Equipment Manufacturer (OEM) Part. 0. Sold by DIY Repair Parts. add to compare. compare now. $69.80 $68.15.

GT-3000 ground belt | My Tractor Forum

GT-3000 ground belt | My Tractor Forum

Craftsman gt3000 Drive Belt Pulley System | Tractor Forum 1 Posts. Discussion Starter · #1 · Aug 20, 2019. I have a gt3000 riding mower that suddenly stopped driving. As I looked at the diagram to put the belt back on, I realized the flat idler pulley and the bracket (asm idler stationary) are missing. when I look at the parts in the manual, the bracket is a drawing and not the best to figure out ...

Belt diagram for craftsman gt3000 tractor - Fixya

Belt diagram for craftsman gt3000 tractor - Fixya

50 in. Deck Drive Belt - CMXGZAM501021 | CRAFTSMAN Features. RESISTS WEAR: Belts are manufactured using specifically engineered materials, including high-strength tensile cords designed to resist wear and provide superior durability. DURABLE: These belts are designed for the repeated engagement and disengagement of the mower's cutting deck. CMXGZAM501021.

CRAFTSMAN 917.274961 OWNER'S MANUAL Pdf Download | ManualsLib

CRAFTSMAN 917.274961 OWNER'S MANUAL Pdf Download | ManualsLib

Craftsman GT3000 Owners Manual | PDF | Motor Oil | Tractor REINSTALL MOWER DRIVE BELT (Refer to "TO REMOVE MOWER DRIVE BELT" illustration in this section of manual). 14.Install belt into upper groove of R.H. mandrel pulley and around both idlers. Pull belt to front of mower to remove slack. 15.Reinstall mandrel covers and securely tighten all screws. 16.Carefully check belt routing making sure belt is ...

Craftsman Lawn Tractor | 917276120 | eReplacementParts.com

Craftsman Lawn Tractor | 917276120 | eReplacementParts.com

Craftsman 247.273300 (13BP78XS099) - Craftsman T3000 Lawn ... Craftsman repair parts and parts diagrams for Craftsman 247.273300 (13BP78XS099) - Craftsman T3000 Lawn Tractor (2018)

Craftsman GT 50

Craftsman GT 50" Deck Belt Upgrade! - YouTube

Craftsman Gt3000 Drive Belt Diagram - schematron.org The Craftsman GT lawn mower uses a drive belt to move the wheels. The drive belt transfers power from the engine pulley to the rear differential to engage the rear wheels. The drive belt can wear out over time and become stretched or cracked. Here are 3 links to Sears. The first is a diagram of the drive system of the gt They show 2 belts.

Ryobi P551 18V One+ 7-1/4 Miter Saw With Laser | Model ...

Ryobi P551 18V One+ 7-1/4 Miter Saw With Laser | Model ...

How to Replace Belts for a Craftsman GT 5000 | Home Guides ... How to Replace Belts for a Craftsman GT 5000. The Craftsman GT 5000 series garden tractors were manufactured for Sears stores by the Husqvarna Group from 2009 to 2011. It is equipped with a mid ...

Link AT133014 - Deere | AVSpare.com

Link AT133014 - Deere | AVSpare.com

How to Replace the Drive Belt on a Craftsman GT3000 - YouTube How to Replace the Drive Belt on a Craftsman GT3000. The Craftsman GT3000 lawn mower uses a drive belt to move the wheels. The drive belt transfers power fro...

SOLVED: How to replace drive belt on Craftsman riding mower ...

SOLVED: How to replace drive belt on Craftsman riding mower ...

Craftsman Gt3000 Drive Belt Diagram Craftsman Gt3000 Drive Belt Diagram. The Craftsman GT lawn mower uses a drive belt to move the wheels. The drive belt transfers power from the engine pulley to the rear differential to engage . Mtd Lawn Tractor Wheel Assembly for CRAFTSMAN,MTD Genuine HQRP 4-pack Air Filter Cartridge w/ Pre-cleaner for Craftsman GT GT .

C50000 HST PULLEY | messick's

C50000 HST PULLEY | messick's

How to Change the Belts on a Craftsman DLT 3000 Riding ... Craftsman DLT 3000 riding mowers make it manageable to have a large lawn. They allow you to cut the grass quickly and efficiently. After two years of mowing, the deck belts need to be replaced, as the belts will become misshapen from time-honored wear and tear.

Craftsman 917274961 User Manual LAWN TRACTOR Manuals And ...

Craftsman 917274961 User Manual LAWN TRACTOR Manuals And ...

Amazon.com: Deck Belt for 48 in. Craftsman Grizzly Belts 532197242 Mower Deck Belt 48-Inch Replacement Belt for Husqvarna 532197242 Poulan Roper Craftsman Weed Eater | Drive Belt for Husqvarna 197242/532197242. 5.0 out of 5 stars 3. $29.99 $ 29. 99. Get it as soon as Thu, Feb 17. FREE Shipping by Amazon. Only 12 left in stock - order soon.

Craftsman Riding Mower Drive Belt Diagram- A Step By Step ...

Craftsman Riding Mower Drive Belt Diagram- A Step By Step ...

Craftsman 917275010 front-engine lawn tractor parts ... Craftsman 917275010 front-engine lawn tractor parts - manufacturer-approved parts for a proper fit every time! We also have installation guides, diagrams and manuals to help you along the way!

Craftsman Craftsman 130969 42

Craftsman Craftsman 130969 42

Craftsman 917276011 User Manual GARDEN TRACTOR Manuals And ...

Craftsman 917276011 User Manual GARDEN TRACTOR Manuals And ...

How to replace both drive and deck belts on a Craftsman riding mower.

How to replace both drive and deck belts on a Craftsman riding mower.

CRAFTSMAN 917.275010 OWNER'S MANUAL Pdf Download | ManualsLib

CRAFTSMAN 917.275010 OWNER'S MANUAL Pdf Download | ManualsLib

Deck belt slipped off pulley, need possible diagram ...

Deck belt slipped off pulley, need possible diagram ...

craftsman drive belt diagram,www.spinephysiotherapy.com

craftsman drive belt diagram,www.spinephysiotherapy.com

Sears Craftsman 23.0hp 48” 917.275021 GT3000 Garden Tractor Owner & Parts  Manual | eBay

Sears Craftsman 23.0hp 48” 917.275021 GT3000 Garden Tractor Owner & Parts Manual | eBay

Craftsman GT-- drive belt jumps off when brake is pressed ...

Craftsman GT-- drive belt jumps off when brake is pressed ...

SOLVED: Reverse gradually fades to zero - Craftsman Riding ...

SOLVED: Reverse gradually fades to zero - Craftsman Riding ...

Craftsman dgt 4000 - Fixya

Craftsman dgt 4000 - Fixya

SOLVED: I need a actual picture of the installed drive belt ...

SOLVED: I need a actual picture of the installed drive belt ...

Amazon.com : 50

Amazon.com : 50" Deck Rebuild Kit Compatible with Craftsman ...

Craftsman Riding Mower Drive Belt Diagram- A Step By Step ...

Craftsman Riding Mower Drive Belt Diagram- A Step By Step ...

craftsman gt3000 Questions & Answers (with Pictures) - Fixya

craftsman gt3000 Questions & Answers (with Pictures) - Fixya

Need part number for craftsman gt3000 deck belt

Need part number for craftsman gt3000 deck belt

Sears Craftsman GT5000 GT3000 Lawn Garden Tractor Kohler Engine Service  Manual | eBay

Sears Craftsman GT5000 GT3000 Lawn Garden Tractor Kohler Engine Service Manual | eBay

December | 2016 | Rob's Workshop

December | 2016 | Rob's Workshop

Craftsman GT3000 No Move | My Tractor Forum

Craftsman GT3000 No Move | My Tractor Forum

Craftsman Riding Lawn Mower Deck V-Belt Replacement #532429636

Craftsman Riding Lawn Mower Deck V-Belt Replacement #532429636

Craftsman 23.0 HP 917.275031 : Lawn Mower User Manual

Craftsman 23.0 HP 917.275031 : Lawn Mower User Manual

craftsman drive belt diagram

craftsman drive belt diagram

Craftsman GT5000 Garden Lawn tractor - RonMowers

Craftsman GT5000 Garden Lawn tractor - RonMowers

FRAME, SLIDING 1 for ET340 TF ENTICER 1982/1983 - order at CMSNL

FRAME, SLIDING 1 for ET340 TF ENTICER 1982/1983 - order at CMSNL

OWNER'S MANUAL SEARS Craftsman 22 HP Garden Tractor 46” Mower ...

OWNER'S MANUAL SEARS Craftsman 22 HP Garden Tractor 46” Mower ...

Craftsman 917.252521 - Craftsman Lawn Tractor Parts Lookup ...

Craftsman 917.252521 - Craftsman Lawn Tractor Parts Lookup ...

Craftsman gt3000 Drive Belt Pulley System | Tractor Forum

Craftsman gt3000 Drive Belt Pulley System | Tractor Forum

Carburetor Carb For Craftsman GT3000 Lawn Tractor w/ Kohler 23HP V-Twin  Engine | eBay

Carburetor Carb For Craftsman GT3000 Lawn Tractor w/ Kohler 23HP V-Twin Engine | eBay

Craftsman GT3000 No Move | My Tractor Forum

Craftsman GT3000 No Move | My Tractor Forum

Sears Craftsman GT Hydro Garden Tractor 24.0 48

Sears Craftsman GT Hydro Garden Tractor 24.0 48" Owner & Parts Manual 917.276320 | eBay

How to Change Replace Main Transmission Drive Belt Craftsman Lawn Mower  Tractor Electric Clutch

How to Change Replace Main Transmission Drive Belt Craftsman Lawn Mower Tractor Electric Clutch

0 Response to "45 craftsman gt3000 drive belt diagram"

Post a Comment

Iklan Atas Artikel

Iklan Tengah Artikel 1

Iklan Tengah Artikel 2

Iklan Bawah Artikel