44 maytag neptune dryer wiring diagram
wiringsample.com › maytag-dryer-wiring-diagramMaytag Dryer Wiring Diagram – Wiring Sample Mar 10, 2022 · Maytag Dryer Wiring Diagram Ute Dreher 2010 Repository Id. Maytag Neptune Washer Front Loader 2 Bearing Seal And Washer Kit. View and Download Maytag Centennial MEDC install manual online. I NEED A WIRING SCHEMATIC FOR MY MAYTAG NEPTUNE DRYER. A wiring diagram is a simplified standard pictorial depiction of an electric circuit. wiringall.com › maytag-neptune-dryer-wiringMaytag Neptune Dryer Wiring Diagram Maytag® service manuals help you get the most out of our products every. Find solutions to your maytag neptune dryer wiring diagram question. Get free help, tips & support from top experts on maytag neptune dryer wiring diagram. Maytag NEPTUNE Manual Online: Electrical Connections. BEFORE NOTE: Wiring diagram is located inside the control console.
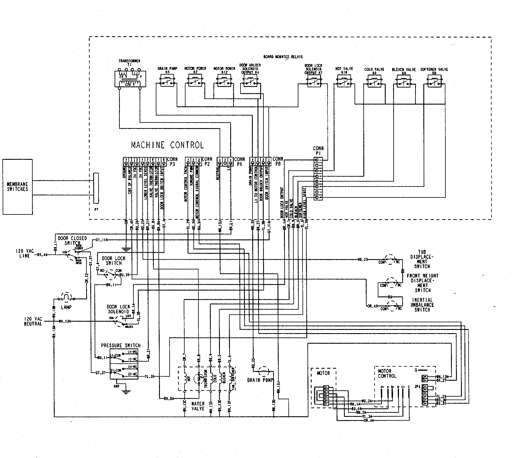
wirings-diagram.com › maytag-dryer-wiring-diagramMaytag Dryer Wiring Diagram - Wirings Diagram Mar 23, 2019 · According to earlier, the lines at a Maytag Dryer Wiring Diagram signifies wires. Sometimes, the cables will cross. However, it does not imply connection between the wires. Injunction of 2 wires is generally indicated by black dot on the junction of two lines. There’ll be main lines that are represented by L1, L2, L3, and so on.

Maytag neptune dryer wiring diagram
wiringdiagram.2bitboer.com › maytag-neptune-dryerMaytag Neptune Dryer Electrical Schematic - Wiring Diagram Oct 21, 2017 · How To Take Apart A Maytag Dryer Appliance Aid. Parts for maytag mde5500ayw wiring my neptune dryer ldg5004aaw diagrams mde4000ayw mde3000ayw temperature switch mde5500azw schematic and repair burned wires at terminal block on de410 no heat looking schematics fixed does not run motor a failure heating 410 gas 1979 model how to take apart control panel 7mmge9959tw0 partswarehouse b t basic ... electric dryer installation instructions 27" wide models - Maytag The wires that connect to the dryer must end in ring terminals or spade terminals with upturned ends. □ A UL listed strain relief. Location Requirements. You ...20 pages i need a wiring schematic for my maytag neptune dryer. it Jun 23, 2009 — I NEED A WIRING SCHEMATIC FOR MY MAYTAG NEPTUNE DRYER. IT IS MODEL NO. MDE2400AYW, SERIAL NO. 14554871NX. PLEASE - Answered by a verified ...
Maytag neptune dryer wiring diagram. schematron.org › maytag-neptune-dryer-wiringMaytag Neptune Dryer Wiring Diagram - schematron.org Mar 09, 2018 · Automatic dryer ( Maytag NEPTUNE Manual Online: Electrical Connections. BEFORE NOTE: Wiring diagram is located inside the control console. Export models (not U.S. or Dryer Maytag NDGAWW Installation Instructions Manual. Automatic dryer ( Hello, my name is Randy and I am here to assist you. Okay, first of all have you found the tech sheet? It contains the wiring diagram for the dryer.Page 1: Installation Instructions. schematron.org › maytag-neptune-dryer-partsMaytag Neptune Dryer Parts Diagram - Wiring Diagram Pictures Jun 02, 2019 · 06.02.2019 06.02.2019 2 Comments on Maytag Neptune Dryer Parts Diagram Find Maytag® appliance manuals for the care and maintenance of your appliances. Maytag® service manuals help you get the most out of our products every day. i need a wiring schematic for my maytag neptune dryer. it Jun 23, 2009 — I NEED A WIRING SCHEMATIC FOR MY MAYTAG NEPTUNE DRYER. IT IS MODEL NO. MDE2400AYW, SERIAL NO. 14554871NX. PLEASE - Answered by a verified ... electric dryer installation instructions 27" wide models - Maytag The wires that connect to the dryer must end in ring terminals or spade terminals with upturned ends. □ A UL listed strain relief. Location Requirements. You ...20 pages
wiringdiagram.2bitboer.com › maytag-neptune-dryerMaytag Neptune Dryer Electrical Schematic - Wiring Diagram Oct 21, 2017 · How To Take Apart A Maytag Dryer Appliance Aid. Parts for maytag mde5500ayw wiring my neptune dryer ldg5004aaw diagrams mde4000ayw mde3000ayw temperature switch mde5500azw schematic and repair burned wires at terminal block on de410 no heat looking schematics fixed does not run motor a failure heating 410 gas 1979 model how to take apart control panel 7mmge9959tw0 partswarehouse b t basic ...
0 Response to "44 maytag neptune dryer wiring diagram"
Post a Comment