Iklan 300x250

44 2002 pt cruiser wiring diagram

PDF Pt Cruiser 2002 2003 2004 Repair Manual Acces PDF Pt Cruiser 2002 2003 2004 Repair Manual Read Book Pt Cruiser 2002 2003 2004 Repair Manual starting the pt cruiser 2002 2003 2004 repair manual to edit every day is normal for many people. However, there are yet many people who then don't similar to reading. This is a problem. But, Page 36/43 70 Luxury 2002 Pt Cruiser Starter Wiring Diagram - Pinterest Jun 9, 2020 - 70 Luxury 2002 Pt Cruiser Starter Wiring Diagram- Your starter went out and you desire to replace it: Here's what to do:First you dependenc...

PDF 2002 Pt Cruiser Repair Manual - homes.amestrib.com Ebook 2002 Pt Cruiser Repair Manual MANUAL PDF 2005 Pt Cruiser Fuel Pump Wiring Diagram Haynes Manuals - Chrysler PT Cruiser (00-09) | 2.0 OnDemand preview DOWNLOAD Dodge Stratus Repair Manual 2000-2003 (INSTANTLY) 2003 Chrysler PT Cruiser (Repair Video) 2002 Pt Cruiser Repair Manual View and Download Page 9/32

2002 pt cruiser wiring diagram

2002 pt cruiser wiring diagram

PDF 2002 Pt Cruiser Repair Manual 2002 Chrysler PT Cruiser Touring Edition - for sale in Johnstown, Pennsylvania 15905+Pþ MANUAL PDF 2005 Pt Cruiser Fuel Pump Wiring Diagram Haynes Manuals - Chrysler PT Cruiser (00-09) ¦ 2.0 OnDemand preview DOWNLOAD Dodge Stratus Repair Manual 2000-2003 (INSTANTLY) 2003 Chrysler PT Cruiser (Repair Video) 2002 Pt Cruiser Repair Manual CHRYSLER PT CRUISER 2001-2006 VEHICLE WIRING WIRING INFORMATION: 2002 Chrysler PT Cruiser. WIRE. WIRE COLOR. WIRE LOCATION. 12V CONSTANT WIRE. PINK/BLACK & RED. Ignition Harness. STARTER WIRE. Chrysler PT Cruiser Service Repair Manuals on ... - tradebit Tradebit merchants are proud to offer auto service repair manuals for your Chrysler PT Cruiser - download your manual now! With a list of cars that includes the 152 horsepower, 2007 Chrysler Imperial and the 1991 Le Baron 1.6 SE, Chrysler has created good cars for over 60+ years.

2002 pt cruiser wiring diagram. PDF Chrysler Pt Cruiser Parts Manual - classifieds.swtimes.com MANUAL PDF 2005 Pt Cruiser Fuel Pump Wiring Diagram How To Set Timing Marks \u0026 Belt Removal 2001-2010 Page 12/46. Download File PDF Chrysler Pt Cruiser Parts ManualChrysler PT Cruiser ⭐ 2002 Chrysler PT Cruiser - 2.4 - Starter Replacement 2002 Pt Cruiser Lower Motor Mount ReplacementChrysler Pt Cruiser Parts Manual The Chrysler PT Cruiser ... PDF 01 Chrysler Pt Cruiser Wire Diagrams - yearbook2017.psg.fr 2002 pt cruiser engine diagram wiring schematic acepeople co, 2006 chrysler pt cruiser ac wiring diagram best place to, 01 pt cruiser engine wiring diagram pictures, 2002 pt cruiser ignition wiring diagram roshdmag org, 2006 pt cruiser an airconditioner wiring diagram gt asap, 2005 pt cruiser engine diagram spark plug PDF Diagram Of Pt Cruiser Engine - online-event-chat ... an airconditioner wiring diagram for a PT Cruiser GT. Show Picture Of 2006 2.4l Pt Cruiser Wiring Diagram Collection of 2001 pt cruiser wiring diagram. A wiring diagram is a simplified standard photographic representation of an electrical circuit. It reveals the elements of the circuit as simplified forms, and PDF 03 Pt Cruiser Wiring Diagram - annualreport.psg.fr pin diagram of pcm for my pt cruiser 2004, 2002 pt cruiser ignition wiring diagram roshdmag org, 2003 chrysler pt cruiser electrical problems, 2006 pt cruiser engine wiring diagram for all sensors and, af electrical problem on 2003 pt cruisers allpar

Chrysler PT CRUISER Haynes Repair Manuals & Guides Chrysler PT CRUISER CONVERTIBLE PHASE 1 - 2D 2004-03->2005-12 PT CRUISER (00->09) 2.4 143HP (S/EDZ) Change. Haynes Manuals Autofix NEW! Advanced electronic diagnostics tool, wiring diagrams and mechanical servicing guide . What's ... Wiring diagrams for engine management, ABS, ESP and air conditioning ... PDF Pt Cruiser 2002 2003 2004 Repair Manual Cruiser Wiring Pt Cruiser Will Not Spin Over With Key 2004 Pt Cruiser Wiring Diagram 2001-2004 Chrysler PT Cruiser Factory Service Repair Manual 2002 2003; Chrysler PT Cruiser 2004 Factory Service Repair Manual; Dodge Chrysler 2002 to 2005 E-Fiche service Page 16/32 PDF Pt Cruiser 2002 2003 2004 Repair Manual 2002 Chrysler PT Cruiser Problems, Reviews, Reliability ... Please Give Me Pin Diagram Of Pcm For My Pt Cruiser 2004 2 Epic 2002 Pt Cruiser Wiring Diagram 76 About Remodel Led 2005 Pt Cruiser Fuel Pump Wiring Diagram Wiring Library ... 2003 Pt Cruiser Wiring Diagram Lovely 2004 Pt Cruiser Wiring Pt Cruiser Will Not Spin Over With Key 2002 Chrysler PT Cruiser Wiring, Cables & Connectors - CARiD.com Ideal solution to keep your vehicle in top shape Crafted from premium-grade materials and the latest technology. $138.50. Mopar® Dashboard Wiring Harness Clip. 0. # 4431343297. Chrysler PT Cruiser Base / Limited / Touring 2.4L 2002, Dashboard Wiring Harness Clip by Mopar®.

2002 Pt Cruiser Engine Diagram Pump Wiring Diagram 2002 pt cruiser oxygen Page 5/41. Online Library 2002 Pt Cruiser Engine Diagramsensor and valve cover seal How to change the head gasket on a chrysler pt cruiser and and line up the timeing belt Removing and installing a pt cruiser engine How to Remove and Replace a Starter - Chrysler PT Cruiser 2.4LHow 2002 Chrysler PT Cruiser A/C Relays, Sensors & Switches ... Chrysler PT Cruiser 2002, A/C Clutch Cycle Switch Connector by Four Seasons®. Products are engineered and tested to provide years of trouble free operation. Backed by over 50 years of mobile A/C experience, fix it once and fix it right... Molded plastic construction OE style connectors. $35.37. Wiring Diagram for 2002 PT Cruiser - Fixya SOURCE: 2002 pt cruiser belt replacement diagram Asked under 2001 Category for a 2002 Question. Click on the following free direct Link.It has the correct Serpentine/Drive Belt Diagrams for your 2002 Chrysler PT Cruiser 2.4L DOHC In-Line 4-Cylinder Engine with the Engine Options (AC/No AC etc.). PDF Pt Cruiser 2002 2003 2004 Repair Manual Where To Download Pt Cruiser 2002 2003 2004 Repair Manual Pt Cruiser 2002 2003 2004 Repair Manual Thank you for downloading pt cruiser 2002 2003 2004 repair manual.As you may know, people have search numerous times for their chosen books like this pt cruiser 2002 2003 2004 repair manual, but end up in malicious downloads.

Die Sicherungskasten und das Relais für Chrysler PT Cruiser ...

Die Sicherungskasten und das Relais für Chrysler PT Cruiser ...

PDF 2002 Pt Cruiser Repair Manual - jobs.theledger.com 2002 Chrysler PT Cruiser Touring Edition - for sale in Johnstown, Pennsylvania 15905⭐️ MANUAL PDF 2005 Pt Cruiser Fuel Pump Wiring Diagram Haynes Manuals - Chrysler PT Cruiser (00-09) | 2.0 OnDemand preview DOWNLOAD Dodge Stratus Repair Manual 2000-2003 (INSTANTLY) 2003 Chrysler PT Cruiser (Repair

2005 Chrysler PT Cruiser Wiring Diagram Manual Original

2005 Chrysler PT Cruiser Wiring Diagram Manual Original

pt cruiser wiring diagram Questions & Answers (with Pictures) NEED WIRING DIAGRAM FOR 2002 PT CRUSIER STARTER. PT Cruiser starter. Not sure which wires go where anymore. Confused! Please help Hello chk614, ...

I require a wiring diagram and an airconditioner wiring ...

I require a wiring diagram and an airconditioner wiring ...

alternator - 2002 Chrysler PT Cruiser - RepairPal PT Cruiser / 2002 / alternator; Alternator. 2002 Chrysler PT Cruiser. Asked by hillbilly678 in Forsyth, GA on . ... Alternator wiring connectors Alternator belt Axle retaining nut Lower control arm from the steering knuckle Axle shaft Lower mounting bolt from the upper adjustment bracket

Please give me pin diagram of PCM for my pt cruiser 2004, 2,4 ...

Please give me pin diagram of PCM for my pt cruiser 2004, 2,4 ...

PT Cruiser, 2001 - 2005 Sentry Key Immobilizer (SKI) System ... Access our free Sentry Key Immobilizer (SKI) System Repair Guide for PT Cruiser, 2001 – 2005 through AutoZone Rewards. These diagrams include: Access our PT Cruiser, 2001 – 2005 Sentry Key Immobilizer (SKI) System Repair Guide Description and Operation by creating an account or signing into your AutoZone Rewards account.

STARTING/CHARGING – Chrysler PT Cruiser Limited 2002 – SYSTEM ...

STARTING/CHARGING – Chrysler PT Cruiser Limited 2002 – SYSTEM ...

Need free wiring diagrams for 2002 PT Cruiser engine - Fixya 22 Jan 2017 — SOURCE: NEED WIRING DIAGRAM FOR 2002 PT CRUSIER STARTER. Hello chk614, my name is JShreader. Thank you for choosing fixya.com.

TRANSMISSION – Chrysler PT Cruiser Touring 2002 – SYSTEM ...

TRANSMISSION – Chrysler PT Cruiser Touring 2002 – SYSTEM ...

PDF Free Manual For Pt Cruiser - cms.nationnews.com Chrysler Pt Cruiser manual service manual maintenance car repair manual workshop manual diagram owner's manual user manuals pdf download free, source of service information, technical specifications, and wiring schematics for the Chrysler Pt Cruiser. ... Free 2002 pt cruiser owner's manual - Fixya ...

Schaltplan 2002 Chrysler PT Cruiser Automatik SUV Elektrische ...

Schaltplan 2002 Chrysler PT Cruiser Automatik SUV Elektrische ...

SOLVED: 2002 Chrysler PT Cruiser wiring question - Fixya One loose single wire with connector. I believe it is green with a pink stripe or green with an orange stripe. Seems more pink. According to wiring diagrams ...

Door window regulator wiring diagram for 2007 pt cruiser - Fixya

Door window regulator wiring diagram for 2007 pt cruiser - Fixya

SOLVED: NEED WIRING DIAGRAM FOR 2002 PT CRUSIER STARTER - Fixya Need a wiring diagram for 2001 pt cruiser i have wiring digrams for 2001 PT Cruiser from Mitchell On Demand. Just need to know which specific part needed diagram for.

I have a 2001 pt cruiser. the multifunction switch connector ...

I have a 2001 pt cruiser. the multifunction switch connector ...

Haynes on YouTube: new Chrysler PT Cruiser videos | Haynes ... Chrysler launched their new PT Cruiser onto the market in 2001. The PT (Personal Transport) was a fusion of modern and retro car design styles. It was a very popular four-door compact wagon with 2.4 liter, 4 cylinder engines, and multi-port fuel injection. The Chrysler PT 2001-2010 was available with five-speed manual or four-speed automatic ...

2002 PT Cruiser Touring: Cooling fan..Replaced low speed relay

2002 PT Cruiser Touring: Cooling fan..Replaced low speed relay

PDF 2004 Pt Cruiser Wiring Diagrams Manual Number 81 370 04361 2004 Pt Cruiser Wiring Diagrams 2004 Pt Cruiser Wiring Diagrams Manual Number 81 370 04361 Wiring An Schematic Diagram Schematics Online Please Give Me Pin Diagram Of Pcm For My Pt Cruiser 2004 2 Epic 2002 Pt Cruiser Wiring Diagram 76 About Remodel Led 2005 Pt Cruiser Fuel Pump Wiring Diagram Wiring Library 2010 Pt Cruiser Fuse Box Wiring ...

My Chrysler 2002 PT Cruiser Limited rear brake lights do not ...

My Chrysler 2002 PT Cruiser Limited rear brake lights do not ...

2002 Chrysler PT Cruiser Vehicle Wiring Chart and Diagram 2002 Chrysler PT Cruiser. Item, Wire Color, Polarity, Wire Location. 12V, pink/black & red, Positive (+), ignition harness ... Wiring Diagram for

pt cruiser wiring diagram Questions & Answers (with Pictures ...

pt cruiser wiring diagram Questions & Answers (with Pictures ...

2002 Chrysler PT Cruiser "wiring diagram" Questions - Fixya WIRING DIAGRAM FOR 2002 PT CRUSIER STARTER I need a wiring diagram for a 2002 Chrylser PT Cruiser starter. Not sure which wires go where anymore. Confused!

Radiator Cooling Fan: Cooling Fan for Radiator Does Not Come ...

Radiator Cooling Fan: Cooling Fan for Radiator Does Not Come ...

Wiring Diagrams for Cars, Trucks, & SUVs - AutoZone Toyota Pick-ups, Land Cruiser, and 4Runner 1997-00 Wiring Diagrams Repair Guide. Find out how to access AutoZone's Wiring Diagrams Repair Guide for Toyota Pick-ups, Land Cruiser, and 4 Runner 1997-00. Read More

All Wiring Diagrams for Chrysler PT Cruiser 2003 – Wiring ...

All Wiring Diagrams for Chrysler PT Cruiser 2003 – Wiring ...

Chrysler PT Cruiser Heater Is Not Working - RepairPal The most common reasons a Chrysler PT Cruiser heater isn't working are a broken heater blower motor, a problem with the thermostat, or a failed heater blower motor resistor. See what others are asking about their Chrysler PT Cruiser. Get answers from RepairPal's community of auto experts and ...

Chrysler PT Cruiser @ pinouts.ru

Chrysler PT Cruiser @ pinouts.ru

Repair Manual 2002 Chrysler Pt Cruiser Pt Cruiser AllData better Automotive Wiring Diagrams \u0026 Service Info Chrysler PT Cruiser (2001 - 2010) - Service the auto transmission 2002 Pt Cruiser Lower Motor Mount Replacement Website Where Page 11/21. Read Online Repair Manual 2002 Chrysler Pt Cruiser you can Download

Chrysler PT Cruiser Questions - Over Heating - CarGurus

Chrysler PT Cruiser Questions - Over Heating - CarGurus

PDF Pt Cruiser 2002 2003 2004 Repair Manual (PT Cruiser GT) Fuse box location and diagrams: Chrysler PT Cruiser (2001-2005) Pt Cruiser 2002 2003 2004 The PT Cruiser GT (also known as the GT Cruiser) is a high output turbocharged hot hatch variant of the PT Cruiser introduced as a 2003 model.

2002 PT Cruiser drops into neutral usually around 39 mph. car ...

2002 PT Cruiser drops into neutral usually around 39 mph. car ...

PT cruiser electrical issue - DoItYourself.com Community ... Passenger Cars, Mini Vans, SUV Service and Repairs. (No Trucks) - PT cruiser electrical issue - Hey all, I have a 2002 PT cruiser. Problem first occurred about a week ago. I went to lock the vehicle with the key fob and the doors didn't automatically lock like usual. The horn beeped and that was it. I got in the

2001 PT Cruiser: fog lights..factory..there a wiring diagram ...

2001 PT Cruiser: fog lights..factory..there a wiring diagram ...

Pcm pinout help | Allpar Forums Discussion Starter · #1 · Oct 5, 2021. I have a 2002 pt cruiser 2.4L base model. I need help finding the pinout for a first gen pcm with two 40 pin connectors. The service manual only has the 90 pin for the 1.6l and the 38 pin 4 connector setup. Any help is appreciated. Top 10 Most Reliable Car Brands Of 2020.

50 Fresh 2006 Pt Cruiser Cooling Fan Wiring Diagram | Cooling ...

50 Fresh 2006 Pt Cruiser Cooling Fan Wiring Diagram | Cooling ...

PDF 2002 Pt Cruiser Repair Manual 2002 Chrysler PT Cruiser - 2.4 - Starter Replacement 2003 PT Cruiser GT 2.4L Modular Clutch and Slave Cylinder Installation 2002 Chrysler PT Cruiser Touring Edition - for sale in Johnstown, Pennsylvania 15905?? MANUAL PDF 2005 Pt Cruiser Fuel Pump Wiring Diagram Haynes Manuals - Chrysler PT Cruiser (00-09) | 2.0 OnDemand preview DOWNLOAD Dodge ...

All Wiring Diagrams for Chrysler PT Cruiser 2003 ...

All Wiring Diagrams for Chrysler PT Cruiser 2003 ...

Chrysler PT Cruiser Service Repair Manuals on ... - tradebit Tradebit merchants are proud to offer auto service repair manuals for your Chrysler PT Cruiser - download your manual now! With a list of cars that includes the 152 horsepower, 2007 Chrysler Imperial and the 1991 Le Baron 1.6 SE, Chrysler has created good cars for over 60+ years.

All Wiring Diagrams for Chrysler PT Cruiser 2002 – Wiring ...

All Wiring Diagrams for Chrysler PT Cruiser 2002 – Wiring ...

CHRYSLER PT CRUISER 2001-2006 VEHICLE WIRING WIRING INFORMATION: 2002 Chrysler PT Cruiser. WIRE. WIRE COLOR. WIRE LOCATION. 12V CONSTANT WIRE. PINK/BLACK & RED. Ignition Harness. STARTER WIRE.

Transaxle Assembly for 2002 Chrysler PT Cruiser | Mopar ...

Transaxle Assembly for 2002 Chrysler PT Cruiser | Mopar ...

PDF 2002 Pt Cruiser Repair Manual 2002 Chrysler PT Cruiser Touring Edition - for sale in Johnstown, Pennsylvania 15905+Pþ MANUAL PDF 2005 Pt Cruiser Fuel Pump Wiring Diagram Haynes Manuals - Chrysler PT Cruiser (00-09) ¦ 2.0 OnDemand preview DOWNLOAD Dodge Stratus Repair Manual 2000-2003 (INSTANTLY) 2003 Chrysler PT Cruiser (Repair Video) 2002 Pt Cruiser Repair Manual

Turn Signals Not Functioning: Sometime in February 2009, My ...

Turn Signals Not Functioning: Sometime in February 2009, My ...

Chrysler PT Cruiser Workshop Service Repair Manual Download

Chrysler PT Cruiser Workshop Service Repair Manual Download

Chrysler PT Cruiser Diaggramy El | PDF | Chrysler | Cars Of ...

Chrysler PT Cruiser Diaggramy El | PDF | Chrysler | Cars Of ...

GROUND DISTRIBUTION – Chrysler PT Cruiser GT 2007 – SYSTEM ...

GROUND DISTRIBUTION – Chrysler PT Cruiser GT 2007 – SYSTEM ...

2002 Chrysler PT Cruiser Wiring diagram - Questions (with ...

2002 Chrysler PT Cruiser Wiring diagram - Questions (with ...

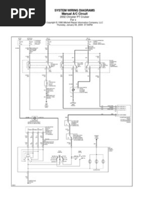
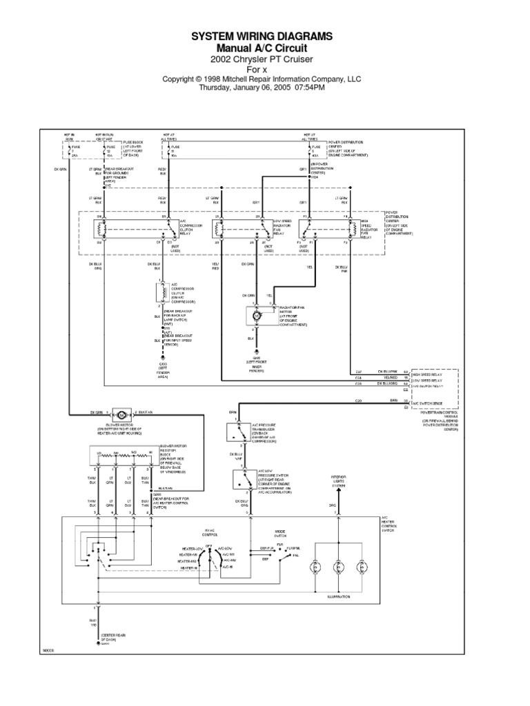
COOLING FAN – Chrysler PT Cruiser GT 2003 – SYSTEM WIRING ...

COOLING FAN – Chrysler PT Cruiser GT 2003 – SYSTEM WIRING ...

TRANSMISSION – Chrysler PT Cruiser Limited 2002 – SYSTEM ...

TRANSMISSION – Chrysler PT Cruiser Limited 2002 – SYSTEM ...

POWER SEATS – Chrysler PT Cruiser Limited 2002 – SYSTEM ...

POWER SEATS – Chrysler PT Cruiser Limited 2002 – SYSTEM ...

All Wiring Diagrams for Chrysler PT Cruiser Touring 2002 ...

All Wiring Diagrams for Chrysler PT Cruiser Touring 2002 ...

I have a 2002 pt cruiser. The radiator fan will not come on ...

I have a 2002 pt cruiser. The radiator fan will not come on ...

TRANSMISSION – Chrysler PT Cruiser Limited 2002 – SYSTEM ...

TRANSMISSION – Chrysler PT Cruiser Limited 2002 – SYSTEM ...

My Chrysler 2002 PT Cruiser Limited rear brake lights do not ...

My Chrysler 2002 PT Cruiser Limited rear brake lights do not ...

2002 Chrysler PT Cruiser P0750 P0888

2002 Chrysler PT Cruiser P0750 P0888

SHIFT INTERLOCKS – Chrysler PT Cruiser 2002 – SYSTEM WIRING ...

SHIFT INTERLOCKS – Chrysler PT Cruiser 2002 – SYSTEM WIRING ...

Not Cranking Over - Starter Problems: Electrical Problem 4 ...

Not Cranking Over - Starter Problems: Electrical Problem 4 ...

Where can I get a wiring diagram for a 2004 pt cruiser cruise ...

Where can I get a wiring diagram for a 2004 pt cruiser cruise ...

I have a 2006 PT Cruiser. The all the power windows stopped ...

I have a 2006 PT Cruiser. The all the power windows stopped ...

2001 PT Cruiser: fog lights..factory..there a wiring diagram ...

2001 PT Cruiser: fog lights..factory..there a wiring diagram ...

Chrysler PT Cruiser Diaggramy El | PDF | Chrysler | Cars Of ...

Chrysler PT Cruiser Diaggramy El | PDF | Chrysler | Cars Of ...

SOLVED: Where does the green wire on starter for a 2002 pt ...

SOLVED: Where does the green wire on starter for a 2002 pt ...

70 Luxury 2002 Pt Cruiser Starter Wiring Diagram | Electrical ...

70 Luxury 2002 Pt Cruiser Starter Wiring Diagram | Electrical ...

CHRYSLER PT CRUISER SERVICE & REPAIR MANUAL Pdf Download ...

CHRYSLER PT CRUISER SERVICE & REPAIR MANUAL Pdf Download ...

0 Response to "44 2002 pt cruiser wiring diagram"

Post a Comment

Iklan Atas Artikel

Iklan Tengah Artikel 1

Iklan Tengah Artikel 2

Iklan Bawah Artikel