Iklan 300x250

43 murray lawn mower deck parts diagram

Murray Lawn Mower Parts Diagram - Wiring Diagram Database Murray lawn mower parts that fit straight from the manufacturer. Model numbers on murray riding lawn mowers are found on the back of the mower or under the seat. On the center of the deck between the brackets that the lower handle mounts to. Enter your model number in the search box... Buy Murray Lawn Mower & Outdoor Power Equipment Spare ... Go have fun.” lawn and garden equipment. Exclusively powered by the world’s leading small engines from Briggs & Stratton, Murray is a perfect fit for today’s consumers who are seeking reliable, high-value products to simplify their busy lifestyles. All Mower Spares stocks the Genuine spare parts you need to get the job done.

Murray model 465306x8b manual - free tutorial chm on r.sdguanri.site Murray Riding Lawn Mowers and Lawn Tractors - Parts Warehouse. SOLVED: need diagram for belt insallation on riding mower. Instructions to Install Murray Lawn Tractor Belts. Murray lawn tractors use two types of rubber belts: a transmission belt and a mowing deck drive belt.

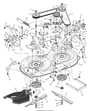
Murray lawn mower deck parts diagram

Murray lawn mower deck parts diagram

Murray Lawn Mower Deck Parts | The Garden Brute 22 Self Propelled Lawn Mower. January 20, 2018. Ariens Riding Lawn Mower Reviews. South Texas Botanical Gardens & Nature Center. December 22, 2017. Lawn Mower Blade Sharpeners. January 19, 2018. 40319x98B - Lawn Tractor (2000) Deck Assembly (part 2) Murray 40319x98B - Lawn Tractor (2000) Deck Assembly (part 2) Exploded View parts lookup by model. Complete exploded views of all the major manufacturers. Murray Lawn Mower Solenoid Wiring Diagram 12 posts related to Murray Lawn Mower Solenoid Wiring Diagram.

Murray lawn mower deck parts diagram. Murray Electrical Parts Murray Lawn Tractor Wiring Diagram Ebook Craftsman lawn tractor wiring diagram furthermore murray riding mower electrical problems changed all switches solenoid white lawn tractor wiring Murray 38515x92b Lawn Tractor 1998 Parts Diagrams... Murray Lawn Mower Deck Parts Diagram 93 Honda Civic Wiring Harness Diagram. Gibson Les Paul Standard Wiring Diagram. Rv Battery Disconnect Switch Wiring Diagram. Murray Lawn Mower Parts | Fast Shipping | eReplacementParts.com Murray Lawn Mower parts that fit, straight from the manufacturer. Use our interactive diagrams, accessories, and expert repair help to fix your Murray This genuine OEM sourced replacement part is designed for use with Murray lawn mowers/tractors. This item engages and routes the battery... Murray 40504x92A - Lawn Tractor (1999) Parts Diagrams Murray 40504x92A - Lawn Tractor (1999) Exploded View parts lookup by model. Complete exploded views of all the major manufacturers. It is EASY and FREE.

Pin on auto | murray lawn mower belt diagram - Google Search Sabre 15538G front-engine lawn tractor parts - manufacturer-approved parts for a proper fit every time! Craftsman Lawn Tractor Wiring Schematic Mower Diagram Electrical Riding On S On Craftsman Riding Lawn Mower Murray Lawn Mower Deck Parts Diagram. Alexander Ceasar. Murray Lawn Mower Deck Parts Diagram 2 | Home Improvement 42" Lawn Tractor? Use our part lists, interactive diagrams, accessories and expert repair advice to make your repairs easy.. Sears LT/16 Lawn Tractor & 42" Mower Owner & Parts Manual 502.255190 Murray hp. This Mower Deck Parts Rebuild Kit Includes (1) Deck Belt 1/2" x 103.24" . Yard Machine Mower Deck Diagram 9 Images - Mtd 13a 325 190... scotts s2554 parts diagram untpikapps, yard machines 140cc 20 inch push mower buy push lawn mower We attempt to introduce it in this posting back this may be one of excellent references for any Yard Machine Mower Deck Diagram options. Murray Riding Mower Parts Diagram - Automotive Parts Diagram ... Description: Murray 30577X8A Parts List And Diagram – (1999 with Murray Riding Mower Parts Diagram, image size 590 X 747 px, and to view image details please click the image. Here is a picture gallery about murray riding mower parts diagram complete with the description of the image, please find the image you need.

Murray 1695809 - 46" Mower Deck Parts Diagrams - Jacks ... Murray 1695809 - 46" Mower Deck Exploded View parts lookup by model. Complete exploded views of all the major manufacturers. It is EASY and FREE. Murray 387002x92C - Lawn Tractor (2005) Parts Diagrams Murray 387002x92C - Lawn Tractor (2005) Exploded View parts lookup by model. Complete exploded views of all the major manufacturers. It is EASY and FREE. Murray 38502x98A - Lawn Tractor (1998) Parts Diagrams Murray 38502x98A - Lawn Tractor (1998) Exploded View parts lookup by model. Complete exploded views of all the major manufacturers. It is EASY and FREE. M 175-42 - Murray 42" Riding Mower (2013) Mower Deck Parts ... Mower Deck diagram and repair parts lookup for Murray M 175-42 - Murray 42" Riding Mower (2013)

Briggs & Stratton Yard Power (formerly Murray)_ ...

Briggs & Stratton Yard Power (formerly Murray)_ ...

Murray Illustrated Parts Lists - Lawnmower Pros We are an Authorized Murray Mower service dealer carrying a large selection of Murray Illustrated Parts Lists. If you do not see the Murray Part you need, please complete the Lawn Parts Request Form and we will be happy to assist you. MURRAY. CULTIVATOR. 11052X30B.

1695810 Murray - 46

1695810 Murray - 46" Mower Deck - PartsWarehouse

Murray Lawn Mower Deck Parts Diagram | Automotive Parts... Description : Murray 7800258 Parts List And Diagram - (M2255Fc with Murray Lawn Mower Deck Parts Diagram, image size 590 X 635 px, and to Here is a picture gallery about murray lawn mower deck parts diagram complete with the description of the image, please find the image you need.

Murray 405002x8A - Lawn Tractor (2002) Parts Diagram for ...

Murray 405002x8A - Lawn Tractor (2002) Parts Diagram for ...

Lawn Mower Parts - 96045004600 (2013-09) Parts Diagrams Husqvarna YTH24V48 - 96045004600 (2013-09) Exploded View parts lookup by model. Complete exploded views of all the major manufacturers. It is EASY and FREE

Murray 42 Lawn Mower Blade Belt '97 & Up 37X88MA

Murray 42 Lawn Mower Blade Belt '97 & Up 37X88MA

Murray Parts Lookup by Model - Jacks Small Engines Parts lookup for Murray power equipment is simpler than ever. Enter your model number in the search box above or just choose from the list below.

Murray 13AC76LF058 - Murray Lawn Tractor (2013) Mower Deck ...

Murray 13AC76LF058 - Murray Lawn Tractor (2013) Mower Deck ...

Arkansas outdoor site map | MORE LAWN MOWER BLADES ...Lawnmower ,lawn mower belts and blades ,generator ,briggs and stratton ,kohalmen ,grasshopper ,brute ,murray ,murray belts ,honda ,honda engine ,generac ,nortstar ,north star ,robin suburu ,mtd ,sanborn...

13at604g755 | Online www.pegasusaerogroup.com

13at604g755 | Online www.pegasusaerogroup.com

[DIAGRAM] Murray Mower... - LOGICDIAGRAM.APASONDRIO.IT Murray Lawn Tractor Wiring Diagram. Toro Professional 74. Electrical Wiring Diagram Swisher Mowers. Most notably, though using household electrical Murray Mower Wiring Diagram isn't going to neglect one essential expressing "Energy can destroy."

13AM775S058 - Murray Lawn Tractor (2014) Parts Lookup with ...

13AM775S058 - Murray Lawn Tractor (2014) Parts Lookup with ...

Murray Lawn Mower Parts - ProPartsDirect Murray Lawn Mower Parts. ProParts Direct is the trusted supplier of Murray lawnmower Parts. With over 100,000 Murray parts in Stock and ready to ship the same Day we offer Competitive Prices and flat rate shipping.

Murray 2690992 - ELB125380, 12.5HP 38

Murray 2690992 - ELB125380, 12.5HP 38" Lawn Tractor (2011 ...

29 Husqvarna Lawn Mower Deck Diagram 26 Simplicity Mower Deck Belt Diagram. Diagram Mtd Yard Machine Wiring Diagram Full Version Hd. Wiring Diagram 9 Craftsman Lawn Mower Parts Diagram. Simplicity 1600280.

13a0785t058 | Shop www.spora.ws

13a0785t058 | Shop www.spora.ws

Murray 46" Deck 1999 - 2009 | Small Engine Equipment Parts This part is No Longer Available and stock is depleted. Blade Adapter - Splined, diameter: 2-5/32" Splined shaft: 5/8" POWDERED METAL, replaces Murray 92466, 91926 For blades with round center-hole on riding mower & lawn tractor (1990 to present) Use with Oregon® 82-243, Oregon®...

8TEN Drive Belt for Murray 38500A 405011x92B 40509x92A 40541x99C 425005x8B  42500B 037X87MA 37X87MA 710341

8TEN Drive Belt for Murray 38500A 405011x92B 40509x92A 40541x99C 425005x8B 42500B 037X87MA 37X87MA 710341

Deck Parts Diagram Actually we have been noticed that murray lawn mower deck parts diagram is being one of the most popular topic at this time. Craftsman ys4500 deck parts diagram ys4500 craftsman rivercityromancewriters org. Lots of people looking for information about craftsman mower deck parts...

MURRAY RIDING LAWN MOWER PARTS

MURRAY RIDING LAWN MOWER PARTS

13AO785T058 - Murray Lawn Tractor (2012) Parts & Diagrams ... Repair parts and diagrams for 13AO785T058 - Murray Lawn Tractor (2012) ... Murray Lawn Tractor (2012) Parts & Diagrams Parts Lists & Diagrams. ... Mower Deck 46-Inch.

SOLVED: Need a diagram of the drive belt installation ...

SOLVED: Need a diagram of the drive belt installation ...

Murray 1695967 - 42" Mower Deck (2011) Parts Diagrams Murray 1695967 - 42" Mower Deck (2011) Exploded View parts lookup by model. Complete exploded views of all the major manufacturers. It is EASY and FREE

Murray Riding Lawn Mower - Model 13B326JC758 | MTD Parts

Murray Riding Lawn Mower - Model 13B326JC758 | MTD Parts

How to change the deck belt | Troy-Bilt riding lawn mower - YouTube This is how you remove and change the deck belt on your Troy-Bilt riding lawn mower. Always be sure to check your owner's manual for detailed instructions...

Murray M 135-38 (13A1762F058) - Murray Lawn Tractor (2019 ...

Murray M 135-38 (13A1762F058) - Murray Lawn Tractor (2019 ...

Riding Lawn Mower Parts | MTD Parts Lawn maintenance is easier with MTD lawn tractors. They allow you to haul equipment, soil, tools and more around your yard. Genuine MTD lawn tractor parts can help you maintain your outdoor power equipment long-term. Find riding lawn mower blades, belts, cables and more to repair your unit as...

Second Hand Ride On Mower Parts Online Store, UP TO 70% OFF ...

Second Hand Ride On Mower Parts Online Store, UP TO 70% OFF ...

Murray Lawn Mowers Manuals - Free Catalogs A to Z Preview / Show more. Category: Murray lawn mower parts diagram Show details. Murray Lawn Mower 20-inch User Guide - ManualsOnline.com. 4 hours ago The model and serial number of a Murray pursh lawn mower is located on the back of the deck between the lower handle mounts.

Murray Lawnmower Belts – FG Adamson

Murray Lawnmower Belts – FG Adamson

Victa Lawn Mower Parts and Spares Online All Mower Spares offers a range of Victa Lawn Mower Parts for mower repairs online.. Victa is owned by the Briggs & Stratton Corporation, a world leader in small engine manufacture and major supplier of engines to Victa, while the vast majority of our mower products continue to be made in Australia at our Moorebank NSW head office.As Australia's favourite mower, we are …

Murray Lawn Mower 7800864 Users Manual ILLUSTRATED PARTS LIST ...

Murray Lawn Mower 7800864 Users Manual ILLUSTRATED PARTS LIST ...

Murray 1696087 - 52" Mower Deck (2012) Parts Diagrams Murray 1696087 - 52" Mower Deck (2012) Exploded View parts lookup by model. Complete exploded views of all the major manufacturers. It is EASY and FREE

Murray 46

Murray 46" Lawn Tractor | 461008x692A | eReplacementParts.com

Murray Lawn Mower Deck Parts Diagram | Home Improvement Model Numbers on Murray riding lawn mowers are found on the back of the. behind mowers are normally on the center of the deck between the brackets . For murray original equipment parts with parts lookup diagrams, please read below before clicking on the...

Murray Riding Mower | 42819X92A | eReplacementParts.com

Murray Riding Mower | 42819X92A | eReplacementParts.com

Support | Manuals | Murray | Zero Turn Mowers Model Numbers on Murray riding lawn mowers are found on the back of the mower or under the seat. Model numbers on Murray push mowers and walk behind mowers are normally on the center of the deck between the brackets that mount the lower handle.

Murray 465617x51A - Lawn Tractor (2007) Parts Diagram for ...

Murray 465617x51A - Lawn Tractor (2007) Parts Diagram for ...

ELB125380, 12.5HP 38" Lawn Tractor (2011) 38" Mower ... Murray 2690992 - ELB125380, 12.5HP 38" Lawn Tractor (2011) 38" Mower Deck - Height Adjust Group Parts Diagram. SWIPE SWIPE Previous Diagrams Next Diagrams.

Murray Rear Discharge Lawn Tractor, MRD100, MRD200 | Manualzz

Murray Rear Discharge Lawn Tractor, MRD100, MRD200 | Manualzz

Parts Lookup and OEM Diagrams | PartsTree Results for "murray 30577x8A - Lawn Tractor (1998)" (20668 Models). Filter Results Hide Show. Marketing Brand. Pressure Washers (7) Riding Mowers (15622) Snow Blowers & Snow Throwers (370) String Trimmers & Brush Cutters (250) Tillers (84) Utility Vehicles (2) Walk-Behind Mowers...

NOMA Murray E3912 Lawn Tractor 12 hp & 39

NOMA Murray E3912 Lawn Tractor 12 hp & 39" Mower Deck Owner & Parts Manual | eBay

Murray Mower Deck Assemblies Parts with Diagrams - PartsTree Murray Mower Deck Assemblies ( 18 Models ) 1694863 - Murray 44" Mower Deck. 1695642 - Murray 46" & 52" Mower Deck Turbo. 1695642 A-00 - Murray 46" & 52" Mower Deck Turbo. 1695757 - Murray 54" Turbo Mower Deck. 1695809 - Murray 46" Mower Deck (2010) 1695810 - Murray 46" Mower Deck. 1695960 - Murray 54" Mower Deck (2011)

Murray 42583X9A User Manual LAWN MOWER 16.5 H.P. 42 Manuals ...

Murray 42583X9A User Manual LAWN MOWER 16.5 H.P. 42 Manuals ...

Murray Lawn Mower Carburetor Diagram - Wiring Diagram Source Lawn mower has been selected. If you need parts for the lawn mower engine please select the small engine product type from the shop parts menu above. Murray riding mower tractor parts view models. Model numbers on murray riding lawn mowers are found on the back of the mower or under the seat.

SOLVED: Need Belt Diagram - Murray Riding Mower - iFixit

SOLVED: Need Belt Diagram - Murray Riding Mower - iFixit

Murray lawn mower spare parts No genuine murray spare parts are available at this time please use our search engine to find the murray parts you are looking for we have many OEM replacement parts available including belts, spindle housings, blades...

Pin on Lawn,weeds,fertilizer

Pin on Lawn,weeds,fertilizer

Amazon.com: Murray - Deck Parts / Lawn Mower Replacement Parts... RESULTS. Murray 7074473BMYP Lawn Mower Clutch Handle Genuine Original Equipment Manufacturer (OEM) Part. Murray 94137MA Friction Pad for Lawn Mowers.

Murray Hydro Riding Lawn Tractor & Mower Deck Owners Manual 46569x9A | eBay

Murray Hydro Riding Lawn Tractor & Mower Deck Owners Manual 46569x9A | eBay

Murray 46901x92B - Lawn Tractor (1996) Parts Diagrams Murray 46901x92B - Lawn Tractor (1996) Exploded View parts lookup by model. Complete exploded views of all the major manufacturers. It is EASY and FREE.

Murray 42

Murray 42" 46" & 52" Deck Spindle Assembly No. 7601127MA ...

Murry Lawn Mower Parts Diagram - Drivenhelios Murray lawn mowers are known as affordable and efficient push and riding lawn mowers. The source of efficiency in murray products hails from the briggs stratton that powers each murray lawn mower. Murray Engine Parts Diagram Everything Wiring Diagram. Whether youre looking for a new part for...

40504x92A Murray - Lawn Tractor (1999) - PartsWarehouse

40504x92A Murray - Lawn Tractor (1999) - PartsWarehouse

Wiring Diagram Murray Riding Lawn Mower 9 Images - Mtd... Wiring Diagram Murray Riding Lawn Mower. Here are a number of highest rated Wiring Diagram Murray Riding Lawn Mower pictures on internet. We identified it from obedient source. Its submitted by management in the best field.

Pin on sears lt2000

Pin on sears lt2000

Now, on the back is a listing of the various "Murray Lawn Mower..." I have a NOMA riding lawn mower, model #B381 2210 and need a manual or diagram showing the steering assembly (parts & assembly) and i have a noma riding with 43 inch deck model number E 4318080. My left rear axle is broke and i cant find a diagram anywhere to get the part number off of...

40507x8C Murray - Lawn Tractor (2001) - PartsWarehouse

40507x8C Murray - Lawn Tractor (2001) - PartsWarehouse

Quick Parts Model Guide for John Deere Parts 325 Lawn Tractor with... ...325 Lawn and Garden Tractor with 48″ mower deck, or search illustrated diagrams to determine the part you need for your John Deere 325 lawn and garden tractor with 48″ mower deck. Tune-up for John Deere 325 Lawn and Garden Tractor w/48″ Mower Deck. Part Number. Description.

Murray Riding Lawn Mower Tractor 938600 Owner & Parts Manual 1989 | eBay

Murray Riding Lawn Mower Tractor 938600 Owner & Parts Manual 1989 | eBay

Murray 46904x92A - Lawn Tractor (1996) Parts Diagrams Murray 46904x92A - Lawn Tractor (1996) Exploded View parts lookup by model. Complete exploded views of all the major manufacturers. It is EASY and FREE.

SOLVED: Belt routing diagrams for Murray Select 46 inch - Fixya

SOLVED: Belt routing diagrams for Murray Select 46 inch - Fixya

Murray Lawn Mower Solenoid Wiring Diagram 12 posts related to Murray Lawn Mower Solenoid Wiring Diagram.

3344 / 3348 2003 Grasshopper Mower Decks- Grasshopper Parts ...

3344 / 3348 2003 Grasshopper Mower Decks- Grasshopper Parts ...

40319x98B - Lawn Tractor (2000) Deck Assembly (part 2) Murray 40319x98B - Lawn Tractor (2000) Deck Assembly (part 2) Exploded View parts lookup by model. Complete exploded views of all the major manufacturers.

Murray 38

Murray 38", 40", 42" Deck | Small Engine Equipment Parts

Murray Lawn Mower Deck Parts | The Garden Brute 22 Self Propelled Lawn Mower. January 20, 2018. Ariens Riding Lawn Mower Reviews. South Texas Botanical Gardens & Nature Center. December 22, 2017. Lawn Mower Blade Sharpeners. January 19, 2018.

Murray 30

Murray 30" Rear Engine Rider | 30577x8A | eReplacementParts.com

Support | Manuals | Murray

Support | Manuals | Murray

Murray 21

Murray 21" Gas Push Lawn Mower with Briggs and Stratton Engine, Side Discharge, Mulching, Rear Bag, Rear High Wheels

Where can I get a manual for a Murray Lawn mower Select 22 ...

Where can I get a manual for a Murray Lawn mower Select 22 ...

387002x92A Murray - Lawn Tractor (2004) - PartsWarehouse

387002x92A Murray - Lawn Tractor (2004) - PartsWarehouse

Illustrated Parts List

Illustrated Parts List

Murray Lawn Mower 46

Murray Lawn Mower 46" deck remove and belt replace

MURRAY 405004X99 RIDING MOWER ILLUSTRATED PARTS LIST | Manualzz

MURRAY 405004X99 RIDING MOWER ILLUSTRATED PARTS LIST | Manualzz

Murray 46

Murray 46" Deck 1999 - 2009 | Small Engine Equipment Parts

0 Response to "43 murray lawn mower deck parts diagram"

Post a Comment

Iklan Atas Artikel

Iklan Tengah Artikel 1

Iklan Tengah Artikel 2

Iklan Bawah Artikel