Iklan 300x250

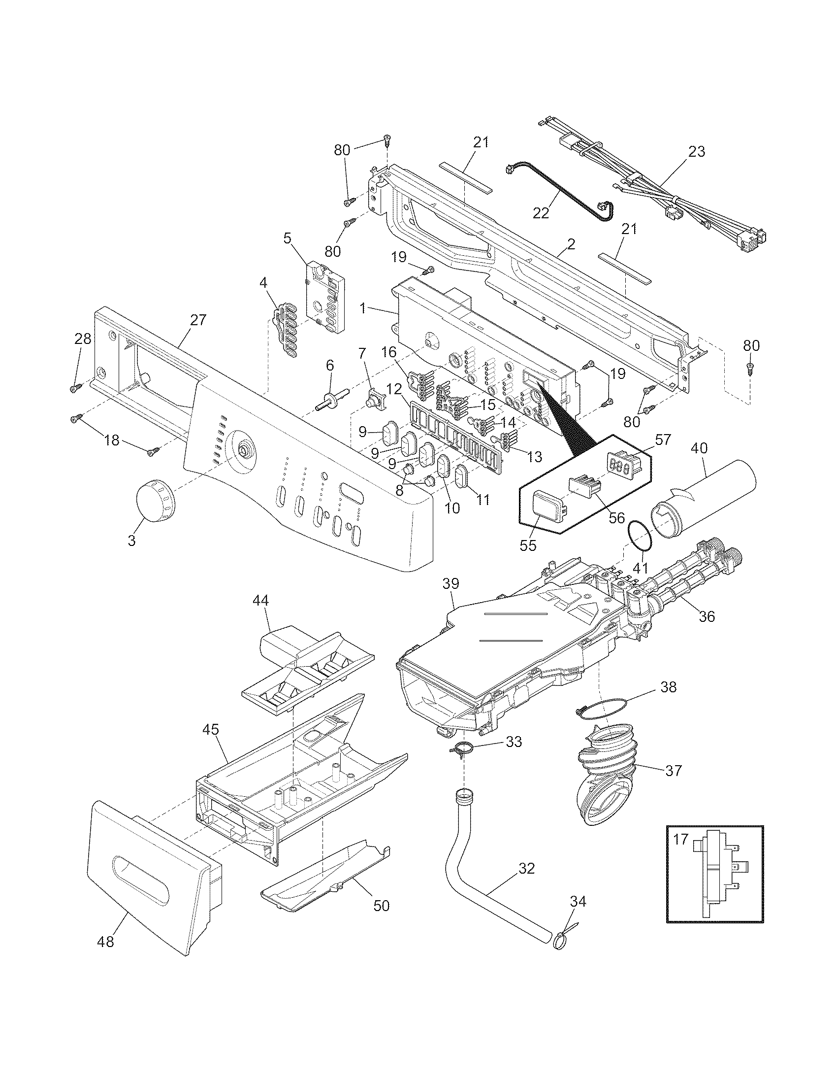
41 frigidaire gallery washer parts diagram

Frigidaire Washing Machine Replacement Parts | Fast ... Fortunately, you're in the right place when something goes wrong. Repair Clinic carries the genuine Frigidaire replacement parts that match your washer, whether you own the popular 4.1 cubic foot high efficiency top-load washer, the Frigidaire Gallery 3.5 cubic foot front load washer, or any other model. Parts for FRIGIDAIRE GALLERY PROFESSIONAL SERIES ... Original, high quality parts for FRIGIDAIRE GALLERY PROFESSIONAL SERIES in stock and ready to ship today. 365 days to return any part.

No problem rightOne of the most common problems with ... 2 days ago · The problem with this fridge is that it doesn't outdo the similar, Feb 14, 2022 · Frigidaire Gallery collection: The Gallery collection includes one upright freezer and two models of freezer/refrigeration combos. 0 cu. Richard & Son. frigidaire top freezer refrigerator problems. Unplugged for 2 days. Dimension: 3250 x 2542. Kitchen appliances.

Frigidaire gallery washer parts diagram

Frigidaire gallery washer parts diagram

Washing Machine Parts: Fast Shipping - Frigidaire ... Washing Machine Shock Absorber. Item # 2220542. Grid is 1 inch square. Skill Level: Skill Level. Washing machine shock absorber kit. The shock absorbers dampen the vibration of the washer tub. If one or more of the shock absorbers are worn out, the washer will vibrate or shake. OEM Part - Manufacturer #5304485917. Frigidaire Gallery Dishwasher Parts Diagram and Similar ... Frigidaire Gallery Dishwasher Parts Diagram | Automotive ... hot carpny.org. Description: Frigidaire Fdr252Rbb1 Parts List And Diagram : Ereplacementparts with Frigidaire Gallery Dishwasher Parts Diagram, image size 620 X 794 px, and to view image details please click the image.. Here is a picture gallery about frigidaire gallery dishwasher parts diagram complete with the description of the ... Official Frigidaire Washer Parts | Order Today, Ships ... PartSelect Number PS7783938. Manufacturer Part Number 137221600. This is a 120 volt, 60 hertz drain pump that is manufactured to remove water from the tub of your washer once your clothes are washed. This part is the pump and motor assembly, which includes a red flapper to prevent drain backflow.

Frigidaire gallery washer parts diagram. Frigidaire Diagram Parts - AppliancePartsPros.com California 19410 Business Ctr Dr. Northridge, CA 91324 1-877-477-7278 Tennessee 240 Edwards St. S. E. Cleveland, TN 37311 1-877-477-7278 GLWS1749AS4 Frigidaire Washer Parts & Free Repair Help ... Parts & Diagrams. Frigidaire Model GLWS1749AS4 parts in stock and ready to ship! Click the diagram where you think your part is located. 01-Cover Parts. 03-Cabinet / Top Parts. 05-Motor / Tub Parts. 07-Transmission Parts. 09-Control / Panel Parts. 10-Wiring Diagram Parts. Frigidaire Washer Parts - AppliancePartsPros.com Answered Instantly. 1-877-477-7278. Widely recognized for quality refrigerators, in the 1940s Frigidaire added washing machines to its home appliance lines. Since then, the brand's washer collections have evolved to feature front- and top-load designs that come in a range of colors and energy-saving options and have features such as Quick Cycle. toledo appliances - craigslist gallery map ... GE Gas dryer parts with diagram $30 (Toledo ) ... Frigidaire Glass Top Convection Oven Electric Stove $445 ...

Amazon.com: frigidaire gallery washing machine parts 1-16 of 466 results for "frigidaire gallery washing machine parts" Ultra Durable 131763310 Washer Door Striker Replacement Part by Blue Stars - Easy to Install - Exact Fit for Frigidaire & Kenmore Washers - Replaces 131763300 AP3580441 PS890617. 4.4 out of 5 stars 716. $5.99 $ 5. 99. Frigidaire GLTF2940FS0 washer parts | Sears PartsDirect Frigidaire GLTF2940FS0 washer parts - manufacturer-approved parts for a proper fit every time! We also have installation guides, diagrams and manuals to help you along the way! Frigidaire Front Load Washer Parts Diagram | Automotive ... Description: Frigidaire Fwt445Ges1 Washer Timer - Stove Clocks And Appliance Timers with Frigidaire Front Load Washer Parts Diagram, image size 848 X 1100 px, and to view image details please click the image.. Here is a picture gallery about frigidaire front load washer parts diagram complete with the description of the image, please find the image you need. Frigidaire Oven F45 Error - riwa-taichi.de Buy Frigidaire Oven Range Parts at Reliable Parts Canada today! Factory authorized appliance parts distributor. This manual for Frigidaire FGEW2765P F, given in the PDF format, is available for free online viewing and download without logging on.

Frigidaire Washer Parts | Fast Shipping ... Frigidaire Washer parts that fit, straight from the manufacturer. Use our interactive diagrams, accessories, and expert repair help to fix your Frigidaire Washer . Please note shipping times may be longer than expected due to carrier delays. 877-346-4814. Departments ... Customer Reviews: HP LaserJet Pro M283fdw Wireless Color ... Now for the bad parts. The light on the power button. This may be nitpicky for some, but it’s a major annoyance for me. When the printer goes into sleep/standby mode, the light on the power button starts blinking. If the printer isn’t within eyesight this isn’t a problem, but where it is in my office I can’t help but see it, and it’s not only annoying but extremely distracting when I ... Frigidaire GLWS1649AS1 washer parts | Sears PartsDirect Frigidaire GLWS1649AS1 washer parts - manufacturer-approved parts for a proper fit every time! We also have installation guides, diagrams and manuals to help you along the way! Frigidaire Washing Machine Parts Diagram | Automotive ... Description: 20 Most Recent Frigidaire Gltf2940F Front Load Washer Questions intended for Frigidaire Washing Machine Parts Diagram, image size 483 X 276 px, and to view image details please click the image.. Here is a picture gallery about frigidaire washing machine parts diagram complete with the description of the image, please find the image you need.

241780810 Upper Freezer Basket - Electrolux - Frigidaire ...

241780810 Upper Freezer Basket - Electrolux - Frigidaire ...

Frigidaire washer parts | Sears PartsDirect Frigidaire WDMW1 washer 84 385 01. 7 parts. Shop parts. Frigidaire WC7DL2 top loading washer lf31287010. 204 parts. Shop parts. Frigidaire WDCLW0 27 washer lf31289040. 161 parts. Shop parts.

Frigidaire F21C645CT0 Parts List | Trible's

Frigidaire F21C645CT0 Parts List | Trible's

Your portable air conditioner is leaking. How to Know ... Il y a 2 jours · Shop by Frigidaire Air Conditioner Parts. hOmeLabs 6, 000 BTU Window Air Conditioner with Smart Control - Low Noise AC Unit with Eco Mode. Forgetful customers will love the door alarm, which beeps when the fridge or freezer door has been left open too long; that way, you can keep food and beverages at the proper temperature and save on energy costs. Ge …

Frigidaire Affinity 3.26 Cu. Ft. Front Load Washer Classic ...

Frigidaire Affinity 3.26 Cu. Ft. Front Load Washer Classic ...

Frigidaire User Manuals Download | ManualsLib View & download of more than 29409 Frigidaire PDF user manuals, service manuals, operating guides. Refrigerator, Ranges user manuals, operating guides & specifications

Frigidaire FWT445GES1 Washer Timer - Stove Clocks and ...

Frigidaire FWT445GES1 Washer Timer - Stove Clocks and ...

Frigidaire GLET1031CS0 Washer/Dryer | PartsWarehouse

Frigidaire GLET1031CS0 Washer/Dryer | PartsWarehouse

Frigidaire Appliance Parts Quality Frigidaire Replacement Parts. Frigidaire appliances are well-known for their quality, usability, and design. No matter the product, you can rest assured that it will provide reliable service for years to come. When it comes time to repair your Frigidaire appliance, you can trust us to get you the right parts to fix your problem.

I have a Frigidaire Affinity Dryer model #GLEQ2152ES0. I ...

I have a Frigidaire Affinity Dryer model #GLEQ2152ES0. I ...

chris-schmalwasser.de kenmore portable dishwasher parts diagram. Replaces AP4511159, 00186892, 00187062, 00213967, 00214560, 00215913.

Model Search | WPXH214A0CC

Model Search | WPXH214A0CC

Apns For Free Android [9CQVON] Search: Free Apns For Android. Also, most free antivirus apps scan. You'll need a distinctive font and logo.

Werpschijf passend voor Lely Centerliner CB SL

Werpschijf passend voor Lely Centerliner CB SL

Frigidaire Gallery Dishwasher Parts Diagram | Automotive ... Description: Frigidaire Fdr252Rbb1 Parts List And Diagram : Ereplacementparts with Frigidaire Gallery Dishwasher Parts Diagram, image size 620 X 794 px, and to view image details please click the image.. Here is a picture gallery about frigidaire gallery dishwasher parts diagram complete with the description of the image, please find the image you need.

Frigidaire Frontload Washer Not Draining | Appliance Aid

Frigidaire Frontload Washer Not Draining | Appliance Aid

Frigidaire Washing Machine Parts Diagram and Similar ... 20.08.2018 20.08.2018 7 Comments on Frigidaire Affinity Washer Parts Diagram. Shop for Frigidaire Washer parts today, from to PCK! part. Refer to the diagram provided by the manufacturer for installation instructions. This kit is used for front load washers and includes 2 dual-stage shock absorbers, .

Frigidaire LTF6000ES0 : Front Load Washer Manual Model Number ...

Frigidaire LTF6000ES0 : Front Load Washer Manual Model Number ...

madison appliances "dryer" - craigslist gallery map ... Frigidaire Stackable Washer and Dryer $800 ... 4ft 4-Prong Electric Range/ Dryer Power Cord w/ wiring diagram $8 ...

Frigidaire FAFW3511KW0 washer parts | Sears PartsDirect

Frigidaire FAFW3511KW0 washer parts | Sears PartsDirect

Washer/Dryer Combo Parts: Fast Shipping - Frigidaire ... Washer/Dryer Combo Lint Filter. Item # 4840026. Grid is 1 inch square. Skill Level: Skill Level. Dryer lint trap. Proper air flow is critical to dryer operation so the filter should be cleaned before every load. Replace the filter if it has any tears or rips in it. OEM Part - Manufacturer #5304516871.

GE Front Load Washer - Parts Only WCVH6260F0WW | eBay

GE Front Load Washer - Parts Only WCVH6260F0WW | eBay

Amazon.com: frigidaire gallery washer parts 1-16 of over 1,000 results for "frigidaire gallery washer parts" Amazon's Choice for frigidaire gallery washer parts. newlifeapp 134844410 Dryer or Washer Knob ( This knob Will Accept a D-Shaped Shaft Switch ) Compatible with Frigidaire, Westinghouse. 4.4 out of 5 stars 113. $7.95 $ 7. 95.

FRIGIDAIRE GALLERY GLWS1649A WASHER FACTORY PARTS CATALOG ...

FRIGIDAIRE GALLERY GLWS1649A WASHER FACTORY PARTS CATALOG ...

Official Frigidaire Washer Parts | Order Today, Ships ... PartSelect Number PS7783938. Manufacturer Part Number 137221600. This is a 120 volt, 60 hertz drain pump that is manufactured to remove water from the tub of your washer once your clothes are washed. This part is the pump and motor assembly, which includes a red flapper to prevent drain backflow.

Frigidaire Electric Washer/Dryer High Efficiency Laundry ...

Frigidaire Electric Washer/Dryer High Efficiency Laundry ...

Frigidaire Gallery Dishwasher Parts Diagram and Similar ... Frigidaire Gallery Dishwasher Parts Diagram | Automotive ... hot carpny.org. Description: Frigidaire Fdr252Rbb1 Parts List And Diagram : Ereplacementparts with Frigidaire Gallery Dishwasher Parts Diagram, image size 620 X 794 px, and to view image details please click the image.. Here is a picture gallery about frigidaire gallery dishwasher parts diagram complete with the description of the ...

Frigidaire Gallery Dishwasher Parts Diagram | Diagram ...

Frigidaire Gallery Dishwasher Parts Diagram | Diagram ...

Washing Machine Parts: Fast Shipping - Frigidaire ... Washing Machine Shock Absorber. Item # 2220542. Grid is 1 inch square. Skill Level: Skill Level. Washing machine shock absorber kit. The shock absorbers dampen the vibration of the washer tub. If one or more of the shock absorbers are worn out, the washer will vibrate or shake. OEM Part - Manufacturer #5304485917.

Washer Dryer Library-Frigidaire Vintage 1947-1960 Washer and ...

Washer Dryer Library-Frigidaire Vintage 1947-1960 Washer and ...

Frigidaire FGHC2331PFAA Parts List | Coast Appliance Parts

Frigidaire FGHC2331PFAA Parts List | Coast Appliance Parts

Frigidaire Affinity 7.0 Cu. Ft. Gas Dryer Classic White ...

Frigidaire Affinity 7.0 Cu. Ft. Gas Dryer Classic White ...

hansgrohe Inbouwdeel bad-/douchemengkranen: sBox, afbouwdeel ...

hansgrohe Inbouwdeel bad-/douchemengkranen: sBox, afbouwdeel ...

Frigidaire Gallery Washer Parts Manual for Models FWX233MRES1 ...

Frigidaire Gallery Washer Parts Manual for Models FWX233MRES1 ...

FFTW1001PW0 Frigidaire Washer Parts & Free Repair Help ...

FFTW1001PW0 Frigidaire Washer Parts & Free Repair Help ...

Frigidaire FGID2466QF6A Parts List | Trible's

Frigidaire FGID2466QF6A Parts List | Trible's

Frigidaire Stack Washer-Dryer Model FEX831CS0 Schematic ...

Frigidaire Stack Washer-Dryer Model FEX831CS0 Schematic ...

FRIGIDAIRE GALLERY 26.8 cu. ft. French Door Refrigerator in ...

FRIGIDAIRE GALLERY 26.8 cu. ft. French Door Refrigerator in ...

Frigidaire Affinity Washer Leaking? Door Boot Seal #134728400 ...

Frigidaire Affinity Washer Leaking? Door Boot Seal #134728400 ...

Frigidaire FWT445GES1 Washer Timer - Stove Clocks and ...

Frigidaire FWT445GES1 Washer Timer - Stove Clocks and ...

Washing Machine Will Not Start - What To Check - How To Fix

Washing Machine Will Not Start - What To Check - How To Fix

Frigidaire Gallery Electric Washer/Dryer Laundry Center White ...

Frigidaire Gallery Electric Washer/Dryer Laundry Center White ...

Technical Service Manual

Technical Service Manual

Frigidaire FAHE4044MW0 Electronic Control Board - Genuine OEM

Frigidaire FAHE4044MW0 Electronic Control Board - Genuine OEM

Frigidaire Frontload Washer Not Draining | Appliance Aid

Frigidaire Frontload Washer Not Draining | Appliance Aid

Frigidaire Affinity 3.7 Cu. Ft. Front Load Washer Classic ...

Frigidaire Affinity 3.7 Cu. Ft. Front Load Washer Classic ...

Frigidaire Gallery Laundry Centers GLEH1642FS (Stacked ...

Frigidaire Gallery Laundry Centers GLEH1642FS (Stacked ...

Frigidaire FWT445GES1 Washer Timer - Stove Clocks and ...

Frigidaire FWT445GES1 Washer Timer - Stove Clocks and ...

Frigidaire Frigidaire/Front Load Washer | GLTF2940FS2 ...

Frigidaire Frigidaire/Front Load Washer | GLTF2940FS2 ...

LG WM0642HW Parts Diagrams

LG WM0642HW Parts Diagrams

Frigidaire FAFW3511KW0 washer parts | Sears PartsDirect

Frigidaire FAFW3511KW0 washer parts | Sears PartsDirect

Kenmore Elite 11045862400 washer parts | Sears PartsDirect

Kenmore Elite 11045862400 washer parts | Sears PartsDirect

LGHB2869TF1 Frigidaire Refrigerator Parts & Free Repair Help ...

LGHB2869TF1 Frigidaire Refrigerator Parts & Free Repair Help ...

FAFW3801LW5 Frigidaire Washer Parts & Repair Help | PartSelect

FAFW3801LW5 Frigidaire Washer Parts & Repair Help | PartSelect

Frigidaire FWT445GES1 Washer Timer - Stove Clocks and ...

Frigidaire FWT445GES1 Washer Timer - Stove Clocks and ...

0 Response to "41 frigidaire gallery washer parts diagram"

Post a Comment

Iklan Atas Artikel

Iklan Tengah Artikel 1

Iklan Tengah Artikel 2

Iklan Bawah Artikel