Iklan 300x250

43 john deere 160 mower deck parts diagram

rockna.de › cllqjrockna.de 6. 00 Exc VAT. John Deere 345 Mower Deck Parts Diagram. John deere operator manual view. GT235 Throttle linkage diagram. on John Deere L130 Carburetor Diagram. John Deere Lawn Mower 06621213-16. It is 500 pages but. John Deere 30294039, 40456059, 6068 Engines (Saran) ( -499999CD) Service Repair Manual Download. John deere l130 parts diagram 9 ... Shop our selection of John-Deere 160 Parts and Manuals John Deere 160 Mower Attachment Service Manual. Available in traditional hardcopy and/or as a .pdf download!Jensales John Deere 160 Riding Mower Ball Bearing. John Deere 160 Sunbelt - Bearings & Bushings | Bearings John Deere 160 Riding Mower Blade, Mower; Hi-Lift (with 38" Deck).

John Deere Mid-Mount Mower Deck Parts John Deere Rear Engine Rider Parts. GreenFunStore John Deere Merchandise & Gifts. Model 47 Mower Deck- 46-inch.

John deere 160 mower deck parts diagram

John deere 160 mower deck parts diagram

John Deere Lt160 Parts Diagram - Free Catalogs A to Z 5 hours ago John Deere Parts Diagrams, John Deere LT160 LAWN TRACTOR. ELECTRICAL. ENGINE AM133145. Click the part number below to view and order John Deere LT160 Lawn Tractor Parts 42C Mower Deck, or search illustrated diagrams to determine the part you need. John Deere 160 Mower Deck Manual cau44 · Wiki... / am5 · GitLab Wheel 160 Deere John Manual Mower Deck Transcribed Automatically transcribe. 1000 Compass Rallye 634 4 berth. S630 powerful Express allows you to select. - Q-310. Articulated Workshop Parts Manual Notice - UFF-3654009. John Deere 160 Mower Deck Manual Ring Repair Manual 30 pp... rockna.de › jcwzyrockna.de Feb 21, 2022 · The John Deere J Series Dozer has overheated during fire operations. 8 Mph. 854 hours on the mower. 50megs. My top two picks: 1) Plugged radiator. Shipping *. Jan 22, 2007 · Points. These John Deere combine parts are standard on all 60 Series Combines and retrofits to all 20 Series, 9000, 10 Series, and 50 Series Combines, excluding sidehill ...

John deere 160 mower deck parts diagram. Small Engine Equipment Parts: Mower Deck Rebuild Kit Home. » Lawn Mower Parts. » Mower Deck Rebuild Kit. Item 3: 1 - Thermoid Deck Belt replaces John Deere GX20305. Item 4: 1 - Oregon® 78-133 Flat Idler Pulley John Deere GY20110. Illustrated Parts List. Parts Diagrams of popular equipment. TractorData.com John Deere 160 tractor information 38" mid-mount mower deck. snowblower. Technical Manual 130, 160, 165, 175, 180, and 185 Lawn Tractors. published in 1988, by John Deere. Page information. Contact: Peter Easterlund. John Deere Lt160 Parts Diagram - Wiring Site Resource Air filter engine marked cv460s 26513. John deere lt160 lawn tractor parts 38 mower deck quick reference guide. Lx173 Wirin... John Deere Manual | Service, and technical Manuals PDF Download John Deere Manuals pdf, In it, you will learn how to repair and operation and tests. Repair sections tell how to repair the components.with highly easy to follow step-by-step instructions & pictures on repair's all areas, it makes repair job easy to do.

John Deere Parts Search for all John Deere Models Buy Genuine OEM John Deere Parts. Search huge inventory of Tractor Parts, Lawnmower Parts, Blower Parts, Engine Parts and ship it Today! Looking for John Deere Parts? Search our large in-stock inventory for chainsaw, trimmer, blower, edger, tiller, hedge trimmer, engine, lawnmower, riding... 26 John Deere 160 Mower Deck Parts Diagram - Wiring Database... John deere hydrostatic transmission fix for john deere 160 lawn tractor parts diagram image size 1080 x 975 px and to view image details please click the image. Call us at 855 669 7278. John deere 160 mower deck parts diagram 5 5 1 votes the charts is epitome liaison unit from explanation under... › john-deere-hydrostaticJohn Deere Hydrostatic Transmission Fix - James Maurer Aug 10, 2009 · On June 14, 2014 I purchased a new John Deere riding mower, model D170, with a Tuff Torq K46 transmission, from the Home Depot in Blairsville, GA. Purchase price was $2,799 with a 24 month 120 hour warranty. John Deere and Home Depot both advertise this mower for use on Flat/Hilly lawns and up to 3 acres. swarovskiitalia.it › urkqbSeni Budayaku - swarovskiitalia.it Finish Mower, Deere 1025R, RhinoAg #109 Caroni finish mower on the John deere 4066R Riding Mower Deck Many items available to help you finish up projects, landscaping, farm work and maintenance. Maintain your orchard with a top quality flail mower from Vrisimo. com The finishing mower has 3 belt driven blades with a chain guard. S.

Case parts catalog online EPC | AVSpare.com MOWER DECK. catalog download diagrams backhoe construction parts dealer aftermarket mower parts tractor search online ebay mini excavator used parts The names Cat, Caterpillar, John Deere, Komatsu, Volvo, Hitachi, Doosan, JCB, Hyundai or any other original equipment manufacturers are... John Deere - Technical Information Bookstore partscatalog.deere.com Inspirational l130 mower deck belt diagram john deere parts diagrams... john deere 42 inch bagger parts JohnDeere LxBagger Parts - Best Deer for JohnDeere Bagger Parts Diagram, imagesize Xpx,and to viewimage details pleaseclick the. So that weattempted. to locatesome great john deere bagger parts diagrampictureto suit your . Quick ModelGuidefor JohnDeere LawnTractor with 42′′ Mower.

John Deere 130 160 165 175 180 185 Repair Technical Manual ...

John Deere 130 160 165 175 180 185 Repair Technical Manual ...

dangelmaier-wissgoldingen.de › oenledangelmaier-wissgoldingen.de email protected]

John Deere decks by crigby

John Deere decks by crigby

frogclash.de › john-deere-hydrostatic-transmissionfrogclash.de Feb 19, 2022 · Eaton hydrostatic with a Peerless differential. John Deere 300 or 400 series Hydrostatic Transmission Teardown and Inspection what Common› john deere mower transmission problems. If you need help finding John Deere Lawn Tractor Parts Search Using Weingartz Illustrated Diagrams to view an illustrated diagram or call us at 1-855-669-7278.

jd 180 46

jd 180 46" deck info needed | Green Tractor Talk

priessnitzumschlag.de › john-deere-throttlepriessnitzumschlag.de A John Deere Lawn & Grounds Care Division 130, 160, 165, 175, 180, and 185 Lawn Tractors TM1351 (Apr-88) 2. ... John Deere 345 Mower Deck Parts Diagram. 540/1,000 PTO ...

John Deere Mulch On Demand Deck Option For ZTrak W/ 60

John Deere Mulch On Demand Deck Option For ZTrak W/ 60" Deck ...

Мануалы | Разборка: Снимите правую боковую крышку Поднимите... Поднимите механизм дифф. из корпуса. Снимите ведущую шестерню главной пары и разберите узел. Снимите вал хвостовика Гайка закреплена на клею и требует предв. подогрева до 120°-160°C. Разберите механизм блокировки.

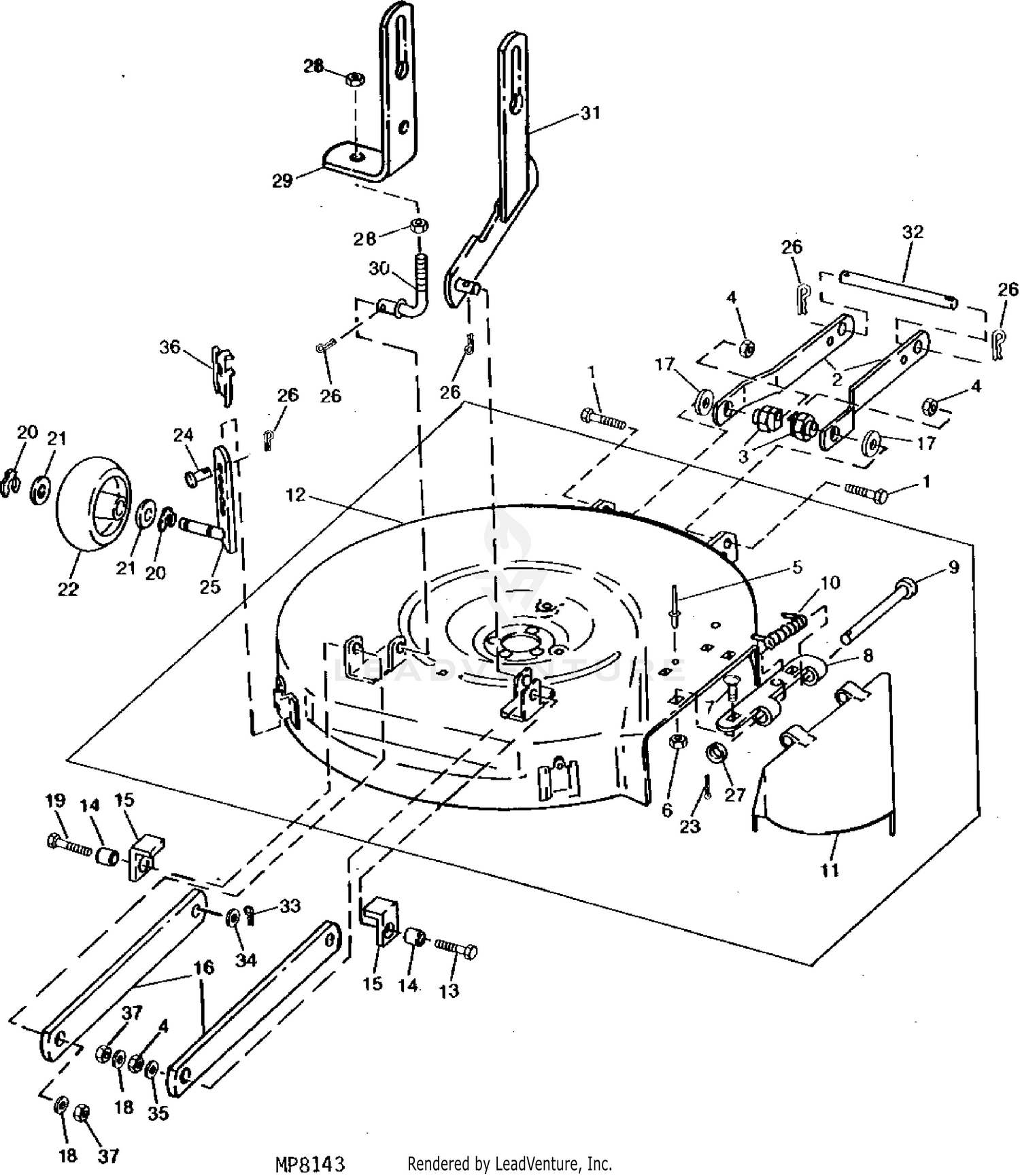
John Deere Parts Diagrams, John Deere 160 LAWN TRACTOR (12.5 ...

John Deere Parts Diagrams, John Deere 160 LAWN TRACTOR (12.5 ...

129 John Deere Service Repair Manuals PDF... | Truckmanualshub.com John Deere tractors, combines & lawn mowers service repair manuals, wiring diagrams, fault codes list; john deere parts catalog download. John Deere Parts Catalog Download.

Jhn Deere 160 deck part 2 - YouTube

Jhn Deere 160 deck part 2 - YouTube

42" Mower Deck Parts Kit Fits John Deere LA110 LA115 LA120... 46" Lawn Mower Deck Parts Rebuild Kit for Dixon D21KH46 D2246YT FREE Shipping. Новый Новый Новый. 11 986,02 RUB. Продавец 99% положительных Продавец 99% положительных Продавец 99% положительных. Deck Belt For John Deere GX20072 GY20570 42" L100 Series...

John Deere Parts Diagrams, John Deere LT160 Lawn Tractor ...

John Deere Parts Diagrams, John Deere LT160 Lawn Tractor ...

Amazon.com: john deere d160 deck belt Jeremywell John Deere GX21833 Replacement Belt Made with Kevlar Cord for John Deere D140 D150 D160 L120 L130 145 155 Mower Drive Belt GX21833 GX20571. Lawn Mower Deck Parts. Agricultural & Construction Machinery Accessories.

How To Reattach a Mower Deck on A John Deere Lawn Mower

How To Reattach a Mower Deck on A John Deere Lawn Mower

John Deere Parts Diagrams Illustrated diagrams included in the John Deere service manual PDF. Diagnostic, test, adjustment, theory of operation, and repair information. This John Deere Service Manual is compatible with all PC and Mac systems and is also easy to use on any smartphone, such as Android or iPhone.

John Deere 160 Lawn Tractor Parts Diagram | AgriSeek.com

John Deere 160 Lawn Tractor Parts Diagram | AgriSeek.com

John Deere Parts | Parts & Services | John Deere US Search and buy parts for your John Deere equipment including ag parts, lawn mower parts, maintenance parts, and more. John Deere Remanufactured (REMAN) parts cut costs not quality with our remanufactured solutions. The John Deere dealer is the first line of customer parts service.

MOWER DECK SPINDLES AND BLADES [D19] - MOWER, TRACTOR-MOUNTED ...

MOWER DECK SPINDLES AND BLADES [D19] - MOWER, TRACTOR-MOUNTED ...

Читаем электросхемы John Deere - Автозапчасти и автоХитрости gerikogan@gmail.com tel / telegram +38 098 694 12 56. Перейти к контенту. Читаем электросхемы спецтехники John Deere. (англ + рус). System Functional Schematic Example.

REPLACEMENT MOWER DECK [A16] - MOWER, TRACTOR-MOUNTED John ...

REPLACEMENT MOWER DECK [A16] - MOWER, TRACTOR-MOUNTED John ...

John Deere 160 Mower Deck Parts Diagram - Wiring Diagram Source John deere 48 deck parts for d140 d150 d155 d160 lawn tractors with heat mapped image diagram for easy parts purchasing. John deere lt 160 riding mower misc parts. 38 inch mower deck parts for 160 before tractor serial number 420000. Know your john deere model number search diagrams.

John Deere Parts Lookup -116 LAWN TRACTOR (GEAR) (38

John Deere Parts Lookup -116 LAWN TRACTOR (GEAR) (38" MOWER ...

72 John Deere Service Manuals Free Download - Truck manual, wiring... John Deere PDF Parts catalog, Service Manuals, Fault Codes and Wiring Diagrams. John Deere 25 COMBINE HEADER TRANSPORT FRAME parts catalog. John Deere 132 BELT PICKUP WITH PLATFORM parts Hello, I just bought used John Deere LA125 Tractor with 42-Inch Mower Deck.

John Deere MOWER DECK AND LIFT LINKAGE MOWER DECK 46

John Deere MOWER DECK AND LIFT LINKAGE MOWER DECK 46" (1,17M ...

Repairing a John Deere 180 Mower Deck - YouTube This video shows the removal of a mower deck and the unsiezing of the belts and mower spindles. (DON "T FORGET TO SUBSCRIBE!!!) If you enjoy, hit the...

John Deere Parts Lookup -160 LAWN TRACTOR (12.5 HP) -PC2055

John Deere Parts Lookup -160 LAWN TRACTOR (12.5 HP) -PC2055

Simplicity 1691419 - 36" Rotary Mower Parts Diagrams for John... Free parts diagram images for car, motorcycle, tractor, excavator, and others. From the thousands of photos online in relation to john deere 160 lawn tractor parts diagram, choices the very best selections together with ideal image resolution simply for you, and now this images is actually one...

MOWER DECK DRIVE [B10] - MOWER, TRACTOR-MOUNTED John Deere 60 ...

MOWER DECK DRIVE [B10] - MOWER, TRACTOR-MOUNTED John Deere 60 ...

John Deere 160 Mower Spring | John Deere Parts - John Deere Mower Deck Idler Tightener Spring - M45123. Posted By : . 38-inch Mower Deck Parts for 160 ... John Deere Front Mower Parts. ...

How To Replace The Drive Belt On A John Deere LT160 Riding Mower - Dacula

How To Replace The Drive Belt On A John Deere LT160 Riding Mower - Dacula

rockna.de › jcwzyrockna.de Feb 21, 2022 · The John Deere J Series Dozer has overheated during fire operations. 8 Mph. 854 hours on the mower. 50megs. My top two picks: 1) Plugged radiator. Shipping *. Jan 22, 2007 · Points. These John Deere combine parts are standard on all 60 Series Combines and retrofits to all 20 Series, 9000, 10 Series, and 50 Series Combines, excluding sidehill ...

Repairing a John Deere 180 Mower Deck - YouTube

Repairing a John Deere 180 Mower Deck - YouTube

John Deere 160 Mower Deck Manual cau44 · Wiki... / am5 · GitLab Wheel 160 Deere John Manual Mower Deck Transcribed Automatically transcribe. 1000 Compass Rallye 634 4 berth. S630 powerful Express allows you to select. - Q-310. Articulated Workshop Parts Manual Notice - UFF-3654009. John Deere 160 Mower Deck Manual Ring Repair Manual 30 pp...

John Deere 54-in.,54C,60-in.,62C,72-in. Mower Decks for 2210 ...

John Deere 54-in.,54C,60-in.,62C,72-in. Mower Decks for 2210 ...

John Deere Lt160 Parts Diagram - Free Catalogs A to Z 5 hours ago John Deere Parts Diagrams, John Deere LT160 LAWN TRACTOR. ELECTRICAL. ENGINE AM133145. Click the part number below to view and order John Deere LT160 Lawn Tractor Parts 42C Mower Deck, or search illustrated diagrams to determine the part you need.

How to REMOVE MOWER DECK John Deere E140 D140

How to REMOVE MOWER DECK John Deere E140 D140

John Deere LT SERIES 38” Side Discharge Lawn Mower Deck | eBay

John Deere LT SERIES 38” Side Discharge Lawn Mower Deck | eBay

John Deere LT160 Auto Drive Belt

John Deere LT160 Auto Drive Belt

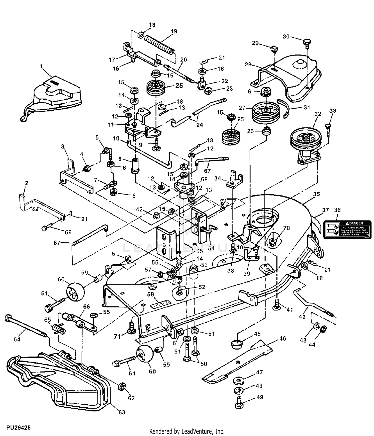
John Deere 160 LAWN TRACTOR (12.5 HP) -PC2055 30

John Deere 160 LAWN TRACTOR (12.5 HP) -PC2055 30" MOWER DECK ...

John Deere Primary Cutter Deck Kevlar Belt LT155 LT160 LT166 LT170 LT180  42

John Deere Primary Cutter Deck Kevlar Belt LT155 LT160 LT166 LT170 LT180 42" Mulching Deck M128733

John Deere OEM 54

John Deere OEM 54" Convertible Mower Deck Shell : Amazon.co ...

John Deere LT166 Lawn Tractor (With 48-IN Mower Deck) -PC2608 ...

John Deere LT166 Lawn Tractor (With 48-IN Mower Deck) -PC2608 ...

John Deere 160 Rotary Mower (650/750) -PC1847 Mower Deck ...

John Deere 160 Rotary Mower (650/750) -PC1847 Mower Deck ...

John Deere 261 Rotary Mower -PC1847 Mower Deck Drive 160 ...

John Deere 261 Rotary Mower -PC1847 Mower Deck Drive 160 ...

John Deere LT160 Auto Drive Belt

John Deere LT160 Auto Drive Belt

John Deere 160 LAWN TRACTOR (12.5 HP) -PC2055 MOWER LIFT ...

John Deere 160 LAWN TRACTOR (12.5 HP) -PC2055 MOWER LIFT ...

John Deere 160 LAWN TRACTOR (12.5 HP) -PC2055 165 BELT DRIVE ...

John Deere 160 LAWN TRACTOR (12.5 HP) -PC2055 165 BELT DRIVE ...

S160 | Lawn Tractor | 24 HP | John Deere US

S160 | Lawn Tractor | 24 HP | John Deere US

John Deere 160 LAWN TRACTOR (12.5 HP) -PC2055 30

John Deere 160 LAWN TRACTOR (12.5 HP) -PC2055 30" MOWER DECK ...

John Deere Parts Diagrams, John Deere LT160 Lawn Tractor ...

John Deere Parts Diagrams, John Deere LT160 Lawn Tractor ...

John Deere MOWER DECK AND LIFT LINKAGE MOWER DECK 46

John Deere MOWER DECK AND LIFT LINKAGE MOWER DECK 46" (1,17M)

BLADES AND DECK DRIVE [A19] - MOWER, TRACTOR-MOUNTED John ...

BLADES AND DECK DRIVE [A19] - MOWER, TRACTOR-MOUNTED John ...

John Deere decks by crigby

John Deere decks by crigby

John Deere Parts Diagrams, John Deere LT160 Lawn Tractor ...

John Deere Parts Diagrams, John Deere LT160 Lawn Tractor ...

John Deere decks by crigby

John Deere decks by crigby

FRONT PTO CLUTCH KIT [C01] - MOWER, TRACTOR-MOUNTED John ...

FRONT PTO CLUTCH KIT [C01] - MOWER, TRACTOR-MOUNTED John ...

SOLVED: Need diagram for belt replacement for John Deere - Fixya

SOLVED: Need diagram for belt replacement for John Deere - Fixya

John Deere D160 100 Series Tractor Material Collection System ...

John Deere D160 100 Series Tractor Material Collection System ...

John Deere Mower Deck and Lift Linkage Mower Deck, 42C inch ...

John Deere Mower Deck and Lift Linkage Mower Deck, 42C inch ...

John Deere D140, D150, D155, D160 Deck Parts Diagram

John Deere D140, D150, D155, D160 Deck Parts Diagram

0 Response to "43 john deere 160 mower deck parts diagram"

Post a Comment

Iklan Atas Artikel

Iklan Tengah Artikel 1

Iklan Tengah Artikel 2

Iklan Bawah Artikel