42 Craftsman Self Propelled Lawn Mower Parts Diagram
Craftsman Self Propelled Lawn Mower Parts Diagram ... Description: Craftsman Lawn Mower Parts Diagram Image Gallery - Hcpr with Craftsman Self Propelled Lawn Mower Parts Diagram, image size 1517 X 853 px, and to view image details please click the image.. Here is a picture gallery about craftsman self propelled lawn mower parts diagram complete with the description of the image, please find the image you need. Craftsman Self Propelled Lawn Mower - Model 12AGA2MP793 Find parts for your Craftsman M270 21" Self-Propelled Mower CMXGMAM1125504. Parts diagrams and manuals available. Free shipping on parts orders over $45.
Parts Lookup and OEM Diagrams | PartsTree Parts lookup and repair parts diagrams for outdoor equipment like Toro mowers, Cub Cadet tractors, Husqvarna chainsaws, Echo trimmers, Briggs engines, etc. ... Results for "247 375900 12abc32j799 craftsman self propelled walk behind mower 2014 sears" (37419 Models)

Craftsman self propelled lawn mower parts diagram
Self Propelled Mowers | CRAFTSMAN M270 21-in. 159cc FWD Self-Propelled Mower with V20* Battery Start. CMXGMAM1125503. Craftsman Walk-Behind Mowers Parts with Diagrams - PartsTree Parts lookup and repair parts diagrams for outdoor equipment like Toro mowers, Cub Cadet tractors, Husqvarna chainsaws, Echo trimmers, Briggs engines, etc. Craftsman Lawn Mower Parts | Fast Shipping ... Part Number: 584953901. In Stock, 25+ available. This is an authentic OEM sourced replacement screw designed for use on Craftsman riding lawn mowers/tractors. This is a self threading screw that is most commonly used for securing the mandrel housing to the mower deck of the riding mowers.
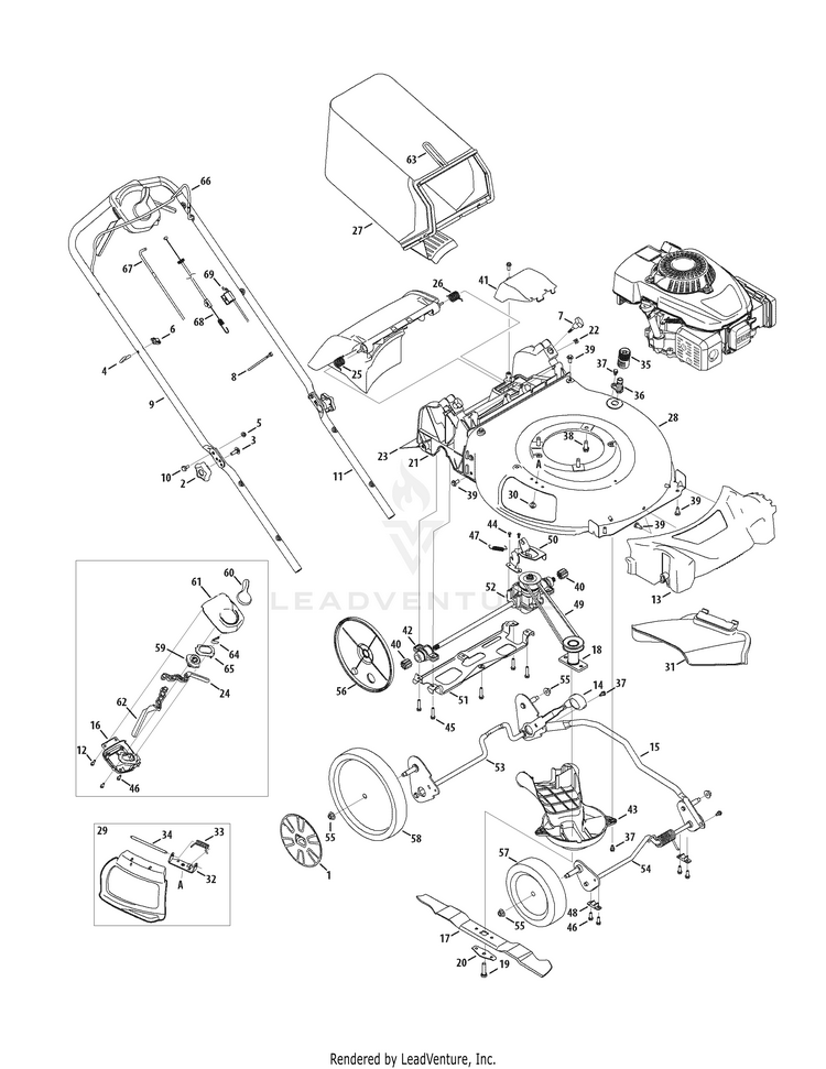
Craftsman self propelled lawn mower parts diagram. Craftsman 247370330 gas walk-behind mower parts | Sears ... Model #247370330 Craftsman self-propelled lawn mower. Here are the diagrams and repair parts for Craftsman 247370330 self-propelled lawn mower, as well as links to manuals and error code tables, if available. Click a diagram to see the parts shown on that diagram. In the search box below, enter all or part of the part number or the part’s name. 247.375910 / 2014 Craftsman Self-Propelled Walk-Behind ... The best way to find parts for Craftsman self-propelled walk-behind mower model 247.375910 / 2014 is by clicking one of the diagrams below. You can also browse the most common parts for Craftsman self-propelled walk-behind mower model 247.375910 / 2014. Ryobi CMXGMAM2703841 12AVB2M5791 (2019 ... - Lawn Mower Parts Parts Lookup - Enter a part number or partial description to search for parts within this model. There are (61) parts used by this model. Found on Diagram: .Quick Reference. 63405040. WHEEL ASM 8 X 2. Wheels (Front) $25.62. Options. Add to Cart. Craftsman Self Propelled Lawn Mower Parts Model 917 ... Lawn Mower Parts and Accessories (60 items found. Let's say you can find the same lawn tractor craftsman and Husqvarna. ... 144959 Poulan PP Jun 26, 2013 • The latest models of self-propelled mowers from Cub Cadet, Snapper, ...
Amazon.com: craftsman lawn mower parts Mr mower parts deck rebuild kit for craftsman poulan Husqvarna included 2 heavy duty spindles 130794, 2 mulcher blades 134149, 2 pulleys 173436, deck belt 144959 95". 4.4 out of 5 stars. 1,444. $94.95. $94. . 95. Get it as soon as Tue, Feb 8. FREE Shipping. Sears Lawn Mower Parts Diagram - Automotive Parts Diagram ... Description : Craftsman Craftsman 22 In. Self-Propelled Lawn Mower Parts | Model for Sears Lawn Mower Parts Diagram, image size 784 X 652 px, and to view image details please click the image. Actually, we have been noticed that sears lawn mower parts diagram is being just about the most popular field at this moment. Craftsman Self Propelled Lawn Mower - MTD Parts Find parts for your Craftsman M210 21" Self-Propelled Lawn Mower CMXGMAM1125501. Parts diagrams and manuals available. Free shipping on parts orders over $45. Craftsman EZ Walk (22") 190cc Self-Propelled Lawn Mower ... Briggs & Stratton. Craftsman Rear Drive Lawn Mower. Sport a professional looking yard without sweating over it. 190cc 725 Briggs & Stratton Platinum Series Engine. Smooth Start is 20% easier to pull- saves your back & shoulder. Ready Start needs no priming- less chance of flooding. Dual Trigger Self-Propelled With Variable Speed.
Craftsman walk behind mower parts | Sears PartsDirect Craftsman walk-behind mower repair and replacement parts. Craftsman walk-behind lawn mowers and push mowers are known for their dependability and outstanding mowing performance. Powerful 190cc engines on Craftsman 650 series lawn mowers spin sharp 22 inch cutting blades to mow your lawn cleanly and quickly. When your lawn mower needs repair, you'll find the Craftsman push mower and self propelled mower parts you need at Sears PartsDirect. Craftsman Self Propelled Lawn Mower - Model 12AVB2R3793 Find parts for your Craftsman M230 21" Self-Propelled Lawn Mower CMXGMAM1125502. Parts diagrams and manuals available. Free shipping on parts orders over ... Craftsman Self Propelled Lawn Mower - Model ... Find parts for your Craftsman 21" Self-Propelled Lawn Mower CMXGMAM201201. Parts diagrams and manuals available. Free shipping on parts orders over $45. Amazon.com: craftsman self propelled lawn mower Craftsman M215 159cc 21-Inch 3-in-1 High-Wheeled FWD Self-Propelled Gas Powered Lawn Mower with Bagger & Garage BOSS GB310 Briggs and Stratton GarageBoss Press 'N Pour 1+ Gallon Gas Can, Red. $392.98.
Find Best Ideas For Craftsman Model 917 Parts Diagram Model 917 Craftsman Lawn Mower Parts Diagram - Craftsman 917 252521 Craftsman Lawn Tractor Parts Lookup With Diagrams Partstree / By Img Gary on Sabtu, 09 Oktober 2021 Kubota riding lawn mowers are top of the line, with plenty of models to choose from.
MTD 12ABC32J799 (247.375900) (2014 ... - Lawn Mower Parts MTD 12ABC32J799 (247.375900) (2014) Exploded View parts lookup by model. Complete exploded views of all the major manufacturers. It is EASY and FREE
Free Craftsman Lawn Mower User Manuals - ManualsOnline.com Craftsman Lawn Mower 247.28911. Craftsman 42" Briggs & Stratton 17.5 hp Gas Powered Riding Lawn Tractor Operator's Manual. Pages: 92.
M260 21-in.163cc FWD Self-Propelled Mower - Craftsman This 21-in. self-propelled mower is ideal for medium-sized yards. It has a 163cc Briggs & Stratton® engine with one step starting, no priming needed. The mower's vertical storage technology can reduce your storage space by over 70%.*. Mow at your own pace using the single lever speed control.
I still need a wiring schematic for a Craftsman self ... Get shopping advice from experts, friends and the community! Model 917.70660 I have the owners and parts manuals and neither has a schematic. I bought the mower on "clearance", it will start with the rope but won't even turn over with the key start. I charged the battery for 48 hours, read a good +/-12VDC @ the battery connector but it won't start. The double red wires in the key harness look ...
CRAFTSMAN M230 163-cc 21-in Self-propelled Gas Push Lawn ... Shop CRAFTSMAN M230 163-cc 21-in Self-propelled Gas Push Lawn Mower Briggs & Stratton Engine in the Gas Push Lawn Mowers department at Lowe's.com. The CRAFTSMAN® M230 21-in self-propelled, variable-speed front wheel drive mower is ideal for smaller yards and allows you to mow at your own pace. Its
CRAFTSMAN M320 163-cc 21-in Self-propelled Gas Push Lawn ... The CRAFTSMAN® M320 21-in. self-propelled rear wheel drive mower features a 163cc, OHV Briggs and Stratton® engine with one step starting, no priming needed. Its 3-in-1 convertible deck allows you to mulch, helping to put nutrients back in the soil for a healthier lawn, discharge or use the 2.3 bushel Dust Blocker bag for easy cleanup or ...
Craftsman Self Propelled Lawn Mower - Model ... Find parts for your Craftsman M430 28" Self-Propelled Lawn Mower CMXGMAM201202. Parts diagrams and manuals available. Free shipping on parts orders over ...
Craftsman 21" self propelled 7.25 Platinum Lawn Mower ... This is a like new condition Craftsman rear wheel drive 21 in. self-propelled 7.25 Platinum mower. Comes with bagger, side discharge, manuals, gas can and extra oil. I currently employed and no longer need a landscaper. The Craftsman Mower makes cutting incredibly fast In the yard, along the crowded sidewalk and around delicate garden beds, […]
Craftsman 21" Self-Propelled Lawn Mower - Briggs & Stratton Lawn Mowers Craftsman Craftsman 21" Self-Propelled Lawn Mower Craftsman 21" Self-Propelled Lawn Mower. VIEW MORE Click and drag image to rotate. Craftsman 21" Self-Propelled Lawn Mower Powered by a Briggs & Stratton 163cc EXi 725 Series™ Engine. Where to Buy. 21" self-propelled variable speed high rear wheel gas mower featuring no oil ...
Craftsman Self Propelled Lawn Mower - Model 12AE764H099 Find parts for your Craftsman 344cc 33" Wide Area Lawn Mower 247.889980 . Parts diagrams and manuals available. Free shipping on parts orders over $45.
Craftsman Self Propelled Lawn Mower - Model ... Find parts for your Craftsman M350 23" Self-Propelled Lawn Mower CMXGMAM1125506. Parts diagrams and manuals available. Free shipping on parts orders over ...
Manual Craftsman Riding Lawn Mower Parts Diagram Sears Craftsman Riding Lawn 12 5 Tractor Mower Owner Parts 28 Craftsman Mower Parts Diagram Wiring List Craftsman 3 One Convertible 917 37459 Lawn Mower User Manual. Craftsman Self-Propelled Lawn Mower Parts Model 247370330 inside Craftsman Mower Deck Parts Diagram image size 688 X 824 px Description.
Craftsman Self-Propelled Mower - e Replacement Parts Need to fix your 247376830 Self-Propelled Mower? Use our part lists, interactive diagrams, accessories and expert repair advice to make your repairs easy. Please note shipping times may be longer than expected due to carrier delays.
Results for "247 377050 12a b28s799 craftsman self ... Parts lookup and repair parts diagrams for outdoor equipment like Toro mowers, ... craftsman self propelled walk behind mower 2016 sears" (37177 Models).
PDF Owner's Manual CRAFTSMAN - Sears Parts Direct Owner's Manual CRAFTSMAN° ROTARY MOWER 675 Series Briggs & Stratton Engine Power=Propelled Electric Start 21" Multi=Cut Model No. 917.370770 • Espa_ol, p. 21
Find Best Ideas For Craftsman Push Mower Parts Diagram Trust Sears PartsDirect to have the Craftsman 650 series lawn mower parts you need to fix the equipment quickly when a failure occurs. We also parts for many other models. Use the exploded Craftsman Platinum 7.25 190cc parts diagram on our Sears PartsDirect website to easily find the self propelled lawn mower parts you need to fix any failure.
Craftsman Lawn Mower Parts | Fast Shipping ... Part Number: 584953901. In Stock, 25+ available. This is an authentic OEM sourced replacement screw designed for use on Craftsman riding lawn mowers/tractors. This is a self threading screw that is most commonly used for securing the mandrel housing to the mower deck of the riding mowers.
Craftsman Walk-Behind Mowers Parts with Diagrams - PartsTree Parts lookup and repair parts diagrams for outdoor equipment like Toro mowers, Cub Cadet tractors, Husqvarna chainsaws, Echo trimmers, Briggs engines, etc.
Self Propelled Mowers | CRAFTSMAN M270 21-in. 159cc FWD Self-Propelled Mower with V20* Battery Start. CMXGMAM1125503.
0 Response to "42 Craftsman Self Propelled Lawn Mower Parts Diagram"
Post a Comment