Iklan 300x250

41 John Deere 4100 Wiring Diagram

Exploded Parts Diagrams for John Deere (Front Axle) Exploded Parts Diagrams for John Deere (Front Axle) Use this page to find parts you need to complete your repair/restoration of your tractor. Whether it is a vintage or a modern tractor you should be able to identify the part by make and application. Once you have found the part on a diagram click on the part number listed in the table below ... John Deere Parts Diagram & Parts Search • John Deere Parts ... You can search the John Deere illustrated parts catalog to find what you need and then enter your part number (s) into the search bar on any page of the Green Farm Parts web site. If you know your part number, you can bypass the John Deere parts diagram and type that directly into our search bar.

john deere 4100 fuel shut off switch problem john deere 4100 fuel shut off switch problem. I have a John Deere 4100 gear. It wont star. I have checked and found that the fuel cut off solenoid wont work to start motor. I have check it and it works outside the motor. I replacd the fuel relay and still no starting. When I ground the wire coming from the A2 control module before it enters the ...

John deere 4100 wiring diagram

John deere 4100 wiring diagram

john deere 4100 wiring diagram - Wiring Diagram and ... John Deere 4100 Wiring Diagram . August 1, 2019 1 0 . John deere 4100 compact utility tractor charging issue and trouble shooting electrical jd troubleshooting advice 4110 4115 hst manual lx277 wiring diagram f925. John Deere 4100 Compact Utility Tractors Service Manual Tm1630 ... John Deere 4100 Tractor Compact Utility PDF Manual John Deere 4100 Tractor Compact Utility TM1630 Technical Manual PDF [04/2001] Electronic technical manual contains complete full repair and service manuals, fitting instructions, maintenance manuals, intended for compact utility tractors 4100 of John Deere. TractorData.com John Deere 4100 tractor information Factory: Augusta, Georgia, USA. Original price: $13,500 (2003 ) The Deere 4100 was available in a Narrow version which could not be equipped with a mid-PTO. John Deere 4100 Power. Engine (net): 19 hp. 14.2 kW.

John deere 4100 wiring diagram. Where Can You Find the John Deere Wiring Diagram? The best way to find wiring diagrams for John Deere products is to visit the technical information bookstore at the John Deere website. The two search options provided at the site are component technical manuals and technical manuals. Users can search for specific manuals that include diagnostic information. John Deere 2500b Wiring Diagram - justussocializing.org John Deere 4100 Wiring Diagram 40DOL JOHN DEERE 4240 WIRING DIAGRAM Auto Electrical Wiring The best option is always to use a verified and accurate john deere 2500b wiring diagram that's provided from a trusted source. JOHN DEERE - Service Manual Download John Deere 7000 Drawn and Conservation, 7100 Folding and Integral Max-Emerge Planters Technical Manual (TM1154) John Deere JD24A Skid-Steer Loader Technical Manual (TM1157) John Deere 310A and 310B Backhoe Loaders Service Technical Manual (TM1158) John Deere JD743 Tree Harvester, JD743 Feller-Buncher Technical Manual (TM1159) John Deere 4100 Electrical Schematic - Heavy Equipment Forums Just wondering if anyone has a copy of an electrical schematic to suit a John Deere 4100 hydrostatic trans tractor I'm chasing an issue with the start inhibitor circuit and need to figure out where the relay gets it feed from. John Deere in their infinite wisdom won't give me a schematic even though I need to buy parts off them to fix Thanks all

JD 4100 Charging Issue - TractorByNet John Deere 4100 HST /410 FEL, R4s Try this first...unplug the wire harness connection to the glow plug timer. Its located on bracket at the front the engine compartment above the radiator. Then take charging voltage reading and see if it goes back to normal. This failure has been occurring lately must be the age of the component. John Deere JD 4100 Wiring diagram - John Deere Tractors ... John Deere JD 4100 Wiring diagram. AnnBrush Join Date: Mar 2004 Posts: 462 Troy OH Pics: 2008-02-22 151594 I have the tech manual for the 4200, 4300 and 4400. Dont know if it would be similar to the 4100 but I can email the electrical stuff if you post an email address. The file is 6.8 MB for the electrical stuff .... john deere 4100 wiring diagram - Wiring Diagram john deere 4100 tractor wiring diagram compact utility jd troubleshooting advice electrical charging issue and trouble shooting 4110 4115 4200 4300 4400 parts for harness 990 tractors 410g backhoe loader headlight plub my hydraulics no power to glow plugs 332 green 3120 3320 3520 3720 2720 10 amp fuse s with the fuel solenoid thermistor 8245r … John Deere Alternator Change - YouTube Who knew that a regular old ac delco gm alternator would ork on the john deere? I expected it to be slightly off so you would have to buy from the overpriced...

JD 4100 Fuel shut off solenoid - TractorByNet I've been studying the 4100 tech manual and it states Voltage . . . . . . . . . . . . . . . . . . . . . . . . . . . . . . . . . . . . . . . . . . . . . . . . . . . . . . . . 12 VDC Pull-in voltage . . . . . . . . . . . . . . . . . . . . . . . . . . . . . . . . . . . . . . . . . . . . . . . . . . .6.8 VDC 4100 Not charging, can't find safety relay | Green Tractor ... John Deere must have changed the wiring early in production. The diagram (and most people online) show a relay and two diodes on one of the circuits powering the voltage regulator. If you look at the text of the technical manual however, they list the other connection being a solder joint (not a connector to the safety relay). John Deere 4430 Tractor Wiring Diagram - U Wiring New holland ford 4630 tractor service electrical diagram wiring ignition switch for 6610 john deere 4430 tractors tm1172 4100 4110 4600 4610. Aug 31 John Deere Wiring Diagram. Honestly we also have been remarked that john deere 4440 wiring diagram is being just about the most popular issue at this time. John Deere Wiring - YouTube Help support my channel by using the link. Ad made sure that every wire was clean making a good connection at the c...

WIRING HARNESS - TRACTOR, COMPACT UTILITY John Deere 4100 ...

WIRING HARNESS - TRACTOR, COMPACT UTILITY John Deere 4100 ...

John Deere Parts Diagrams, John Deere 4120 Compact Utility ... John Deere PARTS LOOKUP John Deere Parts Diagrams, John Deere 4120 Compact Utility Tractor (Hydrostatic Transmission) -PC9396 1101 Rocker Arm Cover: Engine 4024TLV04-RE522472

Deere 4100 Headlight Plub | My Tractor Forum

Deere 4100 Headlight Plub | My Tractor Forum

John Deere Manual | Service,and technical Manuals PDF Using this repair manual is an inexpensive way to keep your vehicle working properly.Afterwards, keep this john deere service manual in your Computer and ereader so you can refer to it at any time. You'll need a PDF tool, like Adobe Reader to open the manual.

John Deere 4100 wont start - TractorByNet

John Deere 4100 wont start - TractorByNet

PDF John deere 4100 wiring diagram - static.s123-cdn-static.com John deere 4100 wiring diagram And have been a licensed travel stage electrician for about 17 years. He has extensive experience in most areas of electrical trading. The 3-way switch is really two switches that both control one light. This illustration makes it look simple, but this article explains the ins and outs of wiring a 3-way switch.

John Deere 4100 wont start | Page 2 - TractorByNet

John Deere 4100 wont start | Page 2 - TractorByNet

John Deere 4300 Wiring Diagram Download File PDF John Deere 4300 Wiring Diagram Moody's Manual of Investments, American and Foreign Moody's Bank & Finance News Reports Vols. for 1967-70 include as a section: Who's who of Rhodesia, Mauritius, Central and East Africa. Emily Post's Etiquette, 19th Edition Caribbean/Latin America Profile Films and Other Materials for Projection

Question about key module | My Tractor Forum

Question about key module | My Tractor Forum

John Deere 4100 Wiring Diagram - Wiring Diagram And ... Description: Deere Tm1630 Technical Manual - 4100 Compact Utility Tractors for John Deere 4100 Wiring Diagram, image size 600 X 600 px, and to view image details please click the image.. Here is a picture gallery about john deere 4100 wiring diagram complete with the description of the image, please find the image you need.

Voltage Regulator Fits For John Deere 20 AMP Tractor 670 770 790 870 970  990 1070

Voltage Regulator Fits For John Deere 20 AMP Tractor 670 770 790 870 970 990 1070

1020 John Deere Ignition Wiring Diagram - 52206722 John Deere 4100 Tractor Electrical Diagrams Manual 1989 Dodge D150 Ignition Wiring Diagram John Deere B Tractor Wiring Diagram Harley Davidson Golf Cart Engine Diagram John Deere Wire Schematic John Deere Wiring Schematic 455 Sel Wiring Diagram Additionally John Deere Gt275 On John Deere L120 Wiring Diagram T14178805 2009 Jd La145 Wiring Diagram

Used John Deere 4100 Tractor Parts | EQ-27787 | All States Ag ...

Used John Deere 4100 Tractor Parts | EQ-27787 | All States Ag ...

Printable Diesel Wiring Diagram 2600, 3600, 4100 & 4600 ... Posted: Tue Jan 01, 2019 12:24 pm Post subject: Re: Printable Diesel Wiring Diagram 2600, 3600, 4100 & 4600: Thank you for posting this. I can recall reading through diagrams for my new model 4630 while trying to diagnose a problem and one little bit of information confirmed there are in-line diodes in 2 circuits just behind the instrument cluster.

5N5103 REGULATOR AS 5N9093-PAGE 428, 6L7004-PAGE 518 PART OF ...

5N5103 REGULATOR AS 5N9093-PAGE 428, 6L7004-PAGE 518 PART OF ...

TractorData.com John Deere 4100 tractor information Factory: Augusta, Georgia, USA. Original price: $13,500 (2003 ) The Deere 4100 was available in a Narrow version which could not be equipped with a mid-PTO. John Deere 4100 Power. Engine (net): 19 hp. 14.2 kW.

John Deere 4100 Compact Utility Tractors Technical Ma - The ...

John Deere 4100 Compact Utility Tractors Technical Ma - The ...

John Deere 4100 Tractor Compact Utility PDF Manual John Deere 4100 Tractor Compact Utility TM1630 Technical Manual PDF [04/2001] Electronic technical manual contains complete full repair and service manuals, fitting instructions, maintenance manuals, intended for compact utility tractors 4100 of John Deere.

John Deere 4100 Compact Utility Tractors Official Workshop ...

John Deere 4100 Compact Utility Tractors Official Workshop ...

john deere 4100 wiring diagram - Wiring Diagram and ... John Deere 4100 Wiring Diagram . August 1, 2019 1 0 . John deere 4100 compact utility tractor charging issue and trouble shooting electrical jd troubleshooting advice 4110 4115 hst manual lx277 wiring diagram f925. John Deere 4100 Compact Utility Tractors Service Manual Tm1630 ...

John Deere F4365 Dry Nutrient Applicator Diagnostic Technical ...

John Deere F4365 Dry Nutrient Applicator Diagnostic Technical ...

John Deere X300 X304 X320 X324 X340 X360 Repair Manual [Lawn ...

John Deere X300 X304 X320 X324 X340 X360 Repair Manual [Lawn ...

JD 4100 troubleshooting advice appreciated. | Green Tractor Talk

JD 4100 troubleshooting advice appreciated. | Green Tractor Talk

FRONT GEAR CASE - TRACTOR, COMPACT UTILITY John Deere 4100 ...

FRONT GEAR CASE - TRACTOR, COMPACT UTILITY John Deere 4100 ...

John Deere Tractor Models 2210 2305 2320 2520 4010 4100 4110 ...

John Deere Tractor Models 2210 2305 2320 2520 4010 4100 4110 ...

Voltage Regulator Rectifier Fit For John Deere 4100 4110 20HP 4115 24HP  Diesel

Voltage Regulator Rectifier Fit For John Deere 4100 4110 20HP 4115 24HP Diesel

Charging Issue and Trouble Shooting Assistance | Tractor Forum

Charging Issue and Trouble Shooting Assistance | Tractor Forum

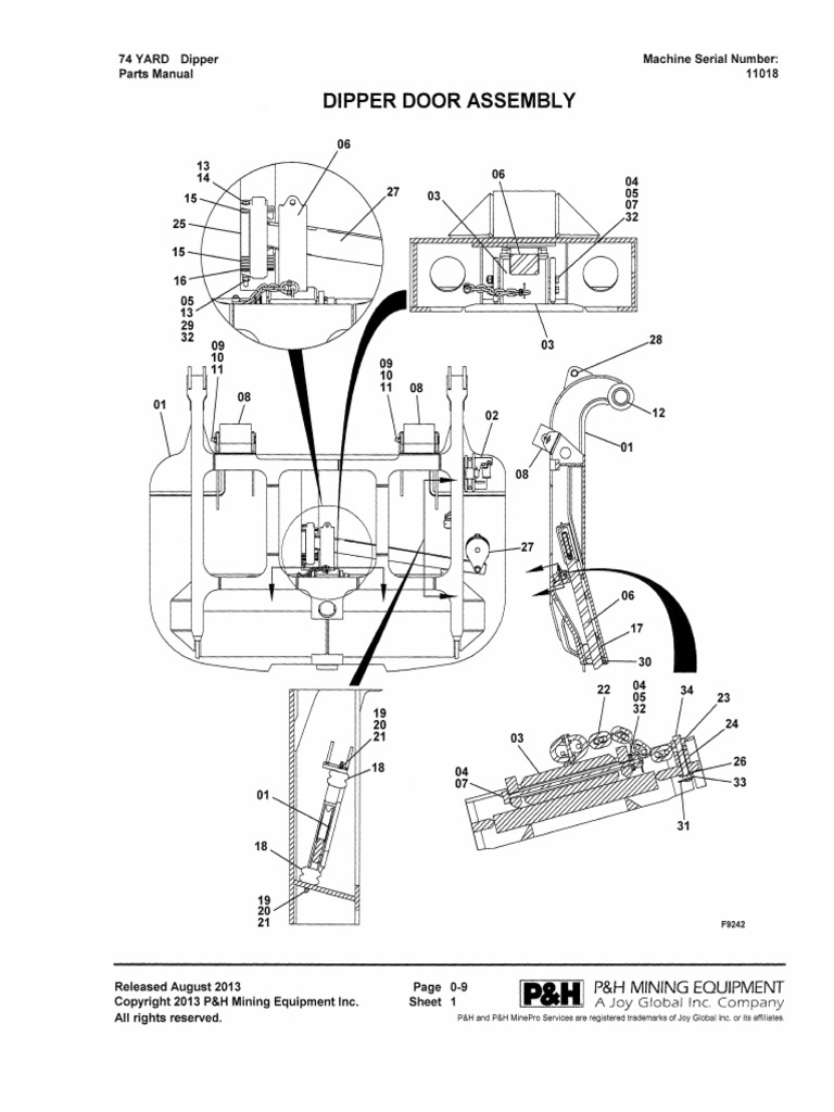
Dipper Door Assembly Part No R72209F1 | PDF | Screw ...

Dipper Door Assembly Part No R72209F1 | PDF | Screw ...

John Deere 4100 Compact Utility Tractor Service Repair Manual ...

John Deere 4100 Compact Utility Tractor Service Repair Manual ...

BMW MINI WDS - Wiring Diagram System ver. 7.0

BMW MINI WDS - Wiring Diagram System ver. 7.0

John Deere 4110 & 4115 Compact Utility Tractors Technical Manual TM1984

John Deere 4110 & 4115 Compact Utility Tractors Technical Manual TM1984

HELP!~ with the 4110 Fuel Solenoid, Thermistor or what ...

HELP!~ with the 4110 Fuel Solenoid, Thermistor or what ...

John Deere 4100 Compact Utility Tractor Maintenance Guide ...

John Deere 4100 Compact Utility Tractor Maintenance Guide ...

My deer 855 will not start, battery is new. all wires are ...

My deer 855 will not start, battery is new. all wires are ...

John Deere 4100 Compact Utility Tractor Service Repair Manual ...

John Deere 4100 Compact Utility Tractor Service Repair Manual ...

M807893 - Wiring Harness - HARNESS, WIRING

M807893 - Wiring Harness - HARNESS, WIRING

VW Sharan 2: Electrical system - Repair Manual

VW Sharan 2: Electrical system - Repair Manual

John Deere Service Repair Manuals. Wiring Schematic Diagrams ...

John Deere Service Repair Manuals. Wiring Schematic Diagrams ...

JOHN DEERE AM879535 REAR HITCH FOR DRAWBAR 4100 4110 COMPACT ...

JOHN DEERE AM879535 REAR HITCH FOR DRAWBAR 4100 4110 COMPACT ...

825i brake pedal start mod | John Deere Gator Forums

825i brake pedal start mod | John Deere Gator Forums

ECCPP Voltage Regulator Rectifier Fit for John Deere 2210 ...

ECCPP Voltage Regulator Rectifier Fit for John Deere 2210 ...

John Deere Tractor Repair & Service Manual – Choose Your ...

John Deere Tractor Repair & Service Manual – Choose Your ...

John Deere 4100 Tractor Service Manual -tm1630

John Deere 4100 Tractor Service Manual -tm1630

Briggs and Stratton Power Products 030419-0 - 6,200 Watt John ...

Briggs and Stratton Power Products 030419-0 - 6,200 Watt John ...

John Deere Z425 Z435 Z445 Z465 Technical Manual Eztrak ...

John Deere Z425 Z435 Z445 Z465 Technical Manual Eztrak ...

John Deere 4200, 4300, 4400 Compact Utility Tractors Service ...

John Deere 4200, 4300, 4400 Compact Utility Tractors Service ...

Pin on Tractor manual

Pin on Tractor manual

John Deere Agricultural 25.1GB PDF Technical Manual Service ...

John Deere Agricultural 25.1GB PDF Technical Manual Service ...

John Deere Commercial & Consumer 4100 Compact Utility ...

John Deere Commercial & Consumer 4100 Compact Utility ...

John Deere 4110 and 4115 Compact Utility Tractors All ...

John Deere 4110 and 4115 Compact Utility Tractors All ...

Cummins CM2350 Engine Performance Wiring Diagram

Cummins CM2350 Engine Performance Wiring Diagram

0 Response to "41 John Deere 4100 Wiring Diagram"

Post a Comment

Iklan Atas Artikel

Iklan Tengah Artikel 1

Iklan Tengah Artikel 2

Iklan Bawah Artikel