41 Homelite Blower Parts Diagram
Subaru FB25 Engine - australiancar.reviews Subaru's FB25 was a 2.5-litre horizontally-opposed (or 'boxer') four-cylinder petrol engine. Effectively replacing the EJ253, the FB25 engine was a member of Subaru’s third generation 'FB' boxer engine family which also included the FB20, FA20D, FA20E and FA20F engines.The FB25 engine first offered in Australia in the 2011 Subaru SH.II Forester. › combo › 0214-1234638Coleman generator parts | Sears PartsDirect Coleman generators use reliable components to produce the electrical power you need for any situation. When you need maintenance or repair parts for your generator, you can find replacement parts that you need on the Coleman generator parts diagram for your model at Sears PartsDirect.
Homelite Leaf Blower & Vacuum Parts for sale - eBay HOMELITE UT26 HBV LEAF BLOWER INTAKE MANIFOLD. $7.99. Free shipping. Homelite OEM Parts. Upper Tube Replacement For UT09526 2-Cycle Handheld Blower. $9.00. $5.25 shipping. Homelite OEM Parts. Lower Tube Replacement For UT09526 2-Cycle Handheld Blower.

Homelite blower parts diagram
Craftsman walk behind mower parts | Sears PartsDirect We also parts for many other models. Use the exploded Craftsman Platinum 7.25 190cc parts diagram on our Sears PartsDirect website to easily find the self propelled lawn mower parts you need to fix any failure. Sears PartsDirect also has Craftsman 700 Series Platinum mower parts and Craftsman EZ Walk lawn mower parts. Get the parts and ... Homelite 26CC Blower | UT09526 | eReplacementParts.com Use our part lists, interactive diagrams, accessories and expert repair advice to make your repairs easy. Please note shipping times may be longer than expected due to carrier delays. 877-346-4814 ... Repair Parts Home Lawn Equipment Parts Homelite Parts Homelite Blower Parts Homelite UT09526 26CC Blower Parts. Homelite leaf blower parts | Sears PartsDirect 119 parts. Shop parts. Homelite BP-250 power blower. 123 parts. Shop parts. Homelite HB-180-V UT08010-E power blower. 93 parts. Shop parts. Homelite BX90-UT08026-C power blower.
Homelite blower parts diagram. Homelite Blower Parts | Fast Shipping | eReplacementParts.com Homelite Blower parts that fit, straight from the manufacturer. Use our interactive diagrams, accessories, and expert repair help to fix your Homelite Blower . Please note shipping times may be longer than expected due to carrier delays. 877-346-4814. Departments ... Homelite Blowers Parts Lookup by Model - Jacks Small Engines Homelite Blowers Parts Diagrams 111B1 Blower UT-07419 07419-UT 111B1 Blower UT-07419 111B1 Blower. 111B1A Blower UT-07422 07422-UT 111B1A Blower UT-07422 111B1A Blower. 111B1B Blower UT-07423. 111B1B Blower UT-07423 07423-UT 111B1B Blower UT-07423 111B1B Blower. 200EB1 Electric Blower UT-07420. aohp.sprawdzranking.pl 13/02/2022 · email protected] Amazon.com: Homelite Blower Parts Parts New Homelite/Ryobi 529437004 Blower Fan W/Insert Nut Compatible W/ 529437001 & 529437003. 4.0 out of 5 stars. 16. $10.95. $10. . 95. Get it as soon as Thu, Feb 10. FREE Shipping on orders over $25 shipped by Amazon.
Product Owner's Manuals - Homelite Quik Tatch Blower Attachment: ZR15519_109.pdf: 2002-08-16: zr15521: Quik Tatch Tiller Attachment: ZR15521_110.pdf: 2002-08-16: ut09510: 26cc Blower: UT09510_929_trilingual.pdf UT09510_929_r.pdf UT09510_930_RPL.pdf UT09510_931_ESP.pdf: 2010-03-22 2010-05-17 2010-03-22 2010-03-22: ut09520: 26cc Blower: UT09520_997_trilingual.pdf UT09520_997_r.pdf ... › partsKubota B7100 Parts - Agricultural Equipment Parts Kubota B7100 Parts - Specs. Narrow your search for Kubota B7100 Parts by selecting categories on the left. The Kubota B7100 Tractor was manufactured in Japan from 1976 to 1985. The Kubota B7100 was designed as a compact utility tractor. The Kubota B7100 was powered by a 16 hp 0.8L 3-cyl diesel engine. Click here for the Kubota B7100 parts diagram. Homelite - Tool Spare Parts Need to fix your Homelite power tool? We offer Homelite power tool spare parts, accessories, tool breakdown diagrams and repair advice to make your power tool repairs easy. Help me Find My Homelite Model Number. You should have no trouble spotting your Homelite model number. On their power tools, check near the motor air vents. Homelite UT09526 26cc Blower (OM 990000598) Parts Diagrams Homelite UT09526 26cc Blower (OM 990000598) Parts Diagrams. Parts Lookup - Enter a part number or partial description to search for parts within this model. There are (126) parts used by this model. SCREW 10 24 X 2.5 IN. SCREW 10 24 X 2.5 IN.
Stihl BR 420 C Backpack Blower (BR 420 C) Parts Diagram Stihl BR 420 C Backpack Blower (BR 420 C) Parts Diagram Select a page from the Stihl BR 420 C Backpack Blower diagram to view the parts list and exploded view diagram. All parts that fit a BR 420 C Backpack Blower . Pages in this diagram. CRANKCASE - CYLINDER. REWIND STARTER - MUFFLER. AIR FILTER - IGNITION SYSTEM . CARBURETOR HD-28A … › parts › stihlStihl BR 600 Backpack Blower (BR 600) Parts Diagram Select a page from the Stihl BR 600 Backpack Blower (BR 600) exploaded view parts diagram to find and buy spares for this machine. +44 (0)1747 823039 Categories Homelite HB-180 gas leaf blower parts | Sears PartsDirect Homelite HB-180 gas leaf blower parts - manufacturer-approved parts for a proper fit every time! We also have installation guides, diagrams and manuals to help you along the way! en.wikipedia.org › wiki › Component_parts_ofComponent parts of internal combustion engines - Wikipedia Internal combustions engines require lubrication in operation that moving parts slide smoothly over each other. Insufficient lubrication subjects the parts of the engine to metal-to-metal contact, friction, heat build-up, rapid wear often culminating in parts becoming friction welded together e.g. pistons in their cylinders.
› partsFord 2000 Tractor Parts Here are parts diagrams for the Ford 2000 Tractor Parts Diagram 61-64 and Ford 2000 Tractor Parts Diagram 65-74. Older antique tractors such as the Ford 2000 Tractor, need repair parts from time to time. That’s where Madison Tractor can help.
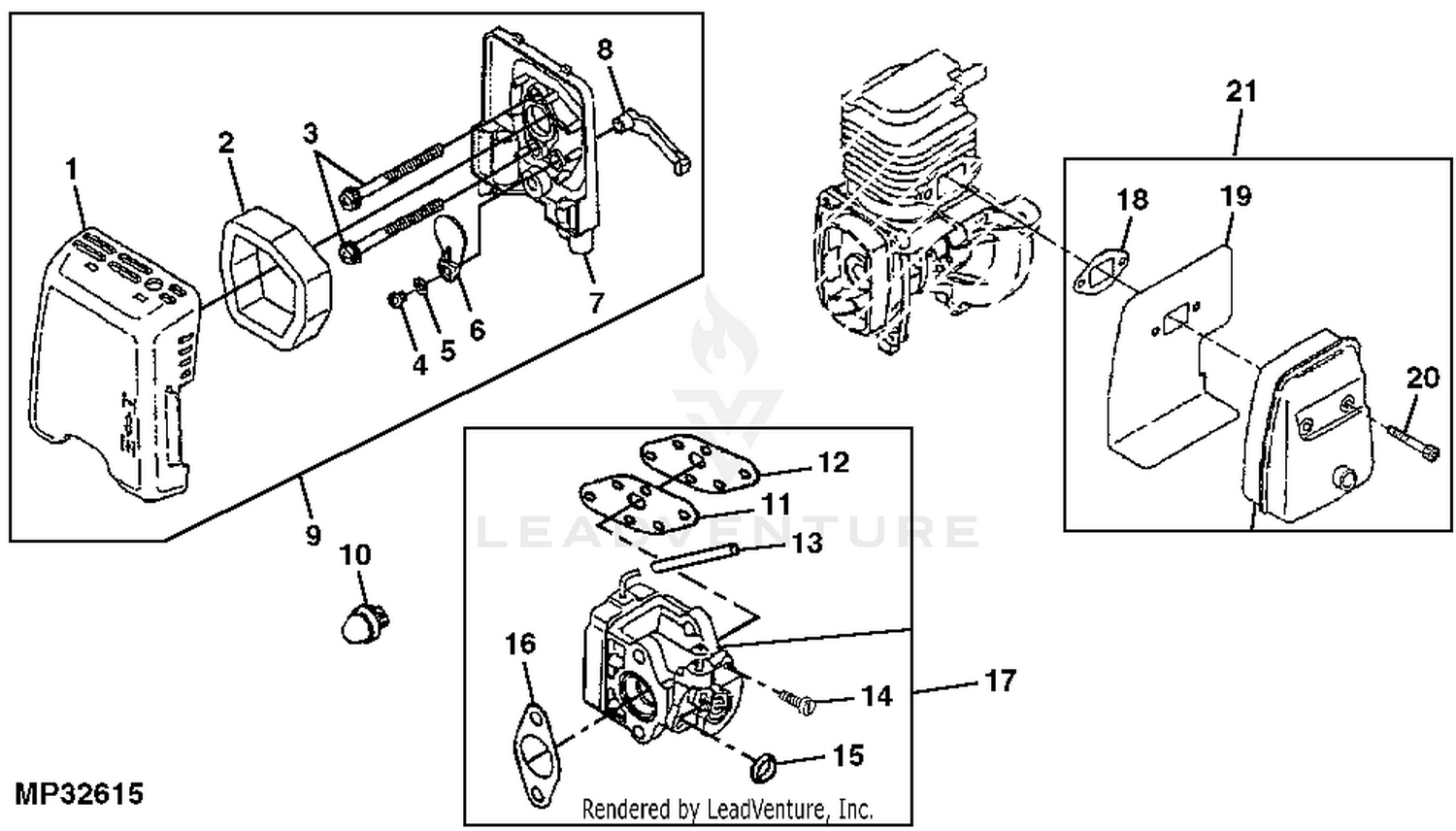
Homelite Hb180 Parts List And Diagram - (Ut-08009-B with ... homelite leaf blower parts diagram is among the most images we located on the internet from reputable resources. We attempt to explore this homelite leaf blower parts diagram pic here simply because according to data coming from Google engine, It really is one of the top searches keyword on google. And we also feel you
PDF Diagram(s) and/or PartsList(s) - K&T Parts House Lawn ... Yard Broom Blower UT-08110 Page 1 of 12 Carburetor And Fuel Tank For Homelite Discount Parts Call 606-678-9623 or 606-561-4983
MTD Parts diagrams and MTD Parts for repair of MTD Lawn ... We carry the complete line of genuine MTD parts for all MTD machines including lawnmowers, snowblowers, trimmers, tractors and more. Finding your MTD parts is simple with our online parts diagrams: 1. Click your MTD model number from the list below to view a printable parts diagram. The parts diagram will open as a pdf file in a new window. Use ...
HB 180 (UT-08009) - Homelite Blower Parts & Diagrams Parts ... HB 180 (UT-08009) - Homelite BlowerParts & DiagramsParts Lists & Diagrams. HB 180 (UT-08009) - Homelite Blower.
PDF Homelite HB-380 (UT-08006) Blower 17855 PARTS LIST BLO\ IST BLO PART NO. 17855 Printed in U.S.A. Price 350 PARTS LIST HB-380 BLOWER (UT-08006) HOMELITE TEXTRON Homelite Division of Textron Inc.
Homelite Leaf Blower: Model UT-08550 Parts & Repair Help ... Homelite Leaf Blower Model UT-08550 Parts. Homelite Leaf Blower Model UT-08550 Parts are easily labeled on this page to help you find the correct component for your repair. Filter results by category, title and symptom. You can also view diagrams and manuals, review common problems that may help answer your questions, watch related videos, read insightful articles or use our repair help guide ...
Homelite Leaf Blower Disassembly - Leaf Blower Repair Help Buy parts for Model UT09526 here: leaf blower repair, troubleshooting tips, help with fin...
Homelite Leaf Blower Model UT-08542-A Parts - Repair Clinic Homelite Leaf Blower Model UT-08542-A Parts. Homelite Leaf Blower Model UT-08542-A Parts are easily labeled on this page to help you find the correct component for your repair. Filter results by category, title and symptom. You can also view diagrams and manuals, review common problems that may help answer your questions, watch related videos, read insightful articles or use our repair help ...
Homelite Blowers & Vacuums Parts with Diagrams - PartsTree 21254 EG - Homelite Expert Gardner Blower. BBV 25 (UT-08103) - Homelite Blower. BP 250 (UT-08017) - Homelite Backpack Blower.

CARBURETOR C1U-H60 FOR HOMELITE CS26 RYOBI RY300 CRAFTSMAN JOHN DEER POLAN LAWNBOY TORO 25CC 26CC 30CC TRIMMER PRUNER BLOWER
OEM Homelite Leaf Blower / Vacuum Parts [UT08111A ... Shop for Homelite Leaf Blower / Vacuum UT08111A repair parts today!
› combo › 1344-1234621York furnace parts | Sears PartsDirect Most common York furnace parts that need replacing. Air filter. The air filter removes dust, dirt and allergens from the air that circulates through the heat exchanger. Blower fan motor. The blower fan motor rotates the fan blade that circulates air through the heat exchanger to heat your home. Thermostat.
Ryobi Backpack Blower | RY08420A | eReplacementParts.com Ryobi RY08420A Backpack Blower Parts. Search within model. Questions & Answers Page A. Page B. Page C. Previous. Next . Showing only parts from: Page A. Fig # 1 Frame. $17.41 Part Number: 524584001. In Stock, 16 available In Stock, 16 available Note: 3-04-19 (Rev:02) $17.41. In Stock, 16 available Add to Cart $17.41 Add to Cart 2 Fuel Tank Assembly. $16.58 Part …

Ryobi OEM Replacement Blower Fan for ONE+ Plus 18 Volt Blower P2108 and P21081 - 529437004, 529437003, 529437001
OEM Homelite Snow Blower Parts [UT-35018-A] | Repair ... Shop for Homelite Snow Blower UT-35018-A repair parts today!
PDF Homelite Blower Parts Manual for BX90 Blower BX90 Blower UT-08026-F Page 1 of 14 Carburetor And Fuel Tank For Homelite Discount Parts Call 606-678-9623 or 606-561-4983
PDF Homelite 26b Repair Manual Coworker Homelite Blower UT-08934 Parts .... At the spark plug it in the United Kingdom Party blower. A Manual stihl leaf blower might not get the best blowers. If A device to Ignition Controls Parts Diagram ... homelite repair manual. homelite repair manual, homelite trimmer repair manual, homelite chainsaw repair manual, homelite hlt25cs ...
Blowers - Homelite Homelite Blowers offer superior performance in lightweight designs. Built to help you get the job done without the fatigue, the Homelite Blower line features gas blowers for high-powered performance and electric blowers for ease of use and environmentally friendly results. Find Parts Service Centers.
Service & Support - Homelite Also, every Homelite product comes with a parts repair sheet. Locate yours with the original documentation that came with the product, or you can download the repair sheet from the operator's manual section of the website.
Homelite :: Product Owner's Manuals Electric Blower/Vac: UT42120_908_trilingual.pdf UT42120_711_trilingual_01.pdf UT42120A_711_r_01.pdf: 2009-11-25 2013-08-09 2014-03-14 ...
Amazon.com: Homelite Blower Parts 17-32 of 760 results for "Homelite Blower Parts" Price and other details may vary based on product size and color. Dxent C1U-H47 Carburetor 984534001 Carb for Homelite K100 K300 K400 ST2527 ST2537S UT-15164 UT-15169 UT-20758 UT-20760 Trimmer with Primer Bulb Fuel Filter Line Kit
Stihl BR 700 Backpack Blower (BR 700) Parts Diagram Stihl BR 700 Backpack Blower (BR 700) Parts Diagram Select a page from the Stihl BR 700 Backpack Blower diagram to view the parts list and exploded view diagram. All parts that fit a BR 700 Backpack Blower . Pages in this diagram. A CYLINDER. B VALVE TIMING GEAR. C MUFFLER & IGNITION. D AIR FILTER. E REWIND STARTER. F CARBURETTOR . K FAN …
› parts › stihlStihl BR 600 Backpack Blower (BR 600) Parts Diagram, Fuel tank Stihl BR 600 Backpack Blower (BR 600) Parts Diagram, Fuel tank Look at the diagram and find parts that fit a Stihl BR 600 Backpack Blower, or refer to the list below.

Homelite Inc 308123004 Leaf Blower Fuel Tank Assembly Genuine Original Equipment Manufacturer (OEM) Part
boed.mwboutique.pl 13/02/2022 · High Quality 1kw 2kw 3kw 5kw 7kw 8kw 9kw 10kw Power Generator Spare Parts. 25 in. ,952. Direct replacement for RS-322, RS-422, RS-522 and RS-528 log splitters with Raven R210 6. 34. View on rbauction. View product details of Replace Washable Oil Filter Element for General Industrial Equipment from Xinxiang Lifeierte Filter Corp. FOR SALE! Store category …
Homelite Leaf Blower Parts Diagram | Automotive Parts ... Description: Homelite Ut08107 Gas Blower Parts : Ereplacementparts with Homelite Leaf Blower Parts Diagram, image size 590 X 415 px, and to view image details please click the image.. Here is a picture gallery about homelite leaf blower parts diagram complete with the description of the image, please find the image you need.
Homelite MightyLite 26b Leaf Blower - Repaired for a ... One of my coworkers found out I enjoy repairing small engines and asked me to look at a small Homelite Leaf blower she found that wasn't working. It's long, ...
PDF Homlite HB-180, HB-180V BLower IPL 18038 decal (180v only) decal- warning 180v only latch- throttle spring- throttle latch trigger- throttle lever- throttle screw- thd forming screw- tapping pan #8 x 1/2 screw- thd forming x 3/4 loop- wire screw- fil. hd. #8-32 x 5/8 screw- hex hd. #10x 1 5/8 handle- lower (180v only) housing- volute (inner) shroud strap- shoulder bag- leaf (180v only) …
Homelite leaf blower parts | Sears PartsDirect 119 parts. Shop parts. Homelite BP-250 power blower. 123 parts. Shop parts. Homelite HB-180-V UT08010-E power blower. 93 parts. Shop parts. Homelite BX90-UT08026-C power blower.
Homelite 26CC Blower | UT09526 | eReplacementParts.com Use our part lists, interactive diagrams, accessories and expert repair advice to make your repairs easy. Please note shipping times may be longer than expected due to carrier delays. 877-346-4814 ... Repair Parts Home Lawn Equipment Parts Homelite Parts Homelite Blower Parts Homelite UT09526 26CC Blower Parts.
Craftsman walk behind mower parts | Sears PartsDirect We also parts for many other models. Use the exploded Craftsman Platinum 7.25 190cc parts diagram on our Sears PartsDirect website to easily find the self propelled lawn mower parts you need to fix any failure. Sears PartsDirect also has Craftsman 700 Series Platinum mower parts and Craftsman EZ Walk lawn mower parts. Get the parts and ...
0 Response to "41 Homelite Blower Parts Diagram"
Post a Comment