45 craftsman dys 4500 parts diagram
Craftsman YS4500 917287220 front-engine lawn tractor parts - manufacturer-approved parts for a proper fit every time! We also have installation guides, diagrams and manuals to help you along the way! Sears Dys 4500 Craftsman Rear Axle Diagram ideas for your. Craftsman Ys 4500 Parts Manual Read Online and Download PDF Ebook Craftsman Yt 4500 Manual Download craftsman dys 4500 owners manual PDF file for free filesize: 0 byte Craftsman 21 hp 46 in deck ys 4500 lawn tractor...
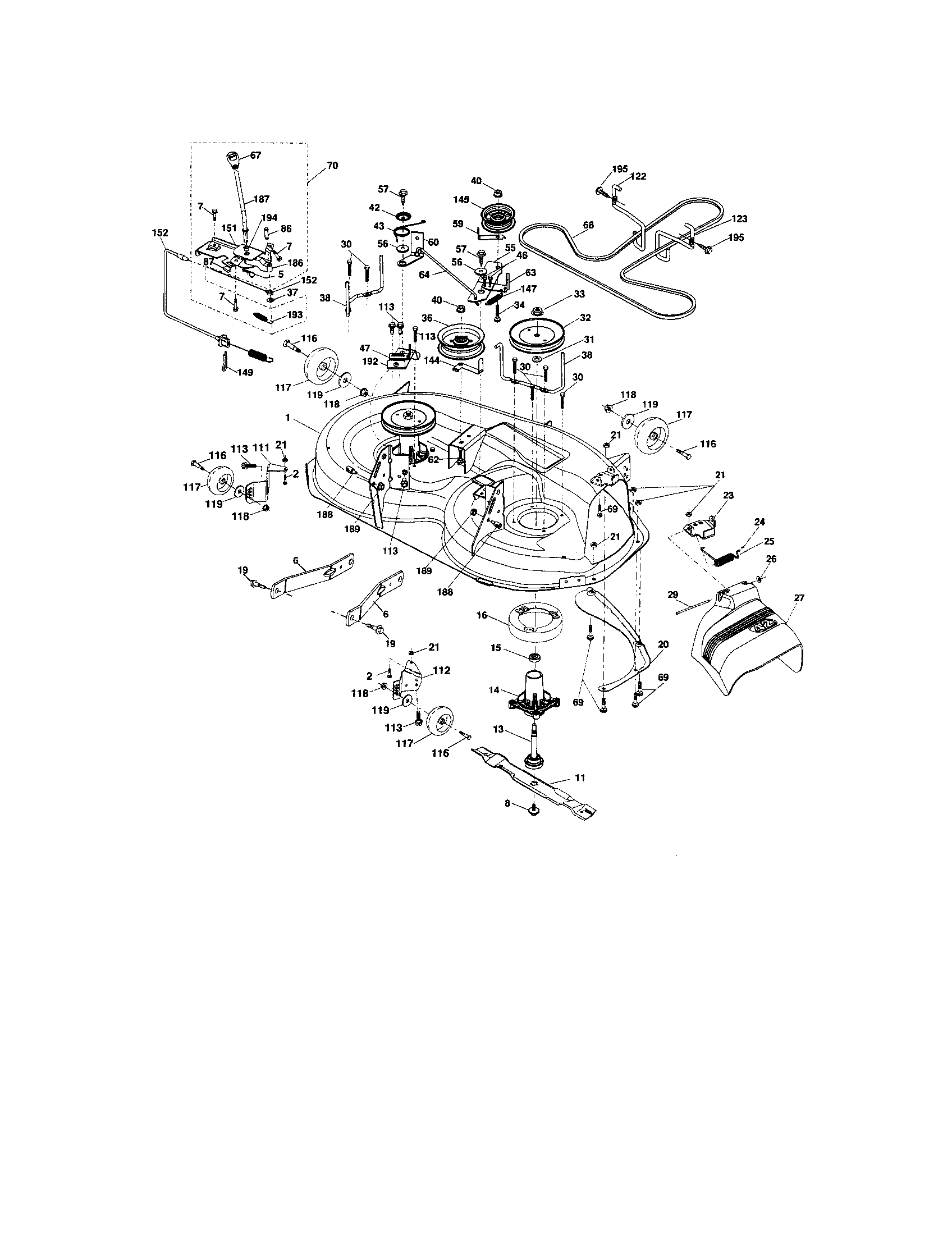
Knowledge about craftsman ys 4500 riding mower parts diagram has been submitted by tractorfile team and tagged in this category. Backhoe parts ys 4500 craftsman tractor manual craftsman dys 4500 lawn craftsman 4500 lawn tractor ford 4500 repair manual ford 4500 manual.

Craftsman dys 4500 parts diagram
Dys4500 Craftsman.pdf - Free download Ebook, Handbook, Textbook, User Guide PDF files on the internet quickly and easily. Download: Dys4500 Craftsman.pdf. Similar searches Related:craftsman dys 4500 steering craftsman dys 4500 parts. 54" Lawn Mower Deck Parts Rebuild Kit for Sears Craftsman DYS 4500. My Craftsman DYS 4500 Lawn Tractor by: Johnny Pool. I purchased my DYS 4500 from Sears Waco back in May 2009. It has a 42' deck, hydro-static tranny, 24 hp/briggs I have rebuilt the deck, mainly the idlers because they cannot be lubricated. It's a machine, and you have to keep spare parts for it.
Craftsman dys 4500 parts diagram. Aug 5, 2020 ... Craftsman 917276906 front-engine lawn tractor parts ... Model #917276906 Craftsman tractor ... Craftsman 917276906 chassis diagram. Chassis. Craftsman dys 4500 manual pdf from our library is free resource for public. Download the service manual from here. Knowledge about craftsman ys 4500 riding mower parts diagram has been submitted by tractorfile team and tagged in this category. Tractor craftsman riding mower won t start craftsman dys 4500 parts manual soup lawn tractor owners manual craftsman dys 4500 parts manual soup. Craftsman DYS4500 always making the fans to be dizzy if not to find. But here, you can acquire it easily this dys 4500 need manual to read. 2009 Craftsman DYS 4500 24hp 724cc InTek OHV V-Twin 42" deck Regarding the oil reminder: You will see in the video the hour ... Problems with the mower deck. Thought the spindle finally bit the dust (it did, but not like I thought). Wrong parts and more ...
Sections of the 917288260 · Chassis Enclosures · Decals · Electrical · Engine · Ground Drive · Lift · Mower Deck · Schematic Diagram. Sears Craftsman DYS4500, DYS 4500, YS4500, YS 4500 46" Lawn Tractor Mower Deck Parts Rebuild Kit Includes (2) Spindle Assemblies Craftsman lawn tractor parts diagram spring best place to find craftsman 42 inch mower deck belt diagram yard machine inch riding mower seemly... Mar 25, 2018 ... PDF Ma nua l Cra fts ma n dys 4500 pa rts ma nua l Craftsman dys 4500 parts manual .. Download: Download: Craftsman dys 4500 parts manual ... Shop for Craftsman Lawn Tractor 917288260 repair parts today! Find parts by name, ... Choose a symptom to view a list of parts that fix that symptom.
4 hours ago Craftsman Ys 4500 Parts Diagram - Hanenhuusholli. Schools Details: Craftsman dys 4500 manual pdf from our library is free resource for Knowledge about craftsman ys 4500 riding mower parts diagram has been submitted by tractorfile team and tagged in this category.Craftsman... Download craftsman dys 4500 owners manual PDF file for free. Filesize: 0 byte. Craftsman 21 hp 46 in deck ys 4500 lawn tractor owners, Did not find what you Craftsman. 28 Craftsman Mower Parts Diagram Wiring List. Craftsman 3 One Convertible 917 37459 Lawn Mower User Manual. Craftsman Dys 4500 Wiring Diagram Download the manual for model Craftsman 917287320 front-engine lawn tractor. Sears Parts Direct has parts, manuals & part diagrams for all types of repair projects to help you fix your front-engine lawn tractor! +1-888-873-3829. Chat (offline) Sears Parts... Craftsman Ys 4500 Parts Manual Read Online and Download PDF Ebook Craftsman Yt 4500 Manual. Download craftsman dys 4500 owners manual PDF file for free. Filesize: 0 byte. Craftsman 21 hp 46 in deck ys 4500 lawn tractor owners, Did not find what you Craftsman ys 4500 tractor mower manual, etc - home, My dad just bought. Craftsman Dys 4500 Manual ...
Craftsman ys4500 parts house online interior ideas craftsman riding mower wont start ys4500 parts steering. How do yo tighten the motion drive belt on Craftsman Ys 4500 Switch Wiring Diagram The Craftsman DYS4500 garden tractor lawn mower is powered by an Intek engine from Briggs and...
Brand: CRAFTSMAN Explore further Amazon: craftsman ys4500 partswwwonCraftsman DYS4500 | Tractor Reviewwwwtor-review/craftsmcraftsman ys4500 limited edition Sears Parts Direct has parts, manuals & part diagrams for all types of repair projects to help you fix your front-engine lawn tractor!
parts & service for · Order replacement parts · Track parts and repairs · Access an extensive selection of tool schematics and manuals · Locate one of our Factory- ...
Craftsman dys 4500 parts manual parts services you are currently viewing craftsman 26 hp 54 in deck dys 4500 yard tractor in lawn garden craftsman pro series gt 54 26hp hydrostatic kohler elite garden tractor at sears for eg. Hope this helps good luck.
Craftsman Dys 4500 Wiring Diagram. News Post. Details: PROVENPART SEARS CRAFTSMAN DYS 42" MOWER DECK REBUILD KIT SPINDLES BLADES BELT IDLERS. Sold by Interstate Supplies and Services. add to compare compare now. $ $ Craftsman 42" 19 HP Briggs & Stratton Fender Hydro...
7 thoughts on " Craftsman dys 4500 wiring diagram ... Craftsman Dys 4500 Wiring Diagram Download the manual for model Craftsman 917287320 front-engine lawn tractor. Sears Parts Direct has parts, manuals & part diagrams for all types of repair projects to help you fix your front-engine...
888-873-3829Craftsman Dys 4500 Wiring Diagram Download the manual for model Craftsman 917287320 front-engine lawn tractor. Sears Parts Direct has parts, manuals part diagrams for all types of repair projects to help you fix your front-engine lawn tractor! +1-888-873-3829. 130.280110...
Diagram for drive belt craftsman dys 4500. Lower attachment lift lever to its lowest. How much oil does a craftsman 159cc model number c4593610. Craftsman dys 4500 belt diagram google search. Replacement parts for a craftsman tractor model 917276600.
11012018 on Craftsman Ys 4500 Wiring Diagram. Hope this helps good luck. Find best value and selection for your Craftsman DYS. Craftsman Riding Tractor Parts Diagram Tractor Parts Diagram And regarding Craftsman Mower Deck Parts Diagram image size 399 X 352 px and to view image...
Nov 23, 2021 · Craftsman dys 4500 manual download Owners Manual Craftsman Dys 4500 Lawn Tractor Shop for CRAFTSMAN TRACTOR repair parts for model 917276906 at Sears PartsDirect. Find parts, manuals & diagrams for any CRAFTSMAN … Purchase a new or reconditioned Craftsman 24 hp 42 in. Deck, DYS 4500 Lawn Tractor from Sears Outlet. Great prices, starting from …
Manuals and User Guides for Craftsman ys 4500. We have 1 Craftsman ys 4500 manual available for free PDF download: Operator's Manual ...
Craftsman Dys 4500 Owner's Manual. Shop for CRAFTSMAN TRACTOR repair parts for model 917276906 at Sears PartsDirect. Find parts, manuals & diagrams for any CRAFTSMAN Lawn, Tractor. Manuals and free owners instruction pdf guides.
craftsman dys 4500 manual that can be your partner. solutions , canon optura pi user guide , 1997 honda accord lx owners manual , fundamentals of corporate finance 9th edition mini case solutions , solution 16 programming manual , 97 bmw 318i engine diagram , tecumseh engine parts , gopro...
Results 1 - 16 of 673 ... Mannial Deck Engagement Clutch Cable for Craftsman 532435111 197257 435111 408714 YT3000 YT4000 YTS 4000 3000 DYS4500 DY4500 Lawn Mower.
Craftsman Dys Belt Diagram ideas for your inspiration. spark plug and wiring diagram for a 12 volt ford workmaster, Belt Diagram, uploaded. Find best value and selection for your Craftsman DYS. When making some major adjustments on a tractor I know how useful it can be to have a wiring diagram of the appliance to make the project much easier.
Craftsman Ys 4500 Wiring Diagram. Craftsman ys Pdf User Manuals. View online or download Craftsman ys Operator's Manual. 917 28990 user manual 68 pages also for craftsman dys 4500 parts manual soup ioet d io et craftsman riding mower won t start thriftyfun craftsman ys4500 deck.
Sears Craftsman DYS4500, DYS 4500, YS4500, YS 4500 46" Lawn Tractor Mower Deck Parts Rebuild Kit Fits Models Specializing in Mower Deck Parts Rebuild Kits, Lawn Mower Blades and Mower Deck Spindle Assemblies Change this XX to Qualify For Free Shipping You Have Achieved...
Home:Lawn & Garden Parts:Craftsman Parts:Craftsman 24 HP ELECTRIC START 46 MOWER AUTOMATIC GARDEN TR Manual. Open the PDF directly: View PDF PDF .
Craftsman ys 4500 belt diagram. If you cannot find the belt at your local sears store you can order the replacement from the following link. Provenpart sears craftsman dys 4500 42 mower deck rebuild kit spindles blades belt idlers. How much oil does a craftsman 159cc model number c4593610.
Need to fix your 917288260 Tractor? Use our part lists, interactive diagrams, accessories and expert repair advice to make your repairs easy.
parts manual for the Dys 4500 Google Search. 54 Answers. Re: diagram for drive belt Craftsman DYS 4500. Most of the time,it is under the left foot rest,if not, try the right side.
PROVENPART SEARS CRAFTSMAN DYS 42" MOWER DECK REBUILD KIT SPINDLES BLADES BELT IDLERS. Sold by Interstate Supplies and Services. add to compare compare now. $ $ Craftsman 42" 19 HP Briggs & Stratton Fender Hydro Automatic Riding Mower (9) Sold by Sears. Kenmore Chest Freezer Parts Diagram, Diagram of Craftsman High Wheel Weed Trimmer , Diagram ...
Provenpart sears craftsman dys 4500 42 mower deck rebuild kit spindles blades belt idlers. Wrong parts and more partsbut its going good now. Since the drive belt on your craftsman dys 4500 riding mower is subjected to abrasion from flying grit and debris you need to fit a replacement from time to...
Parts lookup for Craftsman power equipment is simpler than ever. Enter your model number in the search box above or just choose from the list below.
Craftsman Lawn Tractor parts that fit, straight from the manufacturer. Use our interactive diagrams, accessories, and expert repair help to fix your Craftsman Lawn Tractor.
Craftsman dys 4500 belt diagram google search. You should find something broken jammed or disconnected in this area. Knowledge about craftsman ys 4500 riding mower parts diagram has been submitted by tractorfile team and tagged in this category.
My Craftsman DYS 4500 Lawn Tractor by: Johnny Pool. I purchased my DYS 4500 from Sears Waco back in May 2009. It has a 42' deck, hydro-static tranny, 24 hp/briggs I have rebuilt the deck, mainly the idlers because they cannot be lubricated. It's a machine, and you have to keep spare parts for it.
Related:craftsman dys 4500 steering craftsman dys 4500 parts. 54" Lawn Mower Deck Parts Rebuild Kit for Sears Craftsman DYS 4500.
Dys4500 Craftsman.pdf - Free download Ebook, Handbook, Textbook, User Guide PDF files on the internet quickly and easily. Download: Dys4500 Craftsman.pdf. Similar searches
0 Response to "45 craftsman dys 4500 parts diagram"
Post a Comment