Ex VATInc VAT2A ‑ TOP COVER HIT‑886598.A2 886598£12.12£14.553 ‑ FILTER HIT‑886129.A0 886129£36.54£43.854A ‑ MOTOR (A) HIT‑887735.A1 887735£104.60£125.52View 131 more rows

Hitachi nail gun parts diagram
Details about 3 X Bostitch Roofing Nailer RN46 RN46-1 O-ring Kits
Hitachi / Hikoki NR1890DBCL Cordless Nailer Spare Parts
Hitachi NR1890DR Cordless Strip Nailer | Partswarehouse
Hitachi 877-852 Head Cap & Gasket Set | Helton Tool & Home
Hitachi Nail Gun Parts - Repair your nailer today with ...
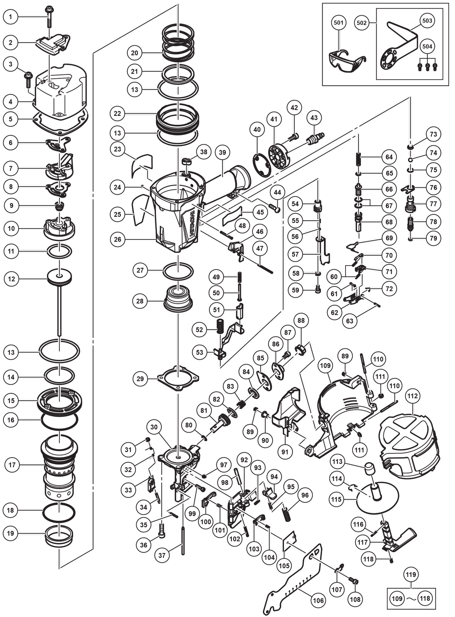
PNEUMATIC TOOL PARTS LIST
Hitachi Nail Gun Parts - Repair your nailer today with ...
Hitachi Nail Gun 65GS User Guide | ManualsOnline.com
Buy Hitachi NR90AF 3-1/2 Inch Wire Weld Framing Replacement ...
Buy Hitachi NR83A2(Y) 3-1/4" Plastic Collated Framing ...
Buy Hitachi NV75A Replacement Tool Parts | Hitachi NV75A Diagram
O Ring Replacement Rebuild Kit For Senco Framing Nailer Parts Diagram New | eBay
Metabo HPT (Hitachi) Strip Nailer | NR83A3 ...
Hitachi Nv83A5 3-1/4" Coil Framing Nailer | Model Schematic ...
Hitachi framing nailer disassembled and parts that go bad
Hitachi Nv83A4 3-1/4" Coil Framing Nailer | Model Schematic ...
40 Woodworking tools ideas | woodworking tools, woodworking ...
Hitachi NV65AH Parts - Coil Nailer - Hitachi Nailer Parts ...
PNEUMATIC TOOL PARTS LIST
Hitachi Parts - Pneumatic Nailer
Hitachi NV83A2 Parts - Coil Nailer - Hitachi Nailer Parts ...
Hitachi Nv45Ab2 Roofing Nailer, Coil, Wire Collation | Model ...
Hitachi / Hikoki NT65GB Gas Finish Nailer Spare Parts | Miles ...
Hitachi NT1865DM Cordless Finish Nailer | Partswarehouse
NV83A3 Pneumatic Coil Framing Nailer Manual- Need An Owners ...
Hitachi 2537553 35 gal Pneumatic Collated Paper Framing Nail Gun
Metabo HPT (Hitachi) Clipped Head Framing Nailer | NR83AA3 ...
Hitachi NT65MA4 - Nailgun Guide
Buy Hitachi NR65AK2(S) 2-1/2 Inch Strap-Tite Fastening System ...
Buy Hitachi NR83A3(S) 3-1/4" Plastic Collated Framing Nailer ...
Hitachi NR83A2 - 3.25" Full Head Framing Strip Nailer Parts ...
Buy Hitachi NR90AA Replacement Tool Parts | Hitachi NR90AA ...
Hitachi Nv75An 3" Coil Siding/Framing Nailer | Model ...
Hitachi NT1850DE Cordless Finish Nailer | Partswarehouse
Buy Hitachi NR83A2 Full Head Framing Plastic Strip Collation ...
NR90GC2 Spares for Hitachi NR90GC2 Parts (Strip Nailer ...
Hitachi 18020 O-Ring Parts Kit for NR90AD Nailer
Metabo HPT (Hitachi) Full Round Head Coil Nailer | NV83A2 ...
Hitachi NR38AK Strip Nailer | Partswarehouse
Hitachi 2537553 35 gal Pneumatic Collated Paper Framing Nail Gun
Hitachi Framing Nailer Parts FOR SALE! | PicClick
NV 45AB2 Hitachi Pneumatic Coil Nailer Parts and Diagrams
0 Response to "42 hitachi nail gun parts diagram"
Post a Comment