Iklan 300x250

43 cub cadet spindle assembly diagram

Item#: 490-130-C002. No rating value average rating value is 0.0 of 5. Read 0 Reviews Same page link. $84.99. For Cub Cadet Riding Mowers with a 30- or 42- cutting deck (2011 - ) Includes (1) spindle assembly with pulley, (4) 710-1260A self-tapping screws and (1) 712-0417A blade nut. Maintenance-free spindle with triple sealed bearings helps ...

Cub Cadet Parts Diagrams, Cub Cadet GT2186-44 Tractor 13A-298L710 13A-298L712 . Air Intake And Filtration Attachment; Battery, Electrical Components And Switches ... Deck Drive & Spindle Assembly 44" Drive Line. Electric Start Engine Controls. Engine Mounting And Muffler. Exhaust. Fender And Running Board ...

Cub Cadet Parts Diagrams, Cub Cadet GT2550 Tractor 2009 & After 14A-2E7P010 .Quick Reference Attachment; Battery, Electrical Components & Switches ... Deck Drive & Spindle Assembly 50 Inch. Drive Line. Engine Air Intake & Filtration. Engine Blower Housing & Baffles. Engine Controls ...

Cub cadet spindle assembly diagram

Cub cadet spindle assembly diagram

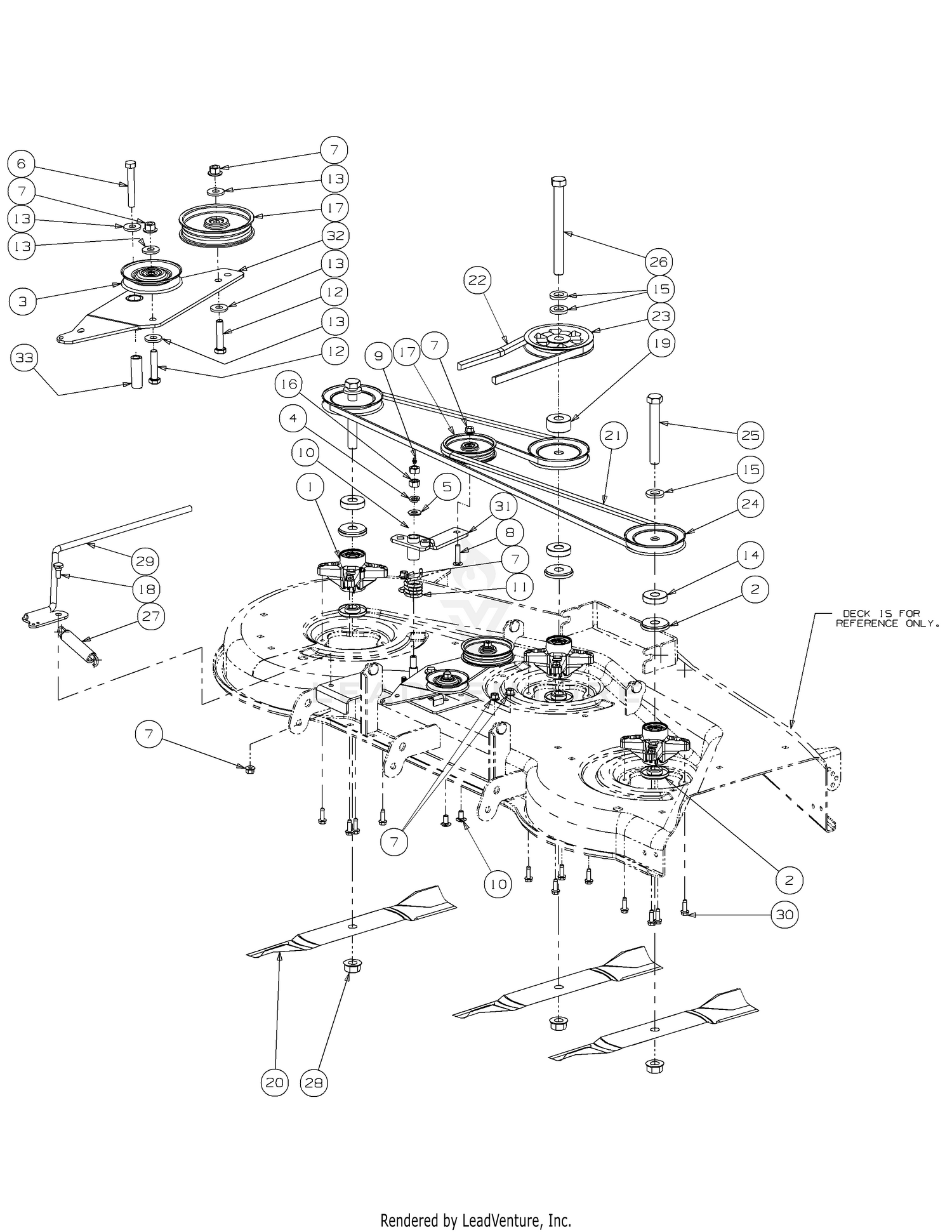
42" Spindle Assembly diagram and repair parts lookup for Cub Cadet 2166 (13A-214G100) - Cub Cadet Garden Tractor

48 Inch Spindle Assembly diagram and repair parts lookup for Cub Cadet 301 (190-301-100) - Cub Cadet 48" Mower Deck

48 Inch Spindle Assembly diagram and repair parts lookup for Cub Cadet 2518-48 (13A-288M100) - Cub Cadet Garden Tractor

Cub cadet spindle assembly diagram.

Figure Listing · To View The Parts Diagram, Please Login or Sign Up · Or Use The Guest Login.

Avoid frustration when buying parts, attachments, and accessories with the Cub Cadet Right Part Pledge. If you purchase the wrong part from Cub Cadet or a Cub Cadet authorized online reseller, Cub Cadet, or your Cub Cadet authorized online reseller will work with you to identify the correct part for your equipment and initiate a free exchange.

Buy Genuine OEM Cub Cadet parts for your Cub Cadet 301 48. ... Cub Cadet-Parts-Diagrams-Cub Cadet-301-48-Mower-. 48 Inch Spindle Assembly.

11 Dec 2013 — Thank you for purchasing a Cub Cadet Zero-Turn Tractor. It was carefully engineered to provide excellent performance when.48 pages

Spindle Assembly. Item#: 918-04426. $87.99 Used on Riding Mowers and RZTs with 48-in, 50-in , 54-in and 60-in decks ... and accessories with the Cub Cadet Right Part Pledge. If you purchase the wrong part from Cub Cadet or a Cub Cadet authorized online reseller, Cub Cadet, or your Cub Cadet authorized online reseller will work with you to ...

Find the right spindle for your Cub Cadet riding mower, garden tractor or RZT Zero-Turn mower. Spindles for Cub Cadet LT1042, LT1045, LT1046, LT1050 and more. Use our P arts Diagrams Tool to lookup the spindle for your Cub Cadet or our Part Finder to make sure you're getting the right spindle for your machine.

Cub Cadet Deck Spindle Diagram. 918-0671 Spindle Assembly CUB/MTD 54" spindle cub cadet assembly 918 mtd rzt54 stens deck 54 gt1554 replacement spindles oem ...

Lookup Parts via Diagram. Use our parts diagram tool below to find the parts you need for your machine. Select the model and year, then browse the parts diagrams to find the right part. Add to cart when you're ready to purchase and we'll ship it to you as soon as possible! This is the most current part for this model.

Cub Cadet 324 54

Cub cadet 324 54" mower 190-324-100 spindles, blades and pulleys

MTD Z-16 (1999) 53BA1A3G190 (1999) Parts Diagram for 42-Inch ...

Mtd z-16 (1999) 53ba1a3g190 (1999) parts diagram for 42-inch ...

Cub Cadet 2166 Tractor 13A-214G100 13A-254G100 42&quot ...

Cub cadet 2166 tractor 13a-214g100 13a-254g100 42" ...

Cub Cadet 300 46

Cub cadet 300 46" mower 190-300-100 46" spindle assembly ...

MTD OEM-190-032 Snow Thrower (2010) Parts Diagram for Spindle ...

Mtd oem-190-032 snow thrower (2010) parts diagram for spindle ...

Cub Cadet XT1-LT50 Tractor (13WQA1CQ010) (2017) Spindle

Cub cadet xt1-lt50 tractor (13wqa1cq010) (2017) spindle

Cub Cadet Z-Force 54 (17BF3AGX010) - Cub Cadet 54

Cub cadet z-force 54 (17bf3agx010) - cub cadet 54" z-force ...

Cub Cadet 2166 (13A-254G100) - Cub Cadet Garden Tractor 42 ...

Cub cadet 2166 (13a-254g100) - cub cadet garden tractor 42 ...

Cub Cadet ENFORCER 54 (53BI3AGT050) 23HP Kawasaki 53BI3AGT050 ...

Cub cadet enforcer 54 (53bi3agt050) 23hp kawasaki 53bi3agt050 ...

Cub Cadet XT1-LT42 KH (13AOA1CS056) (2018) Spindle

Cub cadet xt1-lt42 kh (13aoa1cs056) (2018) spindle

Cub Cadet 358 44C 44

Cub cadet 358 44c 44" mower 190-358-100 blades & spindles

Cub Cadet Z-Force 54 Kohler 17BF3AGX (2012) 17BF3AGX010 (2012 ...

Cub cadet z-force 54 kohler 17bf3agx (2012) 17bf3agx010 (2012 ...

Cub Cadet 2146 Tractor 13A-224F100 38" Spindle Assembly ...

Cub cadet 2146 tractor 13a-224f100 38" spindle assembly ...

Cub Cadet Spindle Assembly, 490-130-C002 at Tractor Supply ...

Cub cadet spindle assembly, 490-130-c002 at tractor supply ...

Cub Cadet 2518-44 Tractor 13A-208L100 13B-288L100 44

Cub cadet 2518-44 tractor 13a-208l100 13b-288l100 44" deck ...

Cub Cadet RZT-SX 46 KH FAB (17RRCBYN010) - Cub Cadet 46

Cub cadet rzt-sx 46 kh fab (17rrcbyn010) - cub cadet 46" rzt ...

Cub Cadet Tractor | 2155 | eReplacementParts.com

Cub cadet tractor | 2155 | ereplacementparts.com

Pin on cub cadet mower parts

Pin on cub cadet mower parts

Cub Cadet 301 48

Cub cadet 301 48" mower 190-301-100 48 inch spindle assembly ...

Cub Cadet 42

Cub cadet 42" deck spindle assembly no. 918-0427

Cub Cadet Z-Force 60 Kawasaki 17AI3AGJ 17AI3AGJ709 ...

Cub cadet z-force 60 kawasaki 17ai3agj 17ai3agj709 ...

Cub Cadet 301 48

Cub cadet 301 48" mower 190-301-100 48 inch spindle assembly ...

Spindle Assembly

Spindle assembly

Cub Cadet Z-Force 48 (17AF3AGV010) - Cub Cadet 48

Cub cadet z-force 48 (17af3agv010) - cub cadet 48" z-force ...

MTD ZT-1850 Parts Diagram for 44-Inch Deck Spindle Assembly

Mtd zt-1850 parts diagram for 44-inch deck spindle assembly

Cub Cadet LTX1050 Hydrostatic Lawn Tractor | Partswarehouse

Cub cadet ltx1050 hydrostatic lawn tractor | partswarehouse

Cub Cadet Tractor 1000 | 1517 | eReplacementParts.com

Cub cadet tractor 1000 | 1517 | ereplacementparts.com

New 285-847 Spindle Assembly for Cub Cadet Ltx1045, Ltx1046 and Z-Force S  46, Mtd 13Al771T004, 13Al78St099 918-0865A

New 285-847 spindle assembly for cub cadet ltx1045, ltx1046 and z-force s 46, mtd 13al771t004, 13al78st099 918-0865a

Cub Cadet Spindle Assembly, 490-130-C002 at Tractor Supply ...

Cub cadet spindle assembly, 490-130-c002 at tractor supply ...

54-inch Spindle Assembly

54-inch spindle assembly

Cub Cadet M60-KH (53BB5BDX750) (Tank) 27HP Kohler V-Twin OHV ...

Cub cadet m60-kh (53bb5bdx750) (tank) 27hp kohler v-twin ohv ...

suneducationgroup.com Deck Rebuild Kit Blade Spindle Belt MTD ...

Suneducationgroup.com deck rebuild kit blade spindle belt mtd ...

Cub Cadet Parts Diagrams, Cub Cadet LT1045 Tractor (2007 ...

Cub cadet parts diagrams, cub cadet lt1045 tractor (2007 ...

Replacement MTD Cub Cadet Spindle Assembly RZT 50

Replacement mtd cub cadet spindle assembly rzt 50" - walmart.com

Cub Cadet Spindle Assembly (91805132) for sale online | eBay

Cub cadet spindle assembly (91805132) for sale online | ebay

UP2WIN Spindle Fits for Cub Cadet LT1050 Mower - Spindle Assembly Fits for  Cub Cadet RZT50 LT1050 Lawn Mower, Work with Cub Cadet Troy Built Mustang  ...

Up2win spindle fits for cub cadet lt1050 mower - spindle assembly fits for cub cadet rzt50 lt1050 lawn mower, work with cub cadet troy built mustang ...

Cub Cadet i1042 Zero Turn Riding Mower | Partswarehouse

Cub cadet i1042 zero turn riding mower | partswarehouse

Cub Cadet Tractor | 2164 | eReplacementParts.com

Cub cadet tractor | 2164 | ereplacementparts.com

Cub Cadet M60-KH (53AH8CT6050) - Cub Cadet 60

Cub cadet m60-kh (53ah8ct6050) - cub cadet 60" tank zero-turn ...

Details about Cub Cadet 603-0909-0637 Spindle Assembly, Steering RH -7252--  ITEM 4

Details about cub cadet 603-0909-0637 spindle assembly, steering rh -7252-- item 4

Cub Cadet 46

Cub cadet 46" deck spindle assembly no.918-0660

Cub Cadet Z42 53AC305G100 42

Cub cadet z42 53ac305g100 42" deck drive and spindle assembly

0 Response to "43 cub cadet spindle assembly diagram"

Post a Comment

Iklan Atas Artikel

Iklan Tengah Artikel 1

Iklan Tengah Artikel 2

Iklan Bawah Artikel