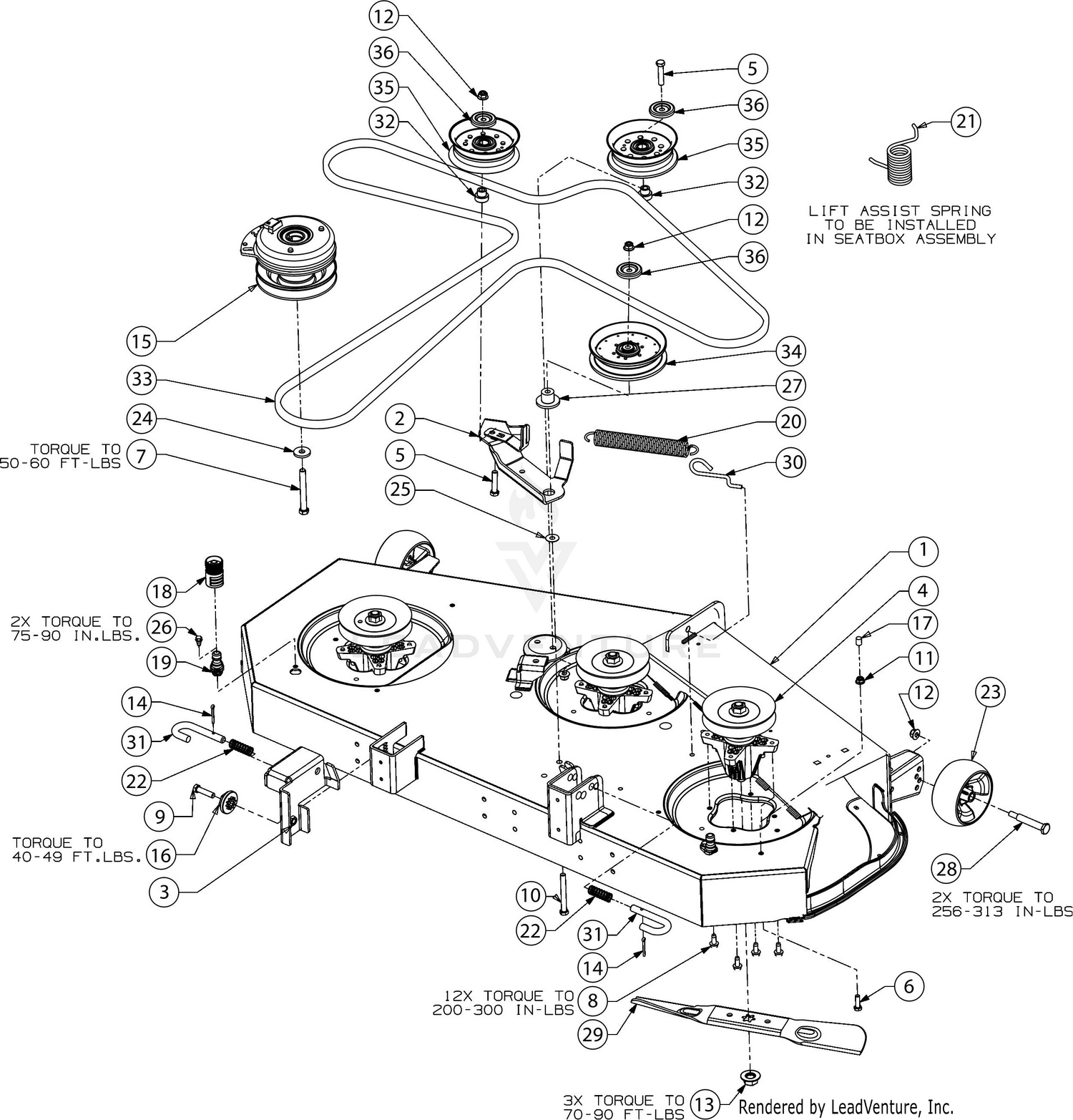
43 cub cadet rzt l 54 parts diagram
Factory Service Repair Manual TM2187 For John Deere 5225, 5325, 5425, 5525, 5603, 5625 Tractors. Tons of illustrations, instructions, diagrams for step by step remove and install, assembly and disassembly, service, maintenance, inspection, repair, troubleshooting, tune-ups. This manual is used by dealers. Fully digital version with bookmarks.
Amazon.com: MTD 19A30031OEM Parts-42 in. and 46 in. Double Includes 078386 FW and 784819 Retaining Ring Rover RZT S 46 Zero Turn Mower The Rover RZT S 46 is ideal for large areas with uneven terrain, featuring a 20hp Kohler® V-Twin engine, steering wheel control & a 117cm (46") cutting deck. Steering Damper for John Deere Zero
Use our part lists, interactive diagrams, accessories and expert repair advice to make your repairs easy. Cub cadet RZT L Pdf User Manuals. View online or download Cub cadet RZT L Operator's Manual. 27/04/2018 · The Cub Cadet RZT L54 FAB (54-Inch) 24HP Kohler Zero Turn Mower w/ Fab Deck 17BRCACA010 has been discontinued.
 
    Cub cadet rzt l 54 parts diagram
Cub Cadet M48TANK Series Service Manual: Cub Cadet Z-FORCE Series Service Manual. Yes, printed Cub Cadet Operator's Manuals, Illustrated Parts Lists and Engine Manuals are available for purchase. The price for a pre-printed manual is typically less than $20+s/h, but can range up to $45+s/h for larger documents.
Steering Assembly Diagram Parts List For Model 917273070. 35 Craftsman Lt1000 Drive Belt Diagram Wiring List. Xv 2766 Craftsman Mower Deck Diagram Lawn. 130.280110 (2690978) - Craftsman LT2146 Series 46" Lawn Tractor, 21hp. 130.280111 (2690978A) - Craftsman LT2146 Series 46" Lawn Tractor, 21hp. 130.280120 (2690980) - Craftsman LT2452 Series 52 ...
Enhance the functionality of your mixing machine by adding on Hobart mixer accessories. We carry a variety of Hobart mixer parts, including bowl scrapers, flat beaters, pastry knives, whips, and splash guards, that can be used for almost any food prep task. H600 & L800 Series Mixers H-600 / L-800 (H600 ML's - 104241, 104242, 104383, 104384 ...
Cub cadet rzt l 54 parts diagram.
Husqvarna 155 rider parts list manual Husqvarna Rider 155 Manuals and User Guides Lawn Mower ride on parts. husqvarna / craftsman / poulan. husqvarna / craftsman / poulan 106 products found sort 2 x ride on mower spindle assy husqvarna & .00. add to cart. ride on mower seat cover suit john deere murray ro. .70. add to cart. ride on mower deck wheel fits selected john deere . .
Frigidaire gallery washer parts manual Frigidaire Washer Parts Fast Shipping Find Frigidaire Washing Machine Parts at RepairClinic.com. Repair your Frigidaire Washing Machine for less. Fast, same day shipping. 365 day right part guaranteed return policy. Download the manual for model Frigidaire FGID2466QF5A dishwasher. Sears Parts Direct has parts, manuals & part diagrams for all types...
Ford 2600 tractor parts manual TractorData.com Ford 2000 tractor information Worthington Ag Parts is your home for new, used, and rebuilt tractor parts. We stock a broad selection of parts for your Ford® 2600 tractor. The Ford® 2600 was manufactured for years 1975-1981. It was originally delivered with 36 hp. The availability of some parts...
One of the most essential tools for doing so is a Cub Cadet XT1 deck belt diagram. Buy Genuine OEM Cub Cadet parts for your Cub Cadet 1320 S/N 147,008 - 207,400 130-232-100 131-232F100 139-232-100 and ship today! Huge in-stock inventory of OEM Cub Cadet parts.
Farm king auger parts manual Farm King YouTube additional info: we stock a selection of new farm king augers - all have 2 year parts warranty call for best pricing on our preseason truckload purchase we stock a convenient hd electric swing hopper attachment with remote that also raises the hopper. call for pricing and info on swing hopper
Pages & Sections: 30 Pages in COLOR, 15-Sections 17AA5A4G710 2004 RZT17. Cub Cadet repair parts and parts diagrams for Cub Cadet RZT-50 (17BA5A7P712) - Cub Cadet 50' RZT Zero-Turn Mower, Briggs & Stratton Intek COVID-19 UPDATE: Call Center OPEN (from home) and Warehouse SHIPPING to all 50 states (with some USPS/UPS/FedEx delays) Learn more.
Cub Cadet RZT 54 User Manual. Download for 1. Never operate the mower deck without the chute deflector installed and in. the down position. Check the mower deck for a shipping brace (w/tag) that may be holding the chute deflector upward for shipment.
 
    
    Leego deck belt compatible with cub cadet 54 inch deck rzt-l54 rzt-s54 rzt-lx 54 rzt-s54 rzt-sx 54 zt1-54 zt2-54 zero turn mowers 754-04329 954-04329
 
     
     
    _(2011)_WW_2.gif) 
     
    _(2017)_WW_4.gif) 
     
     
     
     
     
     
     
    _(2017)_WW_3.gif) 
     
     
     
     
     
     
     
     
     
     
     
     
     
    _(2014)_WW_2.gif) 
     
     
     
     
     
    
0 Response to "43 cub cadet rzt l 54 parts diagram"
Post a Comment