42 poulan pro drive belt diagram
Poulan 541ZX - 966681901 (2011-01) Exploded View parts lookup by model. Complete exploded views of all the major manufacturers. It is EASY and FREE
Drive belt diagram for poulan riding mower keywords. 583338301 deck svc 42 199911x43 22899 532195186 armsuspensionmower. With regular use the belt can become frayed or break resulting in. Poulan makes a series of large riding lawn mowers for cutting grass. Find the right replacement belt for your riding mower or tractor.
DRIVE diagram and repair parts lookup for Poulan Pro PB 301 (960220027-00) - Poulan Pro Lawn Tractor (2014-10)

Poulan pro drive belt diagram
Poulan pro drive belt diagram. 70 134683 guide belt mower drive rh 74 137057 spacer axle. Poulan pro riding mowers are backed by a 2 year limited warranty so you can feel confident behind your lawn investment. Displaying drive parts for the poulan pp175g42 96046007500 poulan pro lawn tractor 2015 08. Lawn garden tractor.
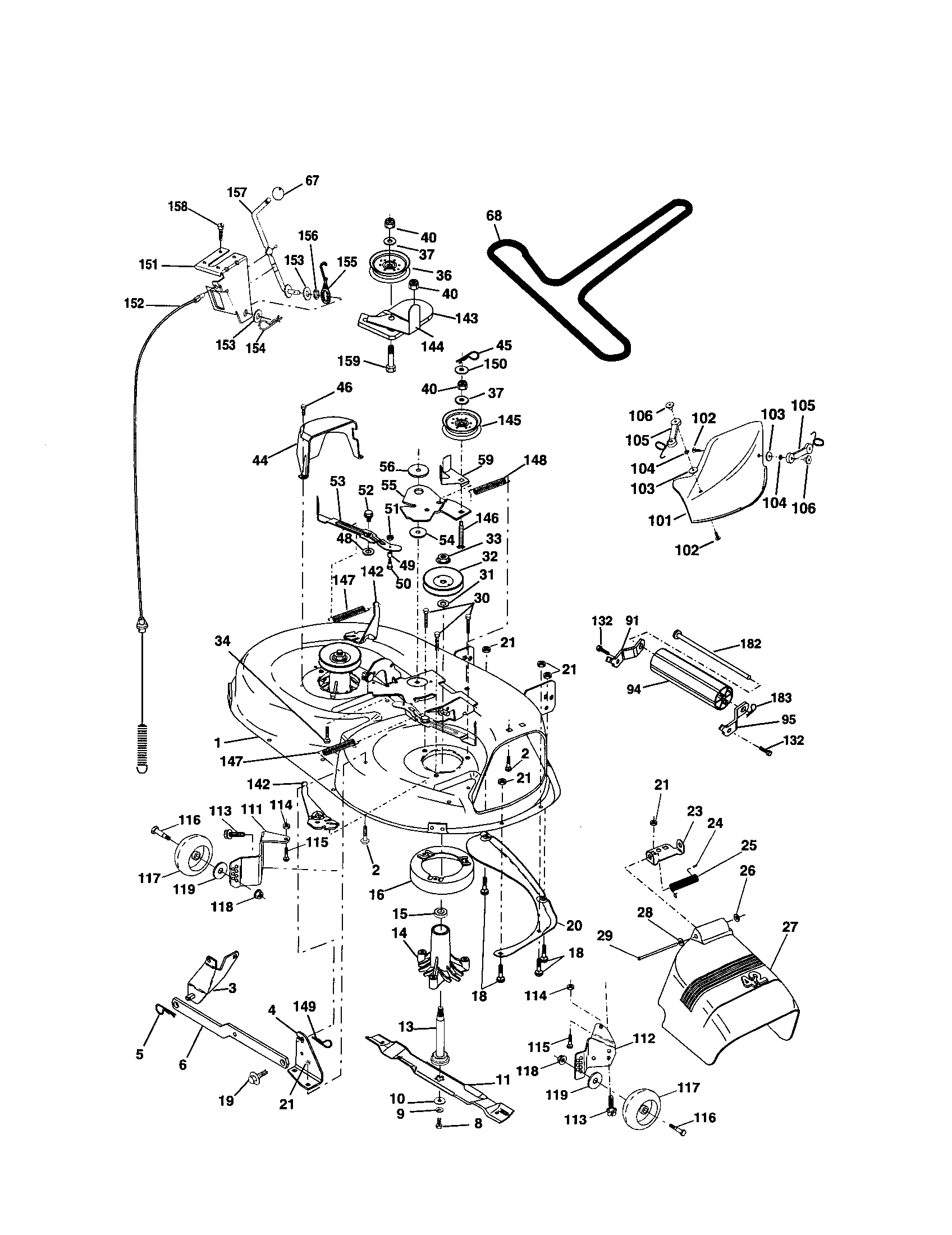
TO REPLACE MOWER BLADE DRIVE BELT. (See Fig. 30). The mower blade drive belt may be replaced without tools. Park the tractor on level surface.
In this video I will show you how to change the belt on a poulan pro or husqvarna tractor equiped with the cvt automatic transmission.Thanks to the improveme...
Poulan pro drive belt diagram.
Poulan pro drive belt diagram. 70 134683 guide belt mower drive rh 74 137057 spacer axle. Poulan pro riding mowers are backed by a 2 year limited warranty so you can feel confident behind your lawn investment. Displaying drive parts for the poulan pp175g42 96046007500 poulan pro lawn tractor 2015 08. Lawn garden tractor. 42" Deck Belt.
13 - CRAFTSMAN PYT9000/POULAN PRO PP19A42 DRIVE BELT CHANGE INSTRUCTIONSBeer me (if you want) https://www.patreon.com/DoubleCheckItDISCLAIMER: INFORMATION IS...
I have a Poulan 42", 17.5 hp lawn tractor. The drive belt keeps jumping off one of the pulleys. There is a flat spring keeper that is supposed to keep the belt on the pulley, but the belt slips between the keeper and the pulley producing enough belt slack that the tractor stops.
Poulan Pro Riding Mower Drive Belt Diagram. Installation, Repair and Replacement of Poulan PRGT25H48 Drive Belt. Left- hand and right-hand are referenced from the point of view of the tractor operator. Poulan Pro PD25PH48STC Manual Online: To Replace Mower Drive Belt. MOWER DRIVE BELT Mower Drive Belt. Poulan pro lawn tractor owner's manual.
Poulan lawn tractor PO mower belt and drive belt part number I have a Poulan lawn tractor PO I need to know the part number for the mower belt and the drive belt. . To keep your riding mower in peak performance consider the 42 in. Tractor Belt. This heavy-duty belt can be used with specific Poulan, Poulan Pro, Craftsman, Husqvarna and Ariens ...
Poulan Pole Pruners/Pole Saws. Poulan Pro Pole Pruners and Pole Saws. Poulan Riding Mowers-Tractors. Poulan Pro Tractors. Poulan Trimmers and Edgers. Poulan Pro Trimmers and Edgers. Poulan Blowers. Poulan Pro Blowers. Poulan Walk Behind Mowers.
Installation, Repair and Replacement of Poulan PRGT25H48 Drive Belt. Left-hand and right-hand are referenced from the point of view of the tractor operator.
We recommend you refer to model specific diagrams for appropriate uses and . We are here to help - over 324 genuine Poulan repair and replacement parts. Parts Diagrams (12). How to Replace a Riding Lawn Mower Blade Drive Belt. PartsTree.com - Select Poulan PP19A42 (96046007800) - Poulan Pro Lawn Tractor.
Ford F150 Heater Hose Diagram. ford 4 6 5 4 6 8 heater hose under intake replacement ford 4 6 5 4 6 8 heater hose under intake replacement the easy way 1999 ford expedition 5 4 heater hose 99 ford f150 heater 1997 ford f150 4 6 heater hose diagram imageresizertool 1997 ford f150 4 6 heater hose diagram moreover 6e944 2004 ford explorer 4 0 one vac line along with 2d4cs …
Poulan 532429636. Deck Drive Belt, 42". -. (Superseded to ) Description... Hide. The purpose of the Belt is to drive smooth movement within your equipment. Belts are most often found within the engine and cutting deck. The belt length and shape varies based on the system, but most are V-shaped or Cogged.
Drive belt diagram for a poulan pro pb20a46 riding mower. 5 product ratings fuel line filter snap. Poulan makes a series of large riding lawn mowers for cutting grass. I have a drive belt for my murray 42 twin /c 17 hp. Get free shipping on qualified poulan pro belts or buy online pick up in store today in the outdoors department.
Poulan PR185H42STA front-engine lawn tractor parts - manufacturer-approved parts for a proper fit every time! We also have installation guides, diagrams and manuals to help you along the way!

Replacement hydrostatic transmission drive belt fits ayp, weedeater, flymo, poulan pro mowers replaces 170140
21" CleanScape AWD Mower Belt . 21" CleanScape AWD Mower Belt . Compare View large image 21" CleanScape RWD Mower Belt . 21" CleanScape RWD Mower Belt ... Connect with us and other Poulan Pro fans. Keep up with Poulan Pro! Get new product announcements, promotions, and seasonal tips delivered right to your inbox. ...
May 9, 2009 — Where Can I Find a Drive Belt Diagram For a Poulan Pro MODEL NUMBER BB185H42LT...42in cut Lawn Tractor - Answered by a verified Technician.1 answer · See attached link and look at page 8. The belt is going to go around the engine pulley ...
Poulan PB195H42LT - 96042012303 (2011-07) Exploded View parts lookup by model. Complete exploded views of all the major manufacturers. It is EASY and FREE
Poulan Pro 300ex Drive Belt Diagram. 17.01.2019 17.01.2019 4 Comments on Poulan Pro 300ex Drive Belt Diagram. See attached link and look at page 8. The belt is going to go around the engine pulley back and around the outside of the first idler pulley and. Go to schematron.org Scroll down, on the right click on The owners manual will tell you ...
Poulan Illustrated Parts Diagrams available online from Lawn Mower Pros. We have a large selection of Poulan Illustrated Parts Diagrams to cover your Poulan Lookup needs. If you do not see the Poulan Parts you need, please complete the Lawn Mower Parts Request Form and we will be happy to assist you.
Nov 14, 2019 — Automotive belts are pretty tuff but can not stand up to the beating a mower takes. Go to your mower place and get the proper size "V" belt for your Poulan.Drove belt diagram for poulan pro poulan pro pp175g42 driveMay 6, 2019Drive belt diagram on poulan pro 19.5 automatic - FixyaJun 14, 2009I need a belt diagram for a poulan pro 500ex - Garden - FixyaApr 21, 2011Belt diagram for poulan pro riding mower model pb19h42ytNov 18, 2019More results from www.fixya.com
42" Deck Belt. Part number: 531309480. Keep your tractor running smoothly and reliably with a new quality replacement belt that is an Original Manufacturer Replacement Deck Belt.
Get free help, tips & support from top experts on drive belt diagram poulan riding mower. Poulan Pro PD25PH48STC Manual Online: To Replace Mower Drive Belt. MOWER DRIVE Poulan pro zero turn riding mower owner's manual (31 pages) . Poulan makes a series of large riding lawn mowers for cutting grass. Attaching the engine to the mower deck is a belt.
Poulan PP20VA42-917223980 front-engine lawn tractor parts - manufacturer-approved parts for a proper fit every time! We also have installation guides, diagrams and manuals to help you along the way!
Drive. replacing the transmission drive belt on a huskee supreme it is my theory that when building these tractors they suspend a properly shaped drive belt in an anti gravitational chamber then build the tractor. P. READ Digestive System Labeled Diagram. poulan pro mower deck, poulan pro xt675 manual, poulan pro front tine tiller, poulan pro ...
Step 7. Wrap the new belt around the clutch pulley underneath the engine. Starting on the right side, feed the belt through the pulleys on the deck belt until tight. Advertisement. references. Poulan: Poulan Pro 900 ZX Operator's Manual. Cleveland Van Cecil. Cleveland Van Cecil is a freelancer writer specializing in technology.
idler pulleys (S) as shown. 2. Install belt onto clutch pulley (M). IMPORTANT: Check belt for proper routing in all mower. pulley grooves.
I am trying to find a Drive train belt Diagram for a Poulan tractor model # XC1182HB.. Thanks Craig1 Posts ... Need diagram to replace belt on poulan riding mower model# xel1120ar Poulan Pro Lawn Mower [ 2 Answers ] My push lawn mower will start, but quickly sputters out. ...
Drive Belt Diagram For Poulan Riding Mower.pdf Free Download Here TRACTOR - - MODEL ... POULAN PRO Subject: John Deere Stx 30 Deck Belt Size | File Direct ...
Poulan pro drive belt diagram. 70 134683 guide belt mower drive rh 74 137057 spacer axle. Poulan pro riding mowers are backed by a 2 year limited warranty so you can feel confident behind your lawn investment. Displaying drive parts for the poulan pp175g42 96046007500 poulan pro lawn tractor 2015 08. Lawn garden tractor. 42" Deck Belt.
Poulan Pro 48 Inch Deck Belt Diagram. Poulan Pro 46 Deck Belt Diagram. Mtd 42 Inch Deck Belt Diagram. Husqvarna 54 Inch Deck Belt Diagram. Murray 46 Inch Deck Belt Diagram. Craftsman 54 Inch Mower Deck Belt Diagram. Simplicity 38 Inch Mower Deck Belt Diagram. Simplicity 42 Inch Mower Deck Belt Diagram. Simplicity 44 Inch Mower Deck Belt Diagram.
Poulan pro drive belt diagram. Repair parts home lawn equipment parts poulan parts poulan lawn tractor parts poulan pb195h42lt 412244 lawn tractor parts. Have a pr1842st 42inch 18hp riding lawnmowerpoulan pro. Lawn garden tractor. Mower drive belt removal park tractor on a level surface. Complete exploded views of all the major manufacturers.
cub cadet lower drive belt 954 05027a power mower sales. mowpart com blades. amazon com craftsman 42 riding lawn mower deck wheel. poulan pro 02153 owner s ...
0 Response to "42 poulan pro drive belt diagram"
Post a Comment