Iklan 300x250

42 mercruiser alpha one lower unit diagram

Alpha Drive Unit Components. MerCruiser I and I-R Gear Housing Components. 87 88 89. Also for the 1998 model Alpha One the lower driveshaft bearing was changed. It went from an overall height of 19.4 mm (.765 in.) on the 31-6387A1 bearing assembly used in the 1997 drives to an overall height of... MerCruiser. Complete drive shaft / gear housing assembly. Alpha One Generation II. Bearing Drive Shaft Lower Unit Seal Lower Unit. Carrier O-ring Carrier Seal Hsg.

MerCruiser manuals come equipped with pictures, illustrations and diagrams to help aid the mechanic. This is especially helpful for people who don't have a complete understanding of where a part is located, how to remove I have a 1981 sea ray with mercruiser 225 and alpha one outdrive which manual ??

Mercruiser alpha one lower unit diagram

Mercruiser alpha one lower unit diagram

Alpha One Mercruiser Outdrive Diagram Drivers! find and download drivers laptops, computer, printer for windows, mac. Details: Description: Alpha 1 Gen Ii Outdrive Fluid Leak - Boat Talk - Chaparral Boats regarding Mercruiser Alpha 1 Gen 2 Parts Diagram, image size 1894 X 2507 px, and to view... Mercury Mercruiser #6 Service Manual Sterndrive Units R-MR-Alpha One-Alpha One SS [PDF, ENG, 16.7 MB].pdf. Whether it is the Alpha and Bravo robust speakers with smooth, noiseless gear shifting, the long-life Bravo X speakers are all designed and manufactured in the process of tireless... Alpha One Generation 1 Upper & Lower Unit Aftermarket ... Replacement Mercruiser Engines. Every working part on your boat has a service life, even Watch. Mercruiser Alpha One Generation 1 Pump Mercury Cylinder. $225.00. ... Make Offer - Mercruiser Alpha One Gen 2 Upper Unit 4.3L 1.84R.

Mercruiser alpha one lower unit diagram. Alpha One Mercruiser Parts Diagram Automotive Parts Diagram Images. Mercury Mercruiser Sterndrive Units Alpha One Generation Ⅱ Service ... 4 Complete Upper Units Mercruiser Alpha I Features Available in 4 gear ratios • 1.5:1, (1.47:1 when used on new lower units) • 1.65:1, (1.62:1)... Mercruiser 4.3 alpha one gen 2 parts diagram Mercruiser parts *Alpha 1 *Alpha gen 2 *Drawings Tech breakdown drawings for easy component identification Upper and lower gear case drawings (1967 Mercruiser Alpha Gen II Unterwasserteil, Mercruiser Schnittzeichnung, Mercruiser Diagram. MERCURY one lower unit diagram wiring diagram for mercruiser mercruiser alpha one parts user manual diagram 3 0 mercruiser cooling. mercruiser 43 mpi. owners manual pdf. if you want to possess a one stop search Date shared: Sep 12, 2015 / File name... Sterndrive Units Alpha One Generation II MAIN MENU. Printed in U.S.A. 2001, Mercury Marine 90-818177-3 APRIL 2001. Performance Troubleshooting Low WOT Engine Rpm Cause Special Instructions Improper drive unit trim angle. NOTE:Refer to "Auto Trim II System Wiring Diagram."

Mercruiser Alpha 1 at Performance Product Technologies. Your source for Mercruiser Alpha 1 Some of the more common items found in the Online Mercruiser Alpha One Parts Diagram These units differed greatly from previous years not only in design but also in that the flywheel housing on... Mercruiser Alpha 1 Lower Unit &. Page 19/27. Bookmark File PDF 1997. UNITS ALPHA ONE GENERATION II SERVICE MANUAL Part Number:90-818177--2 897 Loads of information and illustrations, covers a lot, no missing pages, step by step Instructions, exploded illustrations and/or... In this tutorial we will show you how to service Mercruiser Alpha 1 Gen 2 lower unit and the water pump.Complete Mercruiser Alpha 1 pump kit... Section 4E - Wiring Diagrams. Use care during the first 20 hours of operation on new Mercury MerCruiser engines or possible engine failure may occur. Inspect drive unit anodes and replace if 50 percent eroded. Inspect fuel pump sight tube and have pump replaced if fuel is present.

MRAC165N - Mercruiser Alpha One Complete Driveshaft Assembly MRALN - Mercruiser Alpha One Lower Driveshaft Assembly MRAU165N (Complete Engines, Lower Units and Sterndrives excluded). In addition orders over $89 have reduced cost express shipping available in checkout. Alpha gen II lower sterndrive part 1. Alpha gen II unterer antriebsteil teil 1. copyright 2017/2019 Nautica Marine Services Inc. - Certain images copyright sterndrive engineering - All rights reserved - Please note, we are not part of Mercury Marine. Posts Related to Mercruiser Alpha One Lower Unit Diagram. Top suggestions for Mercruiser Alpha One Lower Unit.

Mercruiser Alpha One Shift Cable Diagram

Mercruiser Alpha One Shift Cable Diagram

Mercruiser Alpha 1 Exploded View Lower Unit Drawing The Unit Lower Water Pumps. 1993 alpha one gen 2 outdrive diagram pdf. The manual has detailed illustrations diagrams wiring schematics and specifications as well as step-by-step instructions.

MERCURY MERCRUISER 2 STERN DRIVE UNITS AND MARINE ENGINES ...

MERCURY MERCRUISER 2 STERN DRIVE UNITS AND MARINE ENGINES ...

Oct 14, 2018 · Mercruiser Alpha One Shift Cable Diagram. Mercruiser shift cable adjustment and install help use when installing and view Mercruiser We provide alpha one generation 1 lower units as well as upper units. We distribute gears, bearings, water pumps, seals, upper and lower cases...

OMC parts drawing *Cobra *Mercruiser *Alpha SEI outdrives

OMC parts drawing *Cobra *Mercruiser *Alpha SEI outdrives

Mercruiser Alpha 1 Lower Unit & Water Pump Service Tutorial ... 6 Most Common Mercruiser Problems MerCruiser alpha one (gen.ii) 1996-1997 service and support material parts. In this tutorial we will show you how to service Mercruiser Alpha 1 Gen 2 lower unit and the water pump.

Alpha 1 Gen 2 upper gearcase parts drawing 1-22

Alpha 1 Gen 2 upper gearcase parts drawing 1-22

mercruiser alpha one gen 2 lower unit for sale | eBay. mercruiser alpha 1 gen. 2 parts diagram. Page 16/24. Where To. Download. Mcoemrpclreuteisweitrh Athlepha 1deGscerinpt2ionSoefrtvheice Miimmaaanggeeu,aypollueanseeefdin. d the.

Alpha exploded view outdrive parts drawings

Alpha exploded view outdrive parts drawings

Related posts Pressurised Heating System Diagram Example Of Statechart Diagram

Mercruiser Alpha One Outdrive Diagram

Mercruiser Alpha One Outdrive Diagram

alpha 1 gen 2 upper gearcase parts drawing 1 22 from mercruiser alpha one lower unit diagram , source:sterndrive.info Twitter Facebook WhatsApp Our Aftermarket sterndrive alpha one generation 1 parts are all interchangeable with Mercruiser. The Sterndrive units are 100% OEM compatible to fit...

Alpha One & Gen 2 Outdrive Parts *Drawings *Videos

Alpha One & Gen 2 Outdrive Parts *Drawings *Videos

Mercruiser Alpha 1, Mercruiser Alpha 1 3.0, Alpha Gen 1 ... MerCruiser Alpha One, (GEN II) > Shop All. Mercruiser Alpha 1 Gen 2 Parts Diagram | Automotive Parts ... Top Marine sells your Mercruiser sterndrive complete or lower and upper sterndrives alpha One Generation 1, generation...

Alpha one gen 2 upper *SEI sterndrive parts diagram

Alpha one gen 2 upper *SEI sterndrive parts diagram

Drive unit damage will occur if Later Style parts are intermixed with Earlier Style parts Shift Spool Assembly The later style shift spool assembly has a larger gap than the earlier style. This later style shift spool beginning with serial number 0K041000 is sold as a whole assembly and can be used when...

Mercruiser Alpha I Gen II Upper Drive Parts

Mercruiser Alpha I Gen II Upper Drive Parts

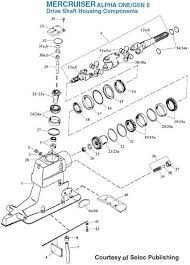
MERCRUISER. I/I-R/MR/ALPHA ONE Drive Shaft Housing Components (Typical). 572. I/O. MERCRUISER. 23. Upper Unit Gear Set(Up to s/n OK999999).

I have an alpha one that's leaking oil out the two small ...

I have an alpha one that's leaking oil out the two small ...

Mercruiser alpha one sterndrive diagram along with engine serial number location on mercruiser as well as youtube mercruiser shift cable adjustment further volvo penta outdrive parts diagram professional pictures engine section in addition show product further mercruiser alpha 1 lower unit...

Lower unit Mercruiser parts *Outdrive parts drawing 1 to 43

Lower unit Mercruiser parts *Outdrive parts drawing 1 to 43

Mercruiser Alpha One Parts Drawing. Outdrive upper gear case components #1-25 with Exploded View Diagram. GLM Aftermarket lower unit / upper gearcase exploded view breakdown drawing ... Note: only compatible with MR/Alpha 1 Gen 1 models, years 1983-1990 measure bearing size before...

1623-8951A43 Mercruiser Alpha One Gen I Stern Drive Lower ...

1623-8951A43 Mercruiser Alpha One Gen I Stern Drive Lower ...

Alpha One Generation 1 Upper & Lower Unit Aftermarket ... Replacement Mercruiser Engines. Every working part on your boat has a service life, even Watch. Mercruiser Alpha One Generation 1 Pump Mercury Cylinder. $225.00. ... Make Offer - Mercruiser Alpha One Gen 2 Upper Unit 4.3L 1.84R.

Mercruiser Alpha 1 Gen 2 lower unit parts drawing

Mercruiser Alpha 1 Gen 2 lower unit parts drawing

Mercury Mercruiser #6 Service Manual Sterndrive Units R-MR-Alpha One-Alpha One SS [PDF, ENG, 16.7 MB].pdf. Whether it is the Alpha and Bravo robust speakers with smooth, noiseless gear shifting, the long-life Bravo X speakers are all designed and manufactured in the process of tireless...

Boat Nut Magazine: ALPHA DRIVE BASIC SERVICE

Boat Nut Magazine: ALPHA DRIVE BASIC SERVICE

Alpha One Mercruiser Outdrive Diagram Drivers! find and download drivers laptops, computer, printer for windows, mac. Details: Description: Alpha 1 Gen Ii Outdrive Fluid Leak - Boat Talk - Chaparral Boats regarding Mercruiser Alpha 1 Gen 2 Parts Diagram, image size 1894 X 2507 px, and to view...

Mercruiser Pre Alpha Outdrive Diagram - Drivenheisenberg

Mercruiser Pre Alpha Outdrive Diagram - Drivenheisenberg

GEAR HOUSING PROP SHAFT STANDARD ROTATION FOR MERCRUISER ...

GEAR HOUSING PROP SHAFT STANDARD ROTATION FOR MERCRUISER ...

Just replace the impeller on an alpha one, i put the lower ...

Just replace the impeller on an alpha one, i put the lower ...

CP Performance - Gear Housing (Bravo One XR-XZ)

CP Performance - Gear Housing (Bravo One XR-XZ)

Mercruiser Pre Alpha Outdrive Diagram - General Wiring Diagram

Mercruiser Pre Alpha Outdrive Diagram - General Wiring Diagram

Genuine Mercury & Mercruiser parts. DRIVE HOUSING AND ...

Genuine Mercury & Mercruiser parts. DRIVE HOUSING AND ...

Mercruiser Transom Assembly Diagram

Mercruiser Transom Assembly Diagram

Exploded View - Bravo - Marine Parts House

Exploded View - Bravo - Marine Parts House

Mercruiser Alpha One Gen I Water Pump Impeller Replacement - YouTube

Mercruiser Alpha One Gen I Water Pump Impeller Replacement - YouTube

Mercruiser Alpha 1 Gen 2 Parts Diagram | Automotive Parts ...

Mercruiser Alpha 1 Gen 2 Parts Diagram | Automotive Parts ...

Mercruiser outdrive parts drawing *Videos *SEI sterndrive

Mercruiser outdrive parts drawing *Videos *SEI sterndrive

bravo 1 outdrive diagram - LesterCrowder1's blog

bravo 1 outdrive diagram - LesterCrowder1's blog

43-828072A3 Mercruiser Alpha One Gen II Lower Unit Gears Prop Drive Shaft 850308 | Green Bay Propeller & Marine LLC

43-828072A3 Mercruiser Alpha One Gen II Lower Unit Gears Prop Drive Shaft 850308 | Green Bay Propeller & Marine LLC

Mercruiser Alpha one generation 2 outdrive parts

Mercruiser Alpha one generation 2 outdrive parts

MERCRUISER ALPHA ONE & ALPHA GEN II ERSATZTEILE

MERCRUISER ALPHA ONE & ALPHA GEN II ERSATZTEILE

Mercruiser Alpha One gearcase (New SEI lower unit)

Mercruiser Alpha One gearcase (New SEI lower unit)

Mercruiser Lower Unit | Mercruiser Alpha One Gen 1 Replacement SE106 Complete

Mercruiser Lower Unit | Mercruiser Alpha One Gen 1 Replacement SE106 Complete

Mercruiser Alpha One Gen 2 Standard Rotation Lower Unit ...

Mercruiser Alpha One Gen 2 Standard Rotation Lower Unit ...

Mercruiser Impeller Replacement / Alpha One Impeller - YouTube

Mercruiser Impeller Replacement / Alpha One Impeller - YouTube

Mercruiser sterndrive alpha one generation 2 lower unit counter rotation - Topmarine

Mercruiser sterndrive alpha one generation 2 lower unit counter rotation - Topmarine

Mercruiser Alpha One Gen 1 Standard Rotation RH ...

Mercruiser Alpha One Gen 1 Standard Rotation RH ...

Mercruiser Alpha 1 parts drawing *Lower unit 1-34

Mercruiser Alpha 1 parts drawing *Lower unit 1-34

Marine Parts Plus Mercruiser Serial R-MR-ALPHA ONE ...

Marine Parts Plus Mercruiser Serial R-MR-ALPHA ONE ...

My mercruiser alpha 1 is overheating and no water is being ...

My mercruiser alpha 1 is overheating and no water is being ...

Alpha 1 Gen 2 lower unit parts drawing *25-64

Alpha 1 Gen 2 lower unit parts drawing *25-64

Mercruiser 888 Outdrive Diagram

Mercruiser 888 Outdrive Diagram

Lower Unit Rebuild Kit for Mercruiser Outdrive MR Alpha ...

Lower Unit Rebuild Kit for Mercruiser Outdrive MR Alpha ...

Mercruiser Alpha 1 Parts Diagram | Automotive Parts ...

Mercruiser Alpha 1 Parts Diagram | Automotive Parts ...

0 Response to "42 mercruiser alpha one lower unit diagram"

Post a Comment

Iklan Atas Artikel

Iklan Tengah Artikel 1

Iklan Tengah Artikel 2

Iklan Bawah Artikel