Iklan 300x250

41 ford headlight switch wiring diagram

1 Apr 2013 — Which wire do I tap into on the headlight switch for this? ... 2003 FORD FOCUS 2.0L SFI DOHC 4CYL REPAIR GUIDE / WIRING DIAGRAMS / CONNECTOR ... Looking for handlebar control switch’s wiring diagram for 06 victory Vegas 8ball #530. Jagdish Patel (Friday, ... My headlight is not working the globe is ok but cannot seem to find the problem my bike is a TGB 2008 #289 . U.J.S.Ranjith (Tuesday, 29 December 2020 13:22) need to find out motorcycle ,scooter wiring diagrams, and fault codes DTC #288. Richard garcia (Monday, 28 …

Super Duty Forum - Headlight switch wiring diagram - Anyone have the wiring diagram for the headlight switch for a 2000 without fogs or autolamps?

Ford headlight switch wiring diagram

Ford headlight switch wiring diagram

22/02/2009 · If you can’t find the actual wiring diagram you need, and you do have a simple voltage meter you should be able to figure it out. Start with the Speakers and where they are located: If you go to the speakers and find out the colour of their wires, that will help when you go to wire up the stereo itself. That really only leaves a few wires under the dash to worry about. … 12-30-10 Meyer Toggle Switch Wiring Diagram. 12-27-10 Meyer E-60 Damage from Freezing Meyer E-47 Damage from freezing. 12-13-10 Some information on Meyer Touchpad wiring. 12-13-10 Some information on Meyer Slik Stik wiring. 11-26-10 Some information on Meyer Power Angle Rams. It's that time of year again. Time to change the fluid in your plow's ... 2 Apr 2016 — does anyone have a COMPLETE headlight switch wiring diagram? everything i find online only shows 2-3 wires in each sub connector, ...Headlight switch wiring diagram - Ford Truck Enthusiasts24 Jun 20021987 Headlamp Switch wiring diagram - Ford Truck Enthusiasts24 Sept 2013wire diagram for 56 headlight switch - Ford Truck Enthusiasts4 Mar 2017Need Headlight/parking lamp Switch Wiring Diagram for 1995 ...21 Jul 2014More results from www.ford-trucks.com

Ford headlight switch wiring diagram. 13 Oct 2007 — Anyone got a wiring diagram handy for a typical 70s Ford headlight switch?? THe "Hot Stuff" Merc uses a 75 Granada headlight switch now, ...48 ford headlight switch HELP | The H.A.M.B. - The Jalopy ...12 Jul 2009Ford Headlight Switch Wiring Help Needed - The Jalopy Journal13 Nov 2011Technical - Headlight switch wiring help!! | The H.A.M.B. - The ...29 Apr 2015Need a good 47 Ford headlight switch diagram. - The Jalopy ...20 Jun 2017More results from www.jalopyjournal.com This EZ to read firing order for the Ford 429 and 460 Big Block engines. It includes distributor rotation and wire locations . Ford 429 and 460 Firing Order I made the FE firing order and forgot the 429 amd 460 (sometimes I call Ford-sixty). In any case it is pretty much the same but here is a page for the Ford 429 and 460 folks. Also remember that the position of the spark plug wires … 27/04/2013 · Solder new pin 11 wire to the left hand side of the switch (top left in the diagram) Solder new wire to pin 3 (should be blank) Solder new pin 3 wire to the left hand side of the switch (bottom left in the diagram) This should complete the wiring modification. Now drill a hole into the plastic moulding (as I have done in my picture below) 17/03/2018 · Examine the Ford wipers wiring diagram below. First, notice thathe wiper speed switch is now called a multi-function switch (MFS). It does not actually switch power to the wiper motor. It just acts a signaling device to tell the Smart Junction Box (SJB) what action you’d like it to take. In this case, the Smart Junction Box performs the same functions as a Body Control …

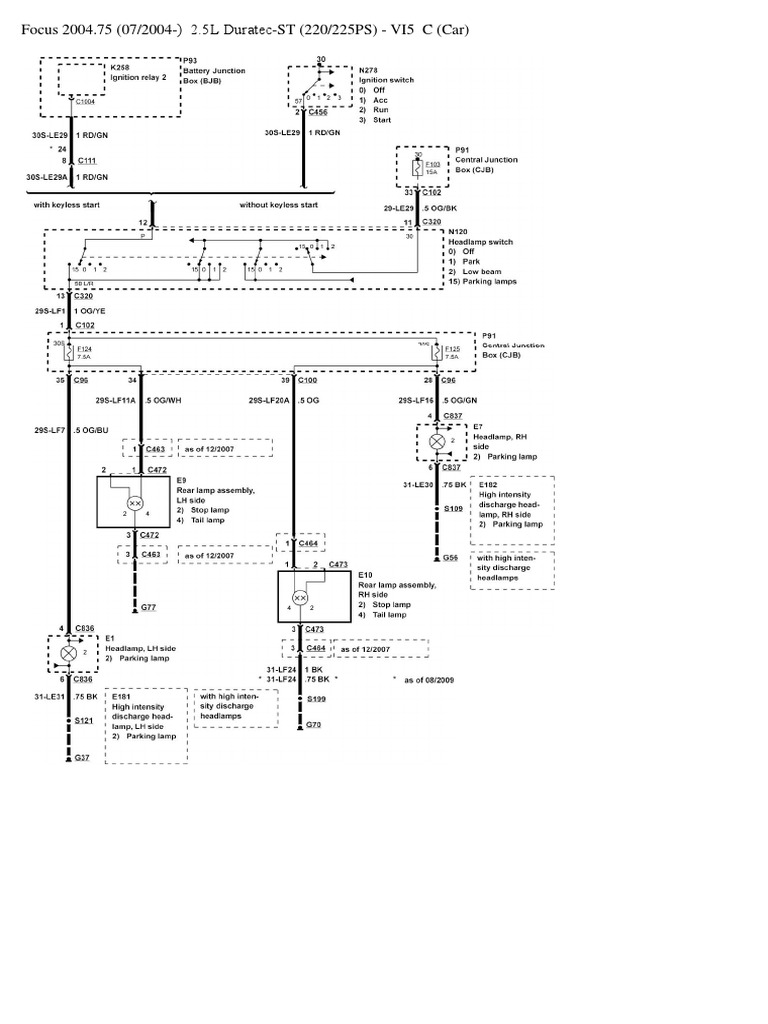
Ford Focus MK2 Headlight Switch Wiring Diagram - Free download as PDF File (.pdf), Text File (.txt) or read online for free. Ford Focus MK2 Headlight Switch ... TOYOTA Avalon, Avensis, Aygo, Camry, Carina 2, Corolla, Corona, FJ40, Hiace, Hilux, Land Cruiser, Prius, RAV4, Supra, Tundra, Yaris - Electrical Wiring Diagrams Pinterest. Log in. Download. Visit. Save. Headlight Switch Wiring Diagram Home Electrical Wiring, Electrical Diagram, 1946 Chevy Truck, Chevy. 2 Apr 2016 — does anyone have a COMPLETE headlight switch wiring diagram? everything i find online only shows 2-3 wires in each sub connector, ...Headlight switch wiring diagram - Ford Truck Enthusiasts24 Jun 20021987 Headlamp Switch wiring diagram - Ford Truck Enthusiasts24 Sept 2013wire diagram for 56 headlight switch - Ford Truck Enthusiasts4 Mar 2017Need Headlight/parking lamp Switch Wiring Diagram for 1995 ...21 Jul 2014More results from www.ford-trucks.com

12-30-10 Meyer Toggle Switch Wiring Diagram. 12-27-10 Meyer E-60 Damage from Freezing Meyer E-47 Damage from freezing. 12-13-10 Some information on Meyer Touchpad wiring. 12-13-10 Some information on Meyer Slik Stik wiring. 11-26-10 Some information on Meyer Power Angle Rams. It's that time of year again. Time to change the fluid in your plow's ... 22/02/2009 · If you can’t find the actual wiring diagram you need, and you do have a simple voltage meter you should be able to figure it out. Start with the Speakers and where they are located: If you go to the speakers and find out the colour of their wires, that will help when you go to wire up the stereo itself. That really only leaves a few wires under the dash to worry about. …

0 Response to "41 ford headlight switch wiring diagram"

Post a Comment

Iklan Atas Artikel

Iklan Tengah Artikel 1

Iklan Tengah Artikel 2

Iklan Bawah Artikel