Iklan 300x250

41 97 dodge ram 1500 radio wiring diagram

1997 Dodge Ram 1500 Wiring Diagram. Collection of 1997 dodge ram 1500 wiring diagram. A wiring diagram is a streamlined standard photographic representation of an electrical circuit. It reveals the parts of the circuit as simplified forms, as well as the power as well as signal connections between the gadgets. A wiring diagram generally offers details… Hi does anybody know how i could get a wiring diagram asap or does anyone know the stereo wiring. i no longer have the clips that go in the ...

2011 Ram 1500 SLT. Engine. Hemi 5.7L. 2004 Dodge Ram 1500 Truck Car Radio Stereo Audio Wiring Diagram. 2004 Dodge Ram 1500 Car Radio Stereo Audio Wiring Diagram. Car Radio Battery Constant 12v+ Wire: Pink. Car Radio Accessory Switched 12v+ Wire: Brown/Red. Car Radio Ground Wire: Black/Dark Green. Car Radio Illumination Wire: Orange/Dark Blue.

97 dodge ram 1500 radio wiring diagram

97 dodge ram 1500 radio wiring diagram

97 Dodge Ram Headlight Switch Wiring Diagram - wiring diagram is a simplified pleasing pictorial representation of an electrical circuit. It shows the components of the circuit as simplified shapes, and the capability and signal contacts amongst the devices. A wiring diagram usually gives suggestion just about the relative position and ... Listed below is the vehicle specific wiring diagram for your car alarm, remote starter or keyless entry installation into your 1997- Dodge Ram .This information outlines the wires location, color and polarity to help you identify the proper connection spots in the vehicle. Electrical short - 1997 dodge ram 1500 5.9l radio cuts out when doors open switch dome light on from ... Wiring diagram color codes.

97 dodge ram 1500 radio wiring diagram. I need wiring diagram for '97 Ram 1500 SLT stereo. Part #P04858556, Issue 1 RAS Black. Has 2 connectors, 1 with 6 pins, - Answered by a verified Dodge Mechanic Whether you want to know how to change your radio in your 2007 Dodge Ram 1500 or figure our why car radio stopped working, a 2007 Dodge Ram 1500 radio wiring diagram can save you a lot of time. Knowing what every wire does in your 2007 Dodge Ram 1500 radio wire harness takes the guess work out of changing your car radio or fixing your car stereo. Dodge Ram Radio Wiring . 1986 dodge ram radio wiring dodge ram door 2012 dodge ram radio wiring diagram for1997 dodge ram radio wiring 2nd gen dodge ram radio wiring 2005 dodge magnum radio wiring 97 dodge ram radio wiring toyota tacoma radio wiring1996 Dodge Ram 1500 Update (radio) . Description comin' soon 1997 dodge ram 1500 radio wiring diagram. Up to 20 cash back I need wiring diagram for 97 Ram 1500 SLT stereo. Diagram 2000 Dodge. Fuse box in passenger compartment. WIRE CODE IDENTIFICATION. Stereo Wiring Diagrams V8 Engine I Need The Color Code For. 1 trick that I use is to print out the same wiring picture off twice.

This simplified ignition system wiring diagram applies to the following vehicles: 5.2L V8 Dodge Ram 1500 Pickup: 1996, 1997. 5.2L V8 Dodge Ram 2500 Pickup: 1996, 1997. This typical circuit diagram includes the following circuits: ignition coil, crankshaft position (CKP) sensor, and camshaft position (CMP) sensor. I need a radio wiring diagram for a 98 dodge ram p/u 1500 I think there should 2 live wires to it & I only have one - Answered by a verified Dodge Mechanic ... I am wanting to swap a 98 dodge 1500 ram transmission to a 97 dodge 1500 transmission, but the electrical plugs that go to the 97 are different then the 98's. 2001 Dodge Ram 1500 Radio Wiring Diagram - 2001 dodge ram 1500 infinity sound system wiring diagram, 2001 dodge ram 1500 radio wiring diagram, Every electric arrangement consists of various diverse pieces. Each part should be placed and connected with different parts in particular way. If not, the structure won't function as it should be. Totally Free Dodge Wiring Diagrams!

1995-97 Dodge Ram Pickup Stereo Wiring ... If you do not find the vehicle information you're looking for here, please post your request here. We will NOT respond ... Ram Truck - 1500/2500/3500. 1997 to 2000 - Radio Installation. If You Cannot See This PDF File You Can View This Document Directly In Acrobat Reader ... Fig. 1998 Ram 3.9L/5.2L/5.9L (Except Heavy Duty) Engine Schematic Access our Chrysler Full-Size Trucks 1997-2000 Wiring Diagrams Repair Guide by creating an account or signing into your AutoZone Rewards account. 97 Dodge Ram Radio Wiring Diagram from schematron.org Effectively read a electrical wiring diagram, one offers to find out how the particular components in the program operate. For instance , if a module will be powered up and it sends out the signal of half the voltage and the technician does not know this, he'd think he provides an issue, as ...

2016 ford fusion speaker wire colors

2016 ford fusion speaker wire colors

diagram 2003 dodge ram 2500 engine wire diagrams full. 2003 dodge ram 1500 truck car radio stereo audio wiring whether your an expert dodge electronics installer or a novice dodge enthusiast with a 2003 dodge ram 1500 a dodge car stereo wiring diagram can save yourself a lot of time one of the most time consuming tasks with installing an after market car stereo car radio car speakers car ...

1998 Dodge Ram 1500 Wiring Diagram - 97 Dodge Ram Ac ...

1998 Dodge Ram 1500 Wiring Diagram - 97 Dodge Ram Ac ...

97 Dodge Ram Headlight Switch Wiring Diagram from www.jimsautoparts.com. To properly read a cabling diagram, one offers to find out how the particular components inside the system operate. For instance , in case a module is usually powered up and it also sends out the signal of fifty percent the voltage in addition to the technician does not ...

97 Dodge Ram 1500 Transmission Wiring Diagram - Wiring ...

97 Dodge Ram 1500 Transmission Wiring Diagram - Wiring ...

How to install a radio in a 1999 Dodge Ram 1500 and other similar models. Skipping the wiring harness and slicing the wires.

97 Dodge Ram Wiring Diagram - Wiring Diagram Networks

97 Dodge Ram Wiring Diagram - Wiring Diagram Networks

Ram 1500 Laramie SLT / ST 3.7L V6 MPI Where are. if you cant find them , maybe you should not be attempting to change them. its tough, but they are there, up on top. Audio wiring color schematic for a 97 dodge Laramie. I got a color schematic for 97 dodge 1500 but the Laramie came with an upgraded sound system.

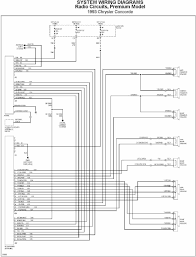
Chrysler Infinity Stereo Wiring Diagram - Wiring Diagram

Chrysler Infinity Stereo Wiring Diagram - Wiring Diagram

97 dodge ram wiring diagram. Whether your an expert hyundai electronics installer or a novice hyundai enthusiast with a 1997 dodge ram 1500 truck a car stereo wiring diagram can save yourself a lot of time. Many thanks for visiting at this website. Please verify all wire colors and diagrams before applying any information.

'94-'01 Dodge Ram 1500, 2500, 3500 Fuse Diagram

'94-'01 Dodge Ram 1500, 2500, 3500 Fuse Diagram

1997 dodge ram 1500 wiring diagram. I need a wiring diagram for the plug going into the brake switch at the pedal. 5 2l v8 dodge ram 2500 pickup. Listed below is the vehicle specific wiring diagram for your car alarm remote starter or keyless entry installation into your 1997 dodge ram this information outlines the wires location color and ...

97 Dodge Ram Radio Wiring Diagram : 20 Inspirational 2004 ...

97 Dodge Ram Radio Wiring Diagram : 20 Inspirational 2004 ...

How To Check Power At Fuel Pump Dodgetalk Forum. Fuel pump circuit wiring diagram 1994 electrical connection the lines and to 1992 relay dodge ram 1500 5 2l 1997 system diy or gauge trouble 1995 97 it cranks won t pressure i am ignition 1996 v8 two wheel chrysler full size trucks 2000 new 2011 how check power at fuse box van 1998 1999 94 01 2500 3500 mins engine shut off valve 9 line issue ...

wiring diagram 1997 dodge truck,truck - Style Guru ...

wiring diagram 1997 dodge truck,truck - Style Guru ...

Author: Ryan Published Date: July 6, 2021 Comments: Leave a Comment on 97 Dodge Cummins Wiring Diagram. 48re Throttle Valve Actuator Wiring Diagram In 2021 Diagram Chrysler Wire. Cool Radio Wiring Diagram For 1998 Dodge Dakota Images Best 2008 Ram Stereo In 1998 Dodge Ram Wiring Diagram 2001 Dodge Ram 1500 Dodge Ram Dodge Ram 1500.

2001 dodge ram 1500 radio wireing color codes - Fixya

2001 dodge ram 1500 radio wireing color codes - Fixya

Fuse box in passenger compartment. fuse box location (junction block). The fuse block is located on the extreme left side of the instrument panel. For access, open the driver's door to its full open position. Remove the fuse access cover. fuse box diagram (1996-1997). junction block fuse identification (1996-1997). Fuse (Amp) Application.

97 Dodge Ram Radio Wiring Diagram / Diagram 97 Dodge Ram ...

97 Dodge Ram Radio Wiring Diagram / Diagram 97 Dodge Ram ...

97 Dodge Ram 1500 Radio Wiring Diagram from diagramweb.net. Print the wiring diagram off plus use highlighters to trace the signal. When you make use of your finger or perhaps the actual circuit with your eyes, it is easy to mistrace the circuit. 1 trick that We 2 to printing a similar wiring plan off twice.

Wiring Diagram 97 Dodge Pickup Pictures - Wiring Diagram ...

Wiring Diagram 97 Dodge Pickup Pictures - Wiring Diagram ...

Marvellous 1998 Dodge Ram 1500 Radio Wiring Diagram Gallery Best Ripping 1996 Stereo On Dodge Ram Radio Wiring Diagram - Wiring Diagram ...

1997 Dodge Ram 1500 Wiring Diagram - Hanenhuusholli

1997 Dodge Ram 1500 Wiring Diagram - Hanenhuusholli

Aug 25, 2020 - 1997 Dodge Ram Wiring Diagram . Unique 1997 Dodge Ram Wiring Diagram . 1997 Dodge Ram 1500 Transmission Wiring Diagram Inspirationa Stereo.

97 Dodge Ram 1500 2wd Stereo Wiring Diagram - Wiring ...

97 Dodge Ram 1500 2wd Stereo Wiring Diagram - Wiring ...

1997 Dodge Ram 1500 Truck. December 1st, 2015 Posted in Dodge Ram 1500 Truck. 1997 Dodge Ram 1500 Truck Stereo Wiring Information. Radio Constant 12v+ Wire: Red ... The stereo wiring diagram listed above is provided "as is" without any kind of warranty. Use of the information above is at your own risk. Leave a Reply. Name (required)

97 Dodge Ram 1500 Radio Wiring Diagram / 1997 Dodge Truck ...

97 Dodge Ram 1500 Radio Wiring Diagram / 1997 Dodge Truck ...

Wiring Diagrams For Dodge Ram 1500 from www.untpikapps.com. Print the wiring diagram off plus use highlighters to trace the signal. When you make use of your finger or perhaps the actual circuit with your eyes, it is easy to mistrace the circuit. 1 trick that We 2 to printing a similar wiring plan off twice.

Radio Wiring Diagrams Please?: I Have a White Wire with Orange ...

Radio Wiring Diagrams Please?: I Have a White Wire with Orange ...

Well, the 97 I just got didn't have any headunit in it at all but all the ... 1997 Dodge Ram 1500 Truck Car Stereo Radio Wiring Diagram

1998 Dodge Ram 2500 Speaker Wiring Diagram - Wiring ...

1998 Dodge Ram 2500 Speaker Wiring Diagram - Wiring ...

97 Dodge Ram Wiring Diagrams | Wiring Library - 1997 Dodge Ram Trailer Wiring Diagram by Bismillah First, understanding the diagram of wires for trailer will be useful during troubleshooting. When issues occur with the trailer, motorist might wish to know where the problem place is located.

48re throttle valve actuator wiring diagram in 2021 | Chrysler, Jeep grand cherokee, Jeep grand cherokee laredo

48re throttle valve actuator wiring diagram in 2021 | Chrysler, Jeep grand cherokee, Jeep grand cherokee laredo

For example, a 30-amp circuit need to have the right-gauge wiring to be able to prevent fire threat. See also 2005 Dodge Ram 1500 Fuel Pump Wiring Diagram Pics. 4. Grounding Wires. Grounding provides the safe path with regard to extra electric energy to be able to pass in circumstance of a problem or any other issue.

97 Dodge Ram Radio Wiring Diagram Collection

97 Dodge Ram Radio Wiring Diagram Collection

97 Dodge Ram 1500 It Cranks Won T Start Coil Fuel Pump. Engine Wiring Could You Find A Harness Diagram For Dodge. 1996 1998 Map Sensor Circuit Diagram Dodge 3 9l 5 2l. Replacement Radio Wiring Harness For 1997 Dodge Ram 1500 St Standard Cab Pickup 2 Door 3 9l Car Stereo Connector Com. 1997 And 1999 Dodge Ram Mirror Wiring Diagram Dodgetalk ...

Stereo Install Dash Kit Dodge Ram Pickup 94 95 96 97 (car ...

Stereo Install Dash Kit Dodge Ram Pickup 94 95 96 97 (car ...

Electrical short - 1997 dodge ram 1500 5.9l radio cuts out when doors open switch dome light on from ... Wiring diagram color codes.

97 Dodge Ram Radio Wiring Diagram - Amazon Com Replacement ...

97 Dodge Ram Radio Wiring Diagram - Amazon Com Replacement ...

Listed below is the vehicle specific wiring diagram for your car alarm, remote starter or keyless entry installation into your 1997- Dodge Ram .This information outlines the wires location, color and polarity to help you identify the proper connection spots in the vehicle.

2001 Dodge Ram 2500 Radio Wiring Diagram | Free Wiring Diagram

2001 Dodge Ram 2500 Radio Wiring Diagram | Free Wiring Diagram

97 Dodge Ram Headlight Switch Wiring Diagram - wiring diagram is a simplified pleasing pictorial representation of an electrical circuit. It shows the components of the circuit as simplified shapes, and the capability and signal contacts amongst the devices. A wiring diagram usually gives suggestion just about the relative position and ...

Dodge Ram Pickup 1500 2002-2005 Factory to Aftermarket Radio Harness Adapter - Walmart.com

Dodge Ram Pickup 1500 2002-2005 Factory to Aftermarket Radio Harness Adapter - Walmart.com

2003 dodge ram 3500 diesel wiring diagram

2003 dodge ram 3500 diesel wiring diagram

97 Dodge Ram 1500 Radio Wiring Diagram / Wiring Harnes ...

97 Dodge Ram 1500 Radio Wiring Diagram / Wiring Harnes ...

97 International 4700 Fuse Diagram - Wiring Diagram Networks

97 International 4700 Fuse Diagram - Wiring Diagram Networks

34 Dodge Cummins Alternator Wiring Diagram - Wiring ...

34 Dodge Cummins Alternator Wiring Diagram - Wiring ...

94-97 DODGE RAM DOUBLE DIN CAR RADIO STEREO INSTALLATION ...

94-97 DODGE RAM DOUBLE DIN CAR RADIO STEREO INSTALLATION ...

I need wiring diagram for '97 Ram 1500 SLT stereo. Part # ...

I need wiring diagram for '97 Ram 1500 SLT stereo. Part # ...

97 Dodge Ram 1500 Headlight Wiring Diagram - Wiring ...

97 Dodge Ram 1500 Headlight Wiring Diagram - Wiring ...

1997 Sebring Radio Wiring Diagram - Cars Wiring Diagram Blog

1997 Sebring Radio Wiring Diagram - Cars Wiring Diagram Blog

Unique 97 Jeep Grand Cherokee Headlight Wiring Diagram ...

Unique 97 Jeep Grand Cherokee Headlight Wiring Diagram ...

Factory speaker wiring color code help needed | Dodge RamCharger Central

Factory speaker wiring color code help needed | Dodge RamCharger Central

2001 Dodge Ram 1500 Radio Wiring Diagram | Wiring Diagram

2001 Dodge Ram 1500 Radio Wiring Diagram | Wiring Diagram

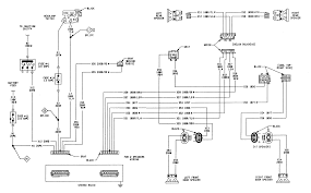
97 Dodge Ram 1500 Radio Wiring Diagram

97 Dodge Ram 1500 Radio Wiring Diagram

Dodge Ram 1500 Wiring Diagram - Wiring Diagram And ...

Dodge Ram 1500 Wiring Diagram - Wiring Diagram And ...

Dodge Ram 1500 Wiring Diagram - Wiring Schema Collection

Dodge Ram 1500 Wiring Diagram - Wiring Schema Collection

99 Dodge Trailer Wiring - Wiring Diagram Networks

99 Dodge Trailer Wiring - Wiring Diagram Networks

I purchase a 97 Dodge Ram 2500 wagon used. The problem is ...

I purchase a 97 Dodge Ram 2500 wagon used. The problem is ...

1997 Dodge Ram 1500 Alternator Wiring Diagram Collection ...

1997 Dodge Ram 1500 Alternator Wiring Diagram Collection ...

97 Dodge Ram Infinity Wiring Diagram / Dodge Dakota Stereo ...

97 Dodge Ram Infinity Wiring Diagram / Dodge Dakota Stereo ...

{Wiring Diagrams} 1997 Dodge Ram 1500 Spark Plug Wire Diagram

{Wiring Diagrams} 1997 Dodge Ram 1500 Spark Plug Wire Diagram

0 Response to "41 97 dodge ram 1500 radio wiring diagram"

Post a Comment

Iklan Atas Artikel

Iklan Tengah Artikel 1

Iklan Tengah Artikel 2

Iklan Bawah Artikel