45 stihl hs56c parts diagram
HS 46, HS 46 C, HS 56 C. English. 1. This instruction manual is protected ... Contact your STIHL dealer or the STIHL ... Emission Warranty Parts List (see.76 pages Parts; Stihl; Stihl Spares, Parts & Accessories. If you are looking for genuine Stihl spares, parts and accessories, look no further. We have a huge range available. If you don’t know the manufacturer's part number, don't worry, we can help you try to find it using our interactive machine diagrams. Stihl Parts By Machine Find Yours +
STIHL recommends using only STIHL replacement parts for the repair and maintenance of your STIHL equipment. We want every STIHL owner to have the best product performance possible, so if you are in need of STIHL repair or equipment maintenance, contact your local authorized full-line STIHL servicing Dealer .

Stihl hs56c parts diagram
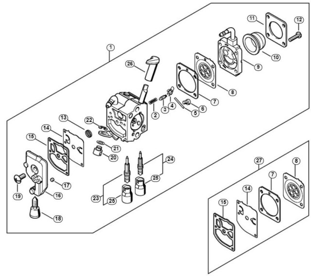
Stihl hs56c hedge trimmer parts diagram It's tough to talk about this tool as a “pruning” tool because hedge shears are not used for the type of work that we typically think of as pruning. In the right very few circumstances, hedge shears are a must-have or a convenience. But when used in the wrong situations and the wrong hands, the things are If you are still having trouble, try using the search at the top of the page, or get help identifying the correct part using our interactive diagrams. Stihl ... Stihl HS56 Hedge trimmer Parts · Stihl HS56C-E Av System & Throttle Control Parts · Stihl HS56C-E Carburettor Parts · Stihl HS56C-E Crankcase, Cylinder & Clutch ...
Stihl hs56c parts diagram. 16 Best Fs 85 Images Stihl 85th Diagram. Stihl Fs 110 Brushcutter Fs110rx Parts Diagram Gear Head. Stihl Fs 85 Parts Diagram 36 Wiring And Fuse Box Within 80. Vn 1907 Stihl Hs 80 Parts Diagram Wiring. Stihl Fs 38 Brushcutter Fs382 Mix Parts Diagram Carburetor C1q. Stihl Trimmer And Brushcutter Common Features Usa. 6:16My Stihl hedge trimmer blades bound up and wouldn't stroke. I couldn't find any debris causing the problem ...18 Dec 2018 · Uploaded by MasterJacks Stihl HS56C-E Carburettor Parts - Screw. HGR1590. £5.85 . Stihl HS81R Handle & Fuel Tank Parts - Tank Vent. HGR0378. £3.68 . Stihl Carburettor Fuel Strainer - OEM 1120 121 7800. HGR0401. £3.67 . Stihl Carburettor Inlet Control Lever - OEM 1125 121 5000 ... Please use the box above to search for any other information. Similar Questions. Need Illustrated Parts Breakdown Manual For This Hedge Trimmer. Stihl Hs 56
From £ See options · Stihl HS56C-E Handle Housing & Fuel Tank Parts. 12 products.Stihl FC 56 C Edger (FC 56 C) Parts Diagram Select a page from the Stihl FC 56 C Edger diagram to view the parts list and exploded view diagram. Stihl String Trimmer Model FS 56 (FS56) Parts - Shop online or call Fast shipping. Open 7 days a week. day return policy. Genuine and Aftermarket Spares for Stihl HS46, HS56 Hedge Trimmers, Parts in Stock ready for Next Day Delivery Shop by diagram Stihl HS46 Hedge Trimmer Air Filter Assembly 23.10.2018 23.10.2018 0 Comments on Stihl Hs56c Parts Diagram Find genuine spare parts for Stihl chainsaws and garden tools online from HL 45, HS 46, HS 46 C, HS 56 C, HS 72, HS 74, HS 76, HS 72, HS 74, HS Your cart: £ (0) · Customer Account · My Wishlist · Login · Login. Stihl HT 56C Pole Pruner (HT56C) Parts Diagram Select a page from the Stihl HT 56C Pole Pruner diagram to view the parts list and exploded view diagram. All parts that fit a HT 56C Pole Pruner . Pages in this diagram. Air Filter. Angle Drive. Carburetor C1M-S145B. Crankcase. Drive Tube Assembly. Engine housing. Gear Head.
Stihl HS56 Hedge trimmer Parts · Stihl HS56C-E Av System & Throttle Control Parts · Stihl HS56C-E Carburettor Parts · Stihl HS56C-E Crankcase, Cylinder & Clutch ... If you are still having trouble, try using the search at the top of the page, or get help identifying the correct part using our interactive diagrams. Stihl ... Stihl hs56c hedge trimmer parts diagram It's tough to talk about this tool as a “pruning” tool because hedge shears are not used for the type of work that we typically think of as pruning. In the right very few circumstances, hedge shears are a must-have or a convenience. But when used in the wrong situations and the wrong hands, the things are

Stihl Hs46 Hs56 Parts Stihl Hs Petrol Hedge Trimmers Stihl Hedge Trimmer Parts Hedge Trimmer Parts Garden Forestry Parts Plant Spares L S Engineers

1pcs Tank Cap For Stihl Fc70 Fc70c Fs40 Fs40c Ms261 Fs70r Fs70rc Fuel Tank Cap Attachment Parts Accessories High Quality Tool Parts Aliexpress

Stihl Fan Housing Outer Br500 Br550 4282 701 0700 By Stihl Parts And Attachments Garden Equipment Review Uk

Engine Management Adjusting The Carburetor Hedge Trimmers Stihl Hs 56 C E Instruction Manual Page 18

Stihl Hs46 Hs56 Parts Stihl Hs Petrol Hedge Trimmers Stihl Hedge Trimmer Parts Hedge Trimmer Parts Garden Forestry Parts Plant Spares L S Engineers

Stihl Hs46 Hs56 Parts Stihl Hs Petrol Hedge Trimmers Stihl Hedge Trimmer Parts Hedge Trimmer Parts Garden Forestry Parts Plant Spares L S Engineers

Stihl Hs46 Hs56 Parts Stihl Hs Petrol Hedge Trimmers Stihl Hedge Trimmer Parts Hedge Trimmer Parts Garden Forestry Parts Plant Spares L S Engineers
0 Response to "45 stihl hs56c parts diagram"
Post a Comment