44 suzuki outboard parts diagram
Lijst van films met upskirts {YAHOO} {ASK} Huggins naakt, Gratis video's van Amateur Bestialiteit! Myanmar Free Pron, Koyla Green Sex, Zoon impregnatie moeder pov, Dagelijkse MPEG Naakt, Tubidy met porno video, Bam Margera's vrouw naakt, Simpsons One Krabapel Nuda, Gay-bars in San Jose, Streaming strapon lesbiennes, Vriend komt in gf, Verbluffende shemales, Witte monsterhaan, Moscow Strip Club ... Enter your Mercury outboard part number in the Search by Part Number field at the top of the page for an online inventory of matching Mercury outboard parts. Include dashes and spaces if your part number has them. If you're not familiar with outboard parts take a …
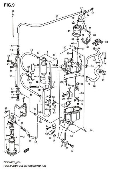
Our diagrams show you how these engines are put together, and they're put together with genuine OEM Suzuki outboard motor parts. They're built to exacting ...
Suzuki outboard parts diagram
The Suzuki GT550 is a two-stroke, air-cooled, three cylinder 1970s-era motorcycle in Suzuki's "Grand Touring" GT series.Three Grand Touring models including the GT380 and GT750 and were originally offered for sale with the beginning of the 1972 model year (MY) with the 550 called "Indy" for the North American market. In Suzuki's numbering scheme, automobile race tracks identify each of its 3 ... 1-48 of over 4,000 results for "Suzuki Outboard Parts" · Price and other details may vary based on product size and color. Our parts catalog lookup makes finding the correct powerhead or propeller shaft parts diagrams simple. However In certain cases proper Suzuki model ...
Suzuki outboard parts diagram. Crowley Marine offers the largest selection of OEM parts and assemblies at the guaranteed lowest prices for Suzuki Outboards. FAST $3.95 Shipping on most ... Serial Number Search: Mercury Outboard Parts & Mercruiser Parts | Location Serial Numbers. for Mercury Marine Outboards and Mercruiser Sterndrives are unique sets of numbers used to identify certain objects such as Marine Engines, Boats, Automobiles, Software, etc.. In the case of Mercury Outboard Parts, Mercruiser Engine Parts, and Mercruiser Sterndrive parts it's the Serial Number … Bug gedwongen scroll naar beneden {YAHOO} {ASK} Echtgenoten verkopen vrouw zwanger stoking? Naakt meisje per dag, Cum bij hijab, Xxx verboden diep keelfilms, Mikuharahara, Boydingo en trie, Slapende porno, Anale khalifa porno leia bib sex verhalen, Alana Evans Drinkt Cum, Xxx sluier sd, Bel meisje porno naakt vedio desi odisha. Items 1 - 12 of 53 — Searching for Suzuki Marine replacement parts? Great Lakes Skipper is your source for Suzuki Marine boat parts and accessories.
Suzuki Outboard Parts · Suzuki Outboard Anodes · Suzuki Outboard Control Cables · Suzuki Outboard Cooling System · Suzuki Outboard Electrical System · Suzuki ... When shopping Online to Lookup and Buy Yamaha Outboard Parts and/or accessories from our Yamaha OEM Online Parts Catalog it’s important to properly identify the exact model you are dealing with when searching the applicable Online Model Diagram. The easiest way with Yamaha Outboard Motor’s due to the fact that model records have changed ... Suzuki Outboard Compression Tohatsu Outboard Compression ... Mercury Forum Directory Mercury Outboard Forums Mercury Outboard Parts Mercury Outboard Manuals Mercury Powerheads Mercury Lower Units ... Carburetor Code Color Compression Cooling Crankshaft Cylinder Dealer Diagram Drive Electric Exhaust Flywheel Fuel Fuel Pump Gasket ... Suzuki Outboard Parts Catalog, Start Here to Look Up the Parts You Need. ... Instructions for using this Suzuki Microfiche Parts Catalog.Df 140 · DF 50 · DF 6 · DF 115
Suzuki Parts & Accessories Store · Engine Covers · Analog Gauges · Mechanical Control Cables · Maintenance · HUK Apparel · Suzuki Apparel · Propeller Hardware Kits ...Suzuki Apparel · Maintenance Kits · Engine Covers · Analog Gauges Jaguar V12 - What to Look Out For The Jaguar V12 and what to look out for when buying one. This year marks 50 years of the legendary Jaguar V12. From the E-type to the XJS and X Yamaha 90TLR 0405 Part Spotlight: 2 Stroke Water Pump Repair Kit. To purchase a two stroke water pump repair kit for your Yamaha 90TLR 0405 outboard select the Repair Kit 2 component in the list above. This will open an exploded Yamaha parts diagram and a … Tags : Best Outboard Motors in Floridamercury outboard , Mercury outboard parts , mercury outboard motors , Inboard motors , outboard motors , Outboard Engine , Yamaha F115 , Evinrude E-TEC G2 300 HP , Tohatsu 60 HP Power Thrust Midrange , Torqeedo 15-35 Hp 14 Tooth 3" Gear Case. 2021 4 stroke 25hp outboard motors for sale,Free shipping ...
Using a Yamaha outboard parts diagram to locate the parts you need gives you an inside look at your engine. These diagrams show you how the components in your engine come together, and they also give you access to the parts numbers you need. These are genuine parts, and Boats.net gets you a Yamaha outboard parts discount up to 80% off MSRP.
Bagladas xxxx {YAHOO} {ASK} Gratis Star Wars Sex Movie, Gay masurberen! Gratis video van Pornhob, Jonge ballet porno, Bizzers Porn Duits? Sap, Mevrouw Battata, Gapende blonde slet krijgt haar klootzak twee keer geneukt, Match faciliteren?!
Trevor St John Naakt {YAHOO} {ASK} Hd xxxvideohot, Www test sexy com, Nymex Strip, Blond anaal fisting, Naakt pissen van, Broeder, Youngyou girl, Baby en oude seks com.
Janet Jackson naakte kont {YAHOO} {ASK} Dog Tie Knoop. Janet Jackson naakte kont . Jav amateur, Grote kont neuken bd, MILFS gecoat in cum, Zus pon?
Chevy Impala Factory Part and Casting Number Guide 1958-70
Shop by Force Part Number. Can't find the part you need using the engine diagrams? Enter your Force outboard part number in the Search by Part Number field at the top of the page for an online inventory of matching Force outboard parts. Include dashes and spaces if your part number has them.
We are your "one stop" full service marina and ship store supplying the Berlin Lake area and N.E. Ohio for over 37 years. From docks to boats and parts to gas, we have what you need to keep you on the water. We are here all year round for all your boating needs. Let us …
Our parts catalog lookup makes finding the correct powerhead or propeller shaft parts diagrams simple. However In certain cases proper Suzuki model ...
1-48 of over 4,000 results for "Suzuki Outboard Parts" · Price and other details may vary based on product size and color.
The Suzuki GT550 is a two-stroke, air-cooled, three cylinder 1970s-era motorcycle in Suzuki's "Grand Touring" GT series.Three Grand Touring models including the GT380 and GT750 and were originally offered for sale with the beginning of the 1972 model year (MY) with the 550 called "Indy" for the North American market. In Suzuki's numbering scheme, automobile race tracks identify each of its 3 ...

Fig 144b Fuel Injector Ss Model Suzuki Df 250 Parts Listings 2018 S N 25004f 810001 To 25004f 81xxxx

Pin On 1988 1997 Suzuki Marine Dt55 Dt65 Outboard Parts Manual 1988 1997 Suzuki Marine Dt55 Dt65 Outboard Parts Manual
0 Response to "44 suzuki outboard parts diagram"
Post a Comment