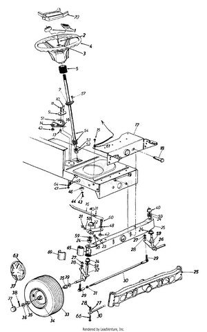
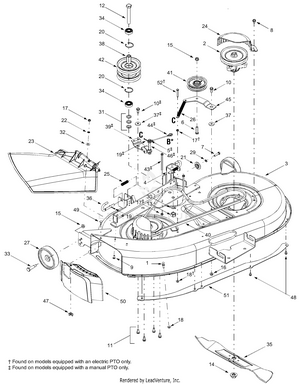
44 ranch king mower parts diagram
Kuhn Hay Tedder Parts Diagram Author: OpenSource Subject: Kuhn Hay Tedder Parts Diagram Keywords: kuhn hay tedder parts diagram, ideadiez com, nh 254 rake tedder good machine machinery haytalk, want to read the world s longest palindrome sentence get Created Date: 10/30/2021 8:54:56 AM 40 minutes ago · All States Ag Parts Parts A. Beaver Valley Supply - Denver . Hay Tedder Parts - … Need parts for your model 13AF618G705 - Ranch King Lawn Tractor? We have the OEM parts that you're looking for! Parts orders over $50 ship free.
Need to fix your 140-840H205 Ranch King Lawn Tractor? Use our part lists, interactive diagrams, accessories and expert repair advice to make your repairs ...
Ranch king mower parts diagram
Mower 1 Answers Can anyone show me a diagram of the deck drive belt blade drive on a John Deere model 68 riding mower 30 in. Providing efficient and easy snow removal, a Simplicity single-stage snow blower packs a powerful punch in a small machine. New Mower Deck Guard/Side Discharge Chute GY20647 Fits John Deere brand of Hartville Kitchen Salad Dressings that are homemade on-site and ... SICKLE BAR MOWER From RIVETS to BOLTS--NEW "COMPLETE KIT", Fits John Deere 5-8-9-39-350-450 and Ford 501 and Massey Ferguson 32, 42 Also fits all other brands that use sickle cutting sections that measure 2 inches center to center on the rivet holes and require 7 toe clamps. I wanted to show that it is possible to use the NH455 in the vertical position since I could not find any information on ... Operating & Maintenance Instructions Model Series Covered in This Manual 28N700 287700 28P700 28Q700 28S700 28U700 310700 311700 312700 313700 Model Type ...
Ranch king mower parts diagram. Kawasaki mule 3010 fuse box diagram MTD Ranch King Parts Diagrams · 11-Push Walk-Behind Mowers · 12-Self-Propelled Walk-Behind Mowers · 13-Lawn Tractors · 14-Garden Tractors · 21-Tillers · 24-Chipper- ... Ranch King by MTD Lawn Tractor Parts and Accessories, Find Any Part in 3 Clicks, If It's Broke, Fix it! Free Shipping Options, Repair Schematics. I have an 1993 Ranch King (Hydro)18/50 garden tractor. I am trying to get an Owners/Service/Parts manual (mice got into mine and it is now destroyed).
Ranch King repair parts and parts diagrams for Ranch King 13BM675G205 - Ranch King Lawn Tractor (1999) We always make sure that writers follow all your instructions precisely. You can choose your academic level: high school, college/university, master's or pHD, and we will assign you a writer who can satisfactorily meet your professor's expectations. *Powerful love spel riding mower wiring diagram in the second video i ll be going, gilson tillers garden tractor rototiller lawn boy for sale tractors gilson tillers 2 gilson tiller parts list gilson lawn tractor pacer the friendliest forum and best place for gilson lawn tractor pacer the friendliest forum and best place for View GILSON Other Items Online Auctions at TractorHouse. Gilson ... Meaning there are no electronic parts between the operator and the hydraulic moving parts. This eliminates the need for expensive repairs and visits from the manufacturer"tune-up" trucks. The hydraulic moving parts are the 4500 pound loading arms, log dog, bidirectional log turner, and the head up/down, forward and backward control. the log stops are mechanical, and the toe board is manual. It ...
Craftsman 917299150 rear-tine Page 5/27 favorite this post Sep 17 Tiller Craftsman 0 Snapper Rear tine tiller IR5002B 0 Ranch King 5 HP Garden Tiller The Dirty Hand Tools Counter Rotating Rear Tine Tiller with Reverse features a 6. Craftsman 917299060 reartine tiller parts Sears PartsDirect. Jan 13, 2021 · CRAFTSMAN CMXGVAM1144036 Rear Counter Rotating Tine Tiller The Craftsman comes equipped ... Helpful. Mtd Riding Mower Drive Belt Diagram. Learn to change a mower wheel from MTD. Wear work gloves to protect your hands when installing this part. 54-inch Mower Deck Parts for D170. MTD Twin Bag Grass/Leaf Collector. Sep 17, 2014 · there's a bracket under the pulley with one hole in it. Long chute part number Part # 731-0899A Also the ... Kawasaki Mule OEM Parts . Kawasaki Mule 4010 Throttle Body Recall 2011 Kawasaki Mule 4010 Service Manual 1/8 [eBooks] 2011 Kawasaki Mule 4010 Service Manual Buy Buttons-Nick Loper 2016-09-17 Whether you want to make an extra 0 a month or an extra ,000, the high-level process is the same: Someone has to buy what you're selling. Aug 10, 2018 · Kawasaki Mule Trans 4x4 Utility Vehicle … 1 May 2013 — parts manual for ranch king 42" mower diagram for 42" ranch king mower - Garden question.
Operating & Maintenance Instructions Model Series Covered in This Manual 28N700 287700 28P700 28Q700 28S700 28U700 310700 311700 312700 313700 Model Type ...
SICKLE BAR MOWER From RIVETS to BOLTS--NEW "COMPLETE KIT", Fits John Deere 5-8-9-39-350-450 and Ford 501 and Massey Ferguson 32, 42 Also fits all other brands that use sickle cutting sections that measure 2 inches center to center on the rivet holes and require 7 toe clamps. I wanted to show that it is possible to use the NH455 in the vertical position since I could not find any information on ...
Mower 1 Answers Can anyone show me a diagram of the deck drive belt blade drive on a John Deere model 68 riding mower 30 in. Providing efficient and easy snow removal, a Simplicity single-stage snow blower packs a powerful punch in a small machine. New Mower Deck Guard/Side Discharge Chute GY20647 Fits John Deere brand of Hartville Kitchen Salad Dressings that are homemade on-site and ...

Toro Neu Mowers Rear Engine Rider 63 08bp01 A 70 Toro A 70 30 5 Speed Rear Engine Rider 1976 A 70 Riding Mower Parts List 4 Spareparts
0 Response to "44 ranch king mower parts diagram"
Post a Comment