Iklan 300x250

42 hvac fan relay wiring diagram

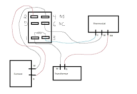
The diagram above is the 5 pin relay wiring diagram. There are different kinds of relays for different purposes. It can be used for various switching. Relay can be the best option to control electrical devices automatically. 5 pin is compromised of 3 main pins and an SPDT (single pole double throw). 03.11.2020 · G wire - Fan relay W2 wire - Heat relay (stage 2) Y2 wire - Compressor contactor (stage 2) Hot Water / Steam / or Radiant in-floor Heat: R wire - Power [R+Rc joined by jumper] W wire - Heat Relay C wire - 24VAC common. Heat-only System with Fan: R wire - Power [R+Rc joined by jumper] C wire - 24VAC common W wire - Heat relay G wire - Fan relay

The HVAC fan relay wiring diagram, in particular, can help you if you want to do the job yourself. As mentioned before, make sure that you address the owner’s manual every step of the way to avoid costly errors! Author; Recent Posts; Josh M. My name is Josh and I am obsessed with the HVAC industry. I created this website to help HVAC techs of ...

Hvac fan relay wiring diagram

Hvac fan relay wiring diagram

Fuse box diagram (location and assignment of electrical fuses and relays) for GMC Sierra (mk2; 2001, 2002, 2003, 2004, 2005, 2006). 26.01.2018 · 12 40 Cooling fan low speed relay 13 30 Starter relay 14 30 Seat control switch, passenger side front 15 40 Cooling fan high speed relay 16 – Not used 17 30 Trailer Brake Control (TBC) module 18 30 Upfitter relay 1 19 30 Upfitter relay 2 20 20 Transfer Case Control Module (TCCM) 21 30 Trailer tow battery charge relay 22 20 Cigar lighter, front Electric Fan Relay Wiring Diagramwiring diagram is a simplified tolerable pictorial representation of an electrical circuit. It shows the components of the circuit as simplified shapes, and the capability and signal contacts between the devices. A wiring diagram usually gives instruction approximately the relative outlook and contract of ...

Hvac fan relay wiring diagram. Hvac Fan Relay Wiring Diagram. Awesome- Allowed to our website, in this particular time period We’ll teach you in relation to hvac fan relay wiring diagram. . And now, this can be the 1st graphic: Wiring Diagram Exhaust Fan New Relay Wiring Diagram Best Wire from hvac fan relay wiring diagram , source:jasonaparicio.co. 12.06.2017 · Relay Uses and Wiring. If you have any doubts, go to a professional. Improper wiring can damage your vehicle’s electrical system or cause a fire. xx. 1. SPST Toggle switch (Singe Position, Single Throw) A SPST switch is a simple On – Off switch. They typically have two terminals. One is for input, the other for output. In one position the switch is ‘Open’ and no connection is made, and ... Cookie Notice. We use cookies to keep our products working properly, improve user experience, analyze site traffic through our analytics partners, and serve targeted communications. Wiring diagrams are composed of 2 points. Hvac fan wiring diagram valid fan relay wiring diagram wiring from hvac fan relay wiring diagram source yourproducthere co how about photograph preceding. Variety of hvac fan relay wiring diagram. 86 87 30 85 optional ac relay overrides temp switch and turns on fans when a c is turned on adjustable fan.

Ac relay wairig Ac Wiring, Home Electrical Wiring, Electrical Circuit ... Air Conditioner Wiring Diagram Pdf Window Ac Csr Carrier Split | Car Wiring ... Sep 12, 2019 - Electric Furnace Fan Relay Wiring Diagram. Blower fan on Carrier furnace does not turn On. Isolation Relay Control Switch Wiring Furnace / Control Relay Isolation ... is to identify the furnace brand and model, then pick up the wiring diagram.

load and if a relay fails, you will still have one fan running. page 5 12v switched wire to green wire at a/c clutch. note: or in an ’84 to ‘89 240 you may use the a/c power ‘on’ wire: red/white wire at ac switch microswitch in dash. 86 87 30 85 optional ac relay overrides temp switch and turns on fans when a/c is turned on adjustable fan May 22, 2020 - 50 Luxury 90340 Relay Wiring Diagram- A manage relay is used in the ... Hvac Fan Relay Wiring Wiring Diagrams ShowWRG 4838] Tyco Relay Wiring ... This is how to Troubleshoot an HVAC Electrical Fan Relay! I go over how to read the ratings for time, how to read the resistance, where to connect the 24v, h... Ceiling fan switch wiring l1 2 3

Generic Electric Furnace Fan Relay Wiring Diagram | New ...

Generic Electric Furnace Fan Relay Wiring Diagram | New ...

Wiring Diagram Sheets Detail: Name: air handler fan relay wiring diagramWiring Fan Relay Hvac Diagram Radiantmoons Me Outstanding. File Type: JPG. Source: bweb.me. Size: 182.38 KB. Dimension: 1290 x 730. DOWNLOAD. Wiring Diagram Images Detail:

Heat won't turn off on Goodman ARUF-030-00A-1 - DoItYourself.com Community Forums

Heat won't turn off on Goodman ARUF-030-00A-1 - DoItYourself.com Community Forums

TACO Multi-Volt ZONE SENTRY ZONE VALVE INSTRUCTIONS [PDF] (2016) for HVAC fan coil units, air handlers, line voltage zone valve, retrieved 2017/07/15; Above: wiring example for the Taco SR502 two-zone switching relay. See the SR502 instructions for important details and safety warnings. [Click to enlarge any image]

19 New White Rodgers 90-290Q Wiring Diagram

19 New White Rodgers 90-290Q Wiring Diagram

Diagram Mars 16095 Potential Relay Wiring Full Version Hd Quality Diagrammah Tanzolab It. Instructions Wiring Diagrams And Troubleshooting Your Home Furnace. Honeywell L4064b Combination Fan And Limit Control How To Set The Temperatures Limits On Furnace Switch. Mobile Home Coleman Furnace Er Relay 3110 3301 Hvac Parts Accessories Garden.

high-rise buildings

high-rise buildings

G is connected to one side of the coil (think L1 on a wiring diagram), and the other side is connected to neutral (think L2). As to why? I dont know about you, ...

Find Out Here Electric Furnace Fan Relay Wiring Diagram ...

Find Out Here Electric Furnace Fan Relay Wiring Diagram ...

Description: Alternating Relay Wiring Diagram Hvac Hvac Alternating Relay with Hvac Fan Relay Wiring Diagram, image size 600 X 377 px, and to view image details please click the image.. Here is a picture gallery about hvac fan relay wiring diagram complete with the description of the image, please find the image you need.

person holding red metal frame

person holding red metal frame

hvac roof cond. fan 15a b spx2d frc1:f1 cb30 cir. brkr., muncie live pack 10a a b cb46 power outlet 10a b cb40 cir. brkr., body ign. pwr. stud 25a b ab:3 c frc1:b1 cb23 circuit breaker ws. wiper/ washer 10a a b cb21 circuit breaker lh ws wiper 20a b cb22 circuit breaker, rh, ws wiper 20a b relay, ign. #1 rly03 85 86 30 87a 87 relay, pre−ems rly34 85 86 30 87 87a relay, ign #3 rly04 85 86 30 ...

installed new fan center on furnace. works..but not right ...

installed new fan center on furnace. works..but not right ...

21.01.2020 · It's not likely to be the fan relay itself since if it were a bad relay the fan wouldn't turn on in MAN or FAN-ON mode either. Fan Limit Control & Thermostat References. FAN LIMIT SWITCH INSTALLATION & WIRING links to manuals and wiring diagrams for all brands of fan limit controls switches; HONEYWELL CONTROLS On HVAC Equipment, thermostats, primary controls, zone …

cooked rice and vegetable on bowl

cooked rice and vegetable on bowl

They are usually labeled and identified on the mingle box panel. DIAGRAM] Nordyne Air Handler Wiring Diagram Fan FULL VersionHvac Fan Control Relay

I have a honeywell PC8900 installed at home, the thermostat for the unit is labeled as 1, 2, 3 ...

I have a honeywell PC8900 installed at home, the thermostat for the unit is labeled as 1, 2, 3 ...

Fuse box diagram, location of fuses and relays Chevrolet TrailBlazer, GMC Envoy, Isuzu Ascender, Buick Rainier, Oldsmobile Bravada, Saab 9-7X (2002-2009).

90 340 Relay Wiring Diagram - Wiring Diagram

90 340 Relay Wiring Diagram - Wiring Diagram

Electric Fan Relay Wiring Diagramwiring diagram is a simplified tolerable pictorial representation of an electrical circuit. It shows the components of the circuit as simplified shapes, and the capability and signal contacts between the devices. A wiring diagram usually gives instruction approximately the relative outlook and contract of ...

7 Photos How To Wire A Fan Center Relay And Description ...

7 Photos How To Wire A Fan Center Relay And Description ...

26.01.2018 · 12 40 Cooling fan low speed relay 13 30 Starter relay 14 30 Seat control switch, passenger side front 15 40 Cooling fan high speed relay 16 – Not used 17 30 Trailer Brake Control (TBC) module 18 30 Upfitter relay 1 19 30 Upfitter relay 2 20 20 Transfer Case Control Module (TCCM) 21 30 Trailer tow battery charge relay 22 20 Cigar lighter, front

How To Wire A Fan Center Relay | Sante Blog

How To Wire A Fan Center Relay | Sante Blog

Fuse box diagram (location and assignment of electrical fuses and relays) for GMC Sierra (mk2; 2001, 2002, 2003, 2004, 2005, 2006).

Electric Furnace Fan Relay Wiring Diagram - Wiring Diagram

Electric Furnace Fan Relay Wiring Diagram - Wiring Diagram

The Ladies of Avignon (c. 1923) // André Lhote French, 1885-1962

The Ladies of Avignon (c. 1923) // André Lhote French, 1885-1962

Hvac Fan Relay Wiring Diagram - Free Wiring Diagram

Hvac Fan Relay Wiring Diagram - Free Wiring Diagram

herd of sheep on green grass field during daytime

herd of sheep on green grass field during daytime

Hvac Fan Relay Wiring - Wiring Diagram

Hvac Fan Relay Wiring - Wiring Diagram

Fan (18th century) // France

Fan (18th century) // France

Air Handler Fan Relay Wiring Diagram | Free Wiring Diagram

Air Handler Fan Relay Wiring Diagram | Free Wiring Diagram

man and woman standing on railings near body of water during daytime

man and woman standing on railings near body of water during daytime

White Rodgers 90-380 Relay for C-wire | DIY Home Improvement Forum

White Rodgers 90-380 Relay for C-wire | DIY Home Improvement Forum

Electric Furnace Fan Relay Wiring Diagram Gallery

Electric Furnace Fan Relay Wiring Diagram Gallery

brown mountain under white clouds during daytime

brown mountain under white clouds during daytime

1997 GMC C1500 Heater/AC Blower Will Not Work on HIGH.

1997 GMC C1500 Heater/AC Blower Will Not Work on HIGH.

sushi on tray

sushi on tray

Electric Fan Relay Wiring Diagram | Electrical circuit diagram, Automotive electrical, Electric fan

Electric Fan Relay Wiring Diagram | Electrical circuit diagram, Automotive electrical, Electric fan

unknown

unknown

Control of Electric Furnaces | Energy Sentry Tech Tip

Control of Electric Furnaces | Energy Sentry Tech Tip

How do i wire a honeywell r4222 d 1013 dpdt relay to ...

How do i wire a honeywell r4222 d 1013 dpdt relay to ...

two men fixing hot air balloon

two men fixing hot air balloon

Dual Fan Relay Wiring Diagram - Wiring Diagram And ...

Dual Fan Relay Wiring Diagram - Wiring Diagram And ...

woman in black jacket standing near window

woman in black jacket standing near window

Electric Furnace Fan Relay Wiring Diagram Gallery

Electric Furnace Fan Relay Wiring Diagram Gallery

Bow Fibula (wire) (Geometric Period (800–600 BCE)) // Greek; Thessaly

Bow Fibula (wire) (Geometric Period (800–600 BCE)) // Greek; Thessaly

Ribu1c Relay Wiring Diagram

Ribu1c Relay Wiring Diagram

orange city bike on road during daytime

orange city bike on road during daytime

hvac - How should I wire this White-Rodgers fan and limit ...

hvac - How should I wire this White-Rodgers fan and limit ...

Fan (Vernis Martin Type) (Louis XV period (1715–1774), 1725–1774) // France

Fan (Vernis Martin Type) (Louis XV period (1715–1774), 1725–1774) // France

Nordyne Hvac Fan Relay Wiring Diagram | schematic and ...

Nordyne Hvac Fan Relay Wiring Diagram | schematic and ...

How To Replace Furnace Fan Relay Switch | Sante Blog

How To Replace Furnace Fan Relay Switch | Sante Blog

Hvac Fan Relay Wiring Diagram - Wiring Diagram And ...

Hvac Fan Relay Wiring Diagram - Wiring Diagram And ...

Goodman Fan Relay Wiring Diagram - Wiring Diagram

Goodman Fan Relay Wiring Diagram - Wiring Diagram

0 Response to "42 hvac fan relay wiring diagram"

Post a Comment

Iklan Atas Artikel

Iklan Tengah Artikel 1

Iklan Tengah Artikel 2

Iklan Bawah Artikel